| Optimization Design |
|
|
|
|
| Optimization design and experimental study of gas control valve with low torque |
Guang'ao LIU1( ),Yinglong CHEN1( ),Changmin LUO2,Bo YAN1,Fei GAO1 |
1.College of Naval Architecture and Ocean Engineering, Dalian Maritime University, Dalian 116026, China 2.AECC Guizhou Honglin Aviation Power Control Technology Limited Company, Guiyang 551522, China |
|
|
|
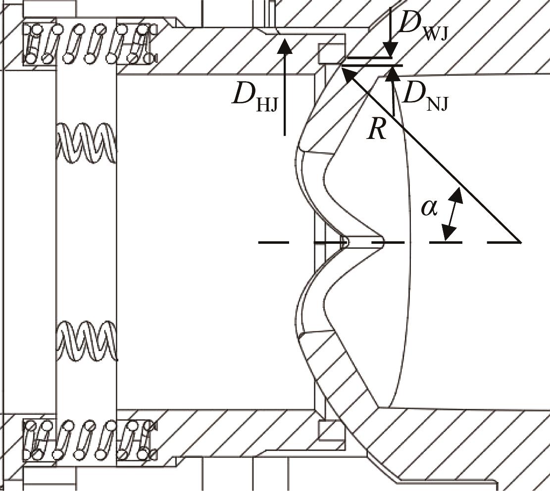
Abstract To address the high torque issue of gas control valves during opening and closing, a multi-factor analysis and structural optimization design study is conducted, and a low-torque optimization approach integrating topology optimization, response surface methodology, and non-dominated sorting genetic algorithm II (NSGA-II) is proposed. By establishing a theoretical opening/closing torque model of the control valve, it was clarified that mechanical friction torque was the dominant influencing factor, and the coupling effect of medium-induced force, spring preload, and Glyd ring compression ratio on torque and sealing performance was analyzed in detail. In the structural optimization process, the valve seat shape was reconstructed through topology optimization to reduce the effective medium-acting area and frictional resistance. Subsequently, a multi-objective optimization model with mechanical friction torque and leakage rate as objectives was constructed based on the response surface regression model, and the torque and sealing performance were simultaneously optimized by combining the NSGA-II. The experimental results showed that under a medium pressure of 5.2 MPa, the mechanical friction torque of the optimized control valve was reduced by 71.8%, validating the accuracy and feasibility of the proposed optimization approach. The research results provide a theoretical basis for high-performance design and localization of gas control valves.
|
|
Received: 10 July 2025
Published: 01 March 2026
|
|
|
|
Corresponding Authors:
Yinglong CHEN
E-mail: lga13723908272@163.com;chenyinglong@dlmu.edu.cn
|
燃气调节阀低扭矩优化设计及试验研究
针对燃气调节阀启闭过程中的高扭矩问题,开展多因素分析与结构优化设计研究,提出了结合拓扑优化、响应面法与非支配排序遗传算法II的低扭矩优化方法。通过建立调节阀启闭扭矩理论模型,明确了机械摩擦扭矩为主要影响因素,并重点分析了介质作用力、弹簧预紧力和格莱圈压缩率对扭矩与密封性能的耦合效应。在结构优化中,通过拓扑优化对阀座形态进行了重构,以减小有效的介质作用面积,降低摩擦阻力;随后,基于响应面回归模型构建了以机械摩擦扭矩和泄漏量为目标的多目标优化模型,并结合非支配排序遗传算法II实现了扭矩与密封性能的协同优化。试验结果表明:在5.2 MPa介质压力下,优化后调节阀的机械摩擦扭矩降低了71.8%,验证了所提出优化方法的准确性与可行性。研究结果为燃气调节阀的高性能设计与国产化奠定了理论基础。
关键词:
燃气调节阀,
低扭矩,
拓扑优化,
响应面法,
非支配排序遗传算法II
|
|
| [[1]] |
沈登海, 邓丹辉, 田永文. PGT25+燃气轮机用GS16燃调阀的运行及维护技术[J]. 燃气轮机技术, 2021, 34(1): 48-54. SHEN D H, DENG D H, TIAN Y W. Operation and maintenance technology of GS16 gas metering valve of PGT25+ gas generator[J]. Gas Turbine Technology, 2021, 34(1): 48-54.
|
|
|
| [[2]] |
罗易洲. 航改型燃机燃调阀故障原因分析及改进措施[J]. 压缩机技术, 2023(6): 57-60. LUO Y Z. Cause analysis and improvement measures of fuel control valve fault in aviation reformed gas turbine[J]. Compressor Technology, 2023(6): 57-60.
|
|
|
| [[3]] |
王冠霖. 天然气长输管道燃气轮机燃料气调节阀替换技术研究[J]. 自动化博览, 2016, 33(4): 86-89. WANG G L. Replace technology research of gas turbine fuel gas regulating valve for long distance natural gas pipeline[J]. Automation Panorama, 2016, 33(4): 86-89.
|
|
|
| [[4]] |
王海华, 徐宁, 忻明杰. 超低扭矩立管三通球阀的研发[J]. 上海煤气, 2017(1): 32-36. WANG H H, XU N, XIN M J. Research and development of tee valve with low torque[J]. Shanghai Gas, 2017(1): 32-36.
|
|
|
| [[5]] |
李高权. 低扭矩电动球阀设计与制造[J]. 阀门, 2022(4): 252-256. doi:10.53347/rid-158560 LI G Q. Low torque electric ball valve design and manufacture[J]. Chinese Journal of Valve, 2022(4): 252-256.
doi: 10.53347/rid-158560
|
|
|
| [[6]] |
史振明. 阀门流致振动和阀杆扭矩的动态特性研究[D]. 上海: 华东理工大学, 2018. SHI Z M. Study on dynamic characteristics of valve in flow-induced vibration and stem torque[D]. Shanghai: East China University of Science and Technology, 2018.
|
|
|
| [[7]] |
SUN X F, ZHAO Z. Simulation and analysis on flow field of ball valve based on Fluent software[J]. Journal of Physics: Conference Series, 2020, 1650(3): 032079.
|
|
|
| [[8]] |
何顺高, 杨孝均, 袁伟, 等. 固定球阀力矩计算的探讨[J]. 科技风, 2023(1): 64-66. HE S G, YANG X J, YUAN W, et al. Discussion on torque calculation of fixed ball valve[J]. Technology Wind, 2023(1): 64-66.
|
|
|
| [[9]] |
施钦天, 黄赛荣, 刘辉, 等. 温度变化对球阀扭矩的影响[J]. 阀门, 2023(2): 175-179. SHI Q T, HUANG S R, LIU H, et al. Effect of temperature change on the torque of ball valve[J]. Chinese Journal of Valve, 2023(2): 175-179.
|
|
|
| [[10]] |
郑科辉, 徐佩金. 小型高压球阀扭矩的影响因素分析及其控制措施[J]. 机床与液压, 2014, 42(14): 72-75. ZHENG K H, XU P J. Analysis of the affecting factors and controlling measures of the torque for small high pressure ball valve[J]. Machine Tool & Hydraulics, 2014, 42(14): 72-75.
|
|
|
| [[11]] |
王瑛俪, 李小洋, 李冰, 等. 深孔保压取样球阀热-应力耦合仿真分析[J]. 中国地质调查, 2024, 11(5): 153-160. doi:10.3390/lubricants12050144 WANG Y L, LI X Y, LI B, et al. Simulation analysis of thermal-stress coupling for deep hole pressure retention sampling ball valves[J]. Geological Survey of China, 2024, 11(5): 153-160.
doi: 10.3390/lubricants12050144
|
|
|
| [[12]] |
贾怀军, 李春洋, 龙艳, 等. V型调节球阀流动特性CFD仿真分析[J]. 阀门, 2024(8): 919-926. JIA H J, LI C Y, LONG Y, et al. CFD simulation analysis of flow characteristics of V-shaped ball valve[J]. Chinese Journal of Valve, 2024(8): 919-926.
|
|
|
| [[13]] |
ZHOU X M, WANG Z K, ZHANG Y F. A simple method for high-precision evaluation of valve flow coefficient by computational fluid dynamics simulation[J]. Advances in Mechanical Engineering, 2017, 9(7): 1-7.
|
|
|
| [[14]] |
李有堂, 王振宇. 基于机床整机动态性能的立柱结构优化设计[J]. 现代制造工程, 2025(3): 150-157. doi:10.1016/j.cose.2025.104564 LI Y T, WANG Z Y. Optimization plan of column structure based on the by and large energetic execution of machine instrument[J]. Modern Manufacturing Engineering, 2025(3): 150-157.
doi: 10.1016/j.cose.2025.104564
|
|
|
| [[15]] |
陈云, 周澳华, 高聚堡, 等. 基于多工况拓扑优化的挤压铸造悬置托臂轻量化设计[J]. 特种铸造及有色合金, 2025, 45(9): 1312-1319. CHEN Y, ZHOU A H, GAO J B, et al. Lightweight design of suspension arm in squeeze casting based on multi-condition topology optimization[J]. Special Casting & Nonferrous Alloys, 2025, 45(9): 1312-1319.
|
|
|
| [[16]] |
CHUNG H, HWANG J T, GRAY J S, et al. Topology optimization in OpenMDAO[J]. Structural and Multidisciplinary Optimization, 2019, 59(4): 1385-1400.
|
|
|
| [[17]] |
姜乃诚, 殷德政, 尤建洲, 等. 基于拓扑优化的复杂多工况空间刚架结构轻量化设计研究[J/OL]. 工程力学, 2025: 1-10. (2025-02-19) [2025-05-10]. . JIANG N C, YIN D Z, YOU J Z, et al. Research on lightweight design of complex multi-condition space rigid frame structure upon topology optimization[J/OL]. Engineering Mechanics, 2025: 1-10. (2025-02-19) [2025-05-10]. .
|
|
|
| [[18]] |
宁欣, 朱志华, 商少茹, 等. 基于响应面法的桥式起重机主梁多目标遗传优化设计[J]. 河南科技学院学报(自然科学版), 2025, 53(1): 66-78. NING X, ZHU Z H, SHANG S R, et al. Multi-objective genetic optimization design of bridge crane main beam based on response surface method[J]. Journal of Henan Institute of Science and Technology (Natural Science Edition), 2025, 53(1): 66-78.
|
|
|
| [[19]] |
DUYSINX P, BENDSØE M P. Topology optimization of continuum structures with local stress constraints[J]. International Journal for Numerical Methods in Engineering, 1998, 43(8): 1453-1478.
|
|
|
| [[20]] |
YANG R J, CHEN C J. Stress-based topology optimization[J]. Structural Optimization, 1996, 12(2): 98-105.
|
|
|
| [[21]] |
WU Y D. Research on multiresponse robust optimization based on RSM[C]//2017 2nd International Conference on Cybernetics, Robotics and Control. Chengdu, Jul. 21-23, 2017.
|
|
|
| [[22]] |
WANG C L, XU D T, HUANG K X, et al. Multi-objective optimization of a triple-eccentric butterfly valve considering structural safety and sealing performance[J]. ISA Transactions, 2024, 155: 295-308.
|
|
|
| [[23]] |
SONG X G, KIM S G, BAEK S H, et al. Structural optimization for ball valve made of CF8M stainless steel[J]. Transactions of Nonferrous Metals Society of China, 2009, 19: s258-s261.
|
|
|
| [[24]] |
LEE S W, SHIN D Y, BYUN C W. Optimal design of the safety valve by response surface method[J]. Journal of the Computational Structural Engineering Institute of Korea, 2007, 20(5): 551-556.
|
|
|
| [[25]] |
朱林, 王鹏, 贾民平, 等. 基于响应面修正敏度模型的结构可靠性影响因素分析方法[J]. 机械工程学报, 2022, 58(22): 160-167. doi:10.3901/jme.2022.22.160 ZHU L, WANG P, JIA M P, et al. Analysis approach for influencing factors of structural reliability based on response surface corrected sensitivity model[J]. Journal of Mechanical Engineering, 2022, 58(22): 160-167.
doi: 10.3901/jme.2022.22.160
|
|
|
| [[26]] |
黄晓云, 夏胜建, 全军, 等. 基于响应面法的管线平板闸阀浮动阀座结构参数多目标优化[J]. 石油化工设备, 2022, 51(4): 7-14. HUANG X Y, XIA S J, QUAN J, et al. Multi-objective optimization of structural parameters of floating valve seat of pipeline plate gate valve based on response surface method[J]. Petro-Chemical Equipment, 2022, 51(4): 7-14.
|
|
|
| [[27]] |
隋帆, 徐东涛, 彭思达, 等. 抑制调节阀流场空化的响应面结构优化[J]. 液压与气动, 2024, 48(4): 133-141. SUI F, XU D T, PENG S D, et al. Response surface structural optimization for regulating valve to suppress flow field cavitation[J]. Chinese Hydraulics & Pneumatics, 2024, 48(4): 133-141.
|
|
|
| [[28]] |
卓文波, 谭国笔, 陈秋任, 等. 基于代理模型和NSGA-Ⅱ的超高强钢电阻点焊工艺参数多目标优化[J]. 焊接学报, 2024, 45(4): 20-25. ZHUO W B, TAN G B, CHEN Q R, et al. Multi-objective optimization of resistance spot welding process parameters of ultra-high strength steel based on agent model and NSGA-Ⅱ[J]. Transactions of the China Welding Institution, 2024, 45(4): 20-25.
|
|
|
| [[29]] |
LI M M, LIU S M, ZHANG L, et al. Non-dominated sorting genetic algorithms-II based on multi-objective optimization model in the water distribution system[J]. Procedia Engineering, 2012, 37: 309-313.
|
|
|
|
Viewed |
|
|
|
Full text
|
|
|
|
|
Abstract
|
|
|
|
|
Cited |
|
|
|
|
| |
Shared |
|
|
|
|
| |
Discussed |
|
|
|
|