燃气调节阀作为燃气输配系统中的关键控制元件,其工作性能直接影响整个系统的调节精度、响应速度与运行稳定性。目前,我国高性能燃气调节阀主要依赖进口。由于国外供应商的技术垄断,国内在燃气调节阀运行和维护方面难以深入开展工作,运维中出现的技术问题乃至备件采购仍需燃机厂商经手。面对解决问题周期长、技术服务费用高、备件采购成本不具备谈判条件等挑战,推动燃气调节阀国产化势在必行[1 -3 ] 。现有燃气调节阀在启闭过程中所表现出的高扭矩特性是制约其性能提升的重要因素之一。高启闭扭矩不仅会导致执行机构负载增加、驱动功耗上升和动态响应迟缓,还会加速密封副磨损和缩短阀门寿命,进而影响燃气输配系统的长期可靠性与维护成本。
燃气调节阀的主体结构为V形球阀。针对球阀的扭矩特性,学者们开展了广泛研究。王海华等[4 ] 针对燃气立管的安全需求,开发了一种超低扭矩三通球阀,通过黄铜镀镍材质适配镀锌管道,采用低扭矩锁定结构,降低了传统燃气立管带气操作的风险。李高权[5 ] 针对传统电动球阀启闭扭矩高、结构复杂的问题,提出了低扭矩一体化电动球阀设计方案,通过优化球体结构、密封配置及制造精度,有效降低了球阀的摩擦阻力,实现了小型化电驱动适配。史振明[6 ] 采用试验与仿真相结合的方法分析了球阀在动态工况下的扭矩变化特性,发现启闭初期的扭矩峰值主要由小开度下非稳态流动和局部涡流诱导所致,并在此基础上提出了流道与支撑结构的改进建议。Sun等[7 ] 利用Fluent软件对球阀流场进行了仿真模拟,建立了开度、流量系数、扭矩系数之间的数学关系式,为球阀的结构优化与扭矩预测提供了理论支持。何顺高等[8 ] 对固定球阀的扭矩组成进行了深入分析,重点推导了阀座密封面与球体之间摩擦扭矩的2种计算方法,并结合球阀的实际尺寸与试验数据验证了所提出模型的准确性,为扭矩计算方法的工程应用提供了可靠依据。施钦天等[9 ] 通过试验与理论建模相结合的方法,研究了高温工况下固定球阀的扭矩变化规律,结果表明:随着温度的升高,阀座和球体发生热膨胀,致使预紧力增大,进而导致扭矩显著增大。郑科辉等[10 ] 聚焦于小型高压浮动式球阀的装配与工作扭矩优化,分析了弹簧预紧力、材料摩擦系数与加工精度对扭矩的影响,并提出了通过控制弹簧变形量和采用调整垫片来弥补加工误差的方法,实现了扭矩在合理区间内的稳定控制。
上述研究在降低球阀启闭扭矩方面取得了一定进展。但相较于国外成熟的燃气调节阀产品,国产燃气调节阀在启闭扭矩与结构优化方面仍存在一定差距。例如:在无压差工况下,国内生产的DN50球阀在启闭阶段所需的扭矩通常为8~10 N·m,且对零部件的加工精度要求较高。相比之下,国外生产的GS16燃气调节阀在3~5 MPa工作压力下的启闭扭矩一般控制在6~10 N·m内,这体现了其在结构设计与制造工艺方面的较高水平。针对上述问题,本文围绕燃气调节阀启闭扭矩的关键影响因素展开研究,并在此基础上提出一种分阶段的低扭矩优化方法。第1阶段,基于力学性能主导的拓扑优化策略,对调节阀的阀座结构进行重构,以降低介质作用力对阀芯及阀座的影响;第2阶段,结合响应面法与非支配排序遗传算法Ⅱ(non-dominated sorting genetic algorithm Ⅱ, NSGA-Ⅱ),对调节阀的关键结构参数进行多目标协同优化,重点分析扭矩与密封性能之间的耦合关系,以获得工程约束条件下调节阀综合性能最优的参数组合。最后,通过样机试验来评估所提出的优化方法在实际工况下的适用性与工程可行性。本文研究旨在为燃气调节阀的低扭矩设计与性能优化提供一种新思路。
1 燃气调节阀结构
燃气调节阀是一种集成机载电子位置控制器的电动气体计量阀,其核心功能模块主要包括计量模块(DN50球阀)、电机驱动模块及智能控制器模块,如图1 所示。电机驱动模块作为燃气调节阀的动力输出单元,其输出轴与计量模块的V形阀芯直接相连,电机旋转时带动V形阀芯转动,V形阀芯的旋转角度直接影响天然气的输送流量;同时,智能控制器模块的旋变装置将V形球阀的实际旋转角度回传至控制系统,形成闭环控制,以确保燃气调节阀的控制精度。
图1
图1
燃气调节阀整体结构
Fig.1
Overall structure of gas control valve
为减小燃气调节阀的启闭扭矩,对传统V形球阀做了一定改进。传统V形球阀大多采用填料密封结构,主要依赖填料的压紧力实现密封,其结构虽然简单,但在高频启闭或长周期运行中易出现摩擦系数升高、密封不稳定等问题,不利于低启闭扭矩目标的实现。相比之下,格莱圈密封结构(由低摩擦的聚四氟乙烯密封环与弹性O形圈组成)具备良好的密封自适应性与耐磨性能,能在较低的接触压力下实现稳定密封,从而有效降低阀门的启闭扭矩。因此,本文采用格莱圈密封代替填料密封;同时,在上下阀杆处加装滚子轴承以降低摩擦阻力,从而减小摩擦扭矩,如图2 所示。
图2
图2
阀杆密封结构
Fig.2
Valve stem sealing structure
计量模块由阀芯、阀座、组合弹簧、压紧座、上端盖、密封圈、阀杆、格莱圈、轴承、阀底座、底部盖板和阀体等组成,如图3 所示。
图3
图3
计量模块总装
1—底部盖板;2—组合弹簧;3—压紧座;4—阀座;5—密封圈;6—上端盖;7—阀体;8—轴承;9—阀杆;10—V形阀芯;11—格莱圈;12—阀底座。
Fig.3
Assembly of metering module
2 燃气调节阀启闭扭矩理论模型
燃气调节阀的开启或关闭是通过电机驱动阀杆带动阀芯旋转实现的。驱动阀杆所需克服的扭矩主要由以下几部分组成:1)阀座与阀芯之间的摩擦扭矩;2)格莱圈与阀杆之间的摩擦扭矩;3)轴承与阀杆之间的摩擦扭矩;4)气体介质所产生的流致扭矩。在启闭过程中,燃气调节阀所需的扭矩是不断变化的,其峰值出现在开启瞬间和关闭瞬间。
2.1 阀座与阀芯之间的摩擦扭矩
当阀座在阀芯表面滑动时,其产生的滑动摩擦力主要由接触压力和摩擦系数决定,而与运动速度和接触面积无关。因此,在计算阀门密封副的摩擦力时,可仅考虑作用在其表面上的力与摩擦系数的大小。
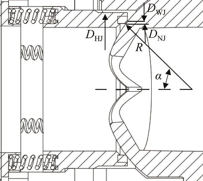
假设作用于阀芯表面的力为均匀分布的正向压力。阀芯表面所受的作用力为介质作用力与最小密封比压所需的作用力之和[8 ] 。介质作用力和弹簧预紧力通过阀座作用在阀芯上,实现阀座与阀芯间的密封,如图4 所示。
图4
图4
燃气调节阀密封结构
Fig.4
Sealing structure of gas control valve
当开启或关闭燃气调节阀时,阀芯转动,此时阀芯表面与阀座密封面之间产生摩擦扭矩。根据图4 ,摩擦力方向与接触面相切,由此可得阀座与阀芯之间的摩擦扭矩T x :
T x = Q f r (1)
Q = Q M + Q Y
Q M = π 4 p ( D H J 2 - D N J 2 )
Q Y = π 4 q m i n ( D W J 2 - D N J 2 )
r = R ( 1 + c o s α ) 2
式中:f 为阀座与阀芯之间的摩擦系数,r 为摩擦半径,Q 为阀芯表面所受的作用力,Q M 为阀座承受的介质作用力,Q Y 为弹簧预紧力,p 为介质压力,D HJ 为阀座外径,D NJ 为阀座密封面内径,D WJ 为阀座密封面外径,q min 为弹簧预紧所需的最小比压,R 为阀芯半径,α 为阀座和阀芯密封处与通道中心线之间的夹角。
将各参数的表达式代入式(1),可得阀座与阀芯之间的摩擦扭矩:
T x = π 4 p ( D H J 2 - D N J 2 ) + q m i n ( D W J 2 - D N J 2 ) ⋅ R ( 1 + c o s α ) 2 f (2)
2.2 格莱圈与阀杆之间的摩擦扭矩
格莱圈由密封环和O形圈两部分组成,其与阀杆之间的摩擦扭矩可近似为O形圈与阀杆之间的摩擦扭矩,可表示为:
T o = 1 2 π d 2 ( 0.33 + 0.92 μ 3 d p ) (3)
式中:T o 为格莱圈与阀杆之间的摩擦扭矩,μ 3 为格莱圈与阀杆之间的摩擦系数,d 为格莱圈内径。
2.3 轴承与阀杆之间的摩擦扭矩
在介质压力的作用下,阀杆可能承受较大的作用力,而较大作用力在阀杆驱动阀芯旋转的过程中会产生很大的摩擦力。通过在阀杆处加装滚子轴承,可有效降低摩擦力及其引起的摩擦扭矩。轴承与阀杆之间的摩擦扭矩可表示为:
T c = 1 2 Q 2 d t μ 4 (4)
式中:T c 为轴承与阀杆之间的摩擦扭矩,Q 2 为阀杆在介质压力作用下所受的径向力,d t 为轴承直径,μ 4 为轴承与阀杆之间的摩擦系数。
2.4 气体介质产生的流致扭矩
在燃气调节阀开启和关闭过程中,由于阀芯中间流道通孔会与阀门流道形成一定角度,在气体介质作用下,阀门会产生流致扭矩[6 ] 。该扭矩可表示为:
T s = m R 3 ∆ p + v 2 g γ (5)
式中:T s 为流致扭矩;m 为流致扭矩系数,取决于阀芯与阀门流道的角度;∆ p 为进出口的总压差;v 为流体流速;γ 为流体重度;g 为重力加速度。
联立式(2)至(5),可得燃气调节阀驱动阀杆所需的总扭矩T :
T = T x + T o + T c + T s (6)
3 燃气调节阀启闭扭矩的影响因素
根据上文所推导的燃气调节阀总扭矩的计算公式,可知其所需的驱动扭矩主要由介质作用力、弹簧预紧力、摩擦半径和摩擦系数等多个因素共同决定。为进一步明确各因素对燃气调节阀扭矩特性的影响规律,本节将对关键影响因素进行详细分析。
3.1 介质作用力
燃气调节阀启闭扭矩的变化主要源于阀座前、后端有效受压面积差异所导致的受力不平衡。当气体介质流经燃气调节阀时,介质压力分别作用于阀座的前、后端表面,形成相应的介质作用力。由于阀座后端的有效受压面积通常大于前端,在相同的介质压力下,后端所受的介质作用力较大。由阀座承受的介质作用力理论计算公式可知,随着阀座后端有效受压面积的增大,阀座与阀芯密封接触处的法向载荷显著增大。而法向载荷的增大会使阀座密封面的摩擦力增大,从而导致燃气调节阀在启闭过程中所需克服的摩擦扭矩增大。
3.2 弹簧预紧力
弹簧预紧力主要作用在阀座密封面上,作用范围为阀座的密封外径与密封内径之间。弹簧预紧力主要影响燃气调节阀在低压状态下的启闭扭矩。一般情况下,弹簧预紧所需的最小比压q min =0.1p ,且应保证q min 不低于2 MPa。当q min 保持不变时,在相同的密封状态下,阀座密封宽度增大会导致阀芯与阀座密封所需的弹簧预紧力增大,而预紧力的增大会导致摩擦扭矩增大。因此,对于弹簧预紧力,既要使其能保证阀门的密封性能,又要尽可能减小其对阀门启闭扭矩的不利影响。
3.3 摩擦半径
由摩擦半径的理论计算公式可知,在阀芯半径确定的情况下,摩擦半径由阀座与阀芯密封处相对于通道中心线的夹角α 确定。随着夹角α 的减小,摩擦半径增大,进而导致燃气调节阀的启闭扭矩增大,但夹角α 的影响较小。
3.4 摩擦系数
摩擦系数增大会使燃气调节阀在转动过程中所需克服的摩擦力增大,从而导致启闭扭矩增大。燃气调节阀的启闭扭矩主要受到三部分摩擦系数的影响:一是阀座与阀芯之间的摩擦系数;二是格莱圈与阀杆之间的摩擦系数;三是轴承与阀杆之间的摩擦系数。其中,阀座与阀芯之间的摩擦系数对燃气调节阀启闭扭矩的影响最大。
当燃气调节阀采用硬密封结构时,阀座与阀芯之间为金属与金属的接触,摩擦系数通常较高,则密封接触处产生的摩擦力较大,从而导致燃气调节阀在启闭过程中所需克服的扭矩较高。而软密封阀座通常采用摩擦系数较低且具有自润滑作用的材料,如聚四氟乙烯、聚醚醚酮和尼龙等,这些材料在阀芯转动过程中产生的摩擦力较小,有利于降低燃气调节阀转动所需的驱动扭矩。
3.5 阀杆所受径向力
燃气调节阀的阀芯与阀杆通常采用一体化结构,在工作过程中,阀芯所受的作用力将直接传递至阀杆。由于上下阀杆加装了滚子轴承,阀杆的轴向受力可忽略不计,但其会承受较大的径向力。径向力的产生共有3个原因:1)阀芯与气体介质直接接触,从而产生较大的径向力;2)气体介质对阀座产生作用力,这部分作用力通过阀座传递至阀芯;3)弹簧预紧力通过阀座作用到阀芯上。
在气体介质作用下,阀杆所受的径向力随介质压力的升高而增大。通过优化阀座结构,可减小介质作用力和弹簧预紧力对阀芯受力的影响,故阀杆的主要受力为气体介质直接作用在阀芯上所产生的径向力。当阀杆直径确定后,轴承直径可直接确定,即轴承直径为定值。因此,由轴承与阀杆之间的摩擦扭矩理论计算公式可知,影响轴承与阀杆之间摩擦扭矩的因素主要为阀杆所受的径向力和阀杆与轴承之间的摩擦系数。
3.6 格莱圈压缩率
由格莱圈与阀杆之间的摩擦扭矩理论计算公式可知,影响因素为格莱圈直径、格莱圈与阀杆之间的摩擦系数和介质压力。其中,格莱圈直径对摩擦扭矩的影响体现在其压缩率上,当压缩率较大时,密封效果较好,但随之产生的挤压力较大,从而导致扭矩增大。一般情况下,格莱圈的压缩率控制在10%~20%内即可。
3.7 流致扭矩
在燃气调节阀启闭过程中,阀芯除了受到机械摩擦扭矩的作用外,还会受到流致扭矩的作用。流致扭矩的大小和方向由多个因素共同决定。1)流体速度:流体速度的提高会导致流致扭矩增大。2)阀芯开度:阀芯开度的变化会影响流体通过阀门时的流动状态,进而影响流致扭矩。3)压降:流体通过阀门时产生的压降会影响流致扭矩的大小,压降越大,流致扭矩越大。4)流体流动方向:流动方向的变化可能会导致流致扭矩的大小和方向均发生变化。
为研究气体流通对燃气调节阀扭矩特性的影响,对不同开度下的燃气调节阀进行仿真分析,以分析其在各开度下所受的流致扭矩。利用三维建模软件对V形球阀结构进行适度简化,提取阀腔、阀芯通道、阀芯前通道(进口段)以及阀芯后通道(出口段)四个区域作为数值模拟的流体计算域,如图5 所示。选取阀芯开度为6.25%、12.5%、25%、43.75%、61.5%和81.25%的6种典型工况,建立相应的三维模型。完成三维建模后,采用ANSYS Meshing工具进行网格划分,对阀芯表面进行局部加密控制[11 ] ,最大单元尺寸限制在0.5 mm以内,整体网格数量约为300万个,以确保计算精度。
图5
图5
燃气调节阀内部流道
Fig.5
Internal flow passage of gas control valve
选用工程应用中广泛采用的标准k -ε 湍流模型作为求解方法,初始湍流强度设置为5%。该模型具有计算稳定、适用范围广和收敛速度快等优点[12 ] ,能够较好地描述阀门内部复杂湍流的流动行为。仿真介质为空气,采用理想气体状态方程描述其密度变化,从而考虑介质压缩性对流场特性的影响。气体介质的动力黏度取1.81×10-5 Pa·s,符合常温常压下空气的实际物性参数。边界条件设置如下:阀体内壁与阀芯表面均设置为无滑移固体壁面,以模拟实际工况下气体与固体壁面的黏附效应[13 ] ;阀门进口设置为压力入口,进口压力为1.0 MPa,出口设置为压力出口,出口压力为0.8 MPa。为确保求解的准确性和稳定性,采用稳态求解器进行计算,并设定以收敛残差为1.0×10-5 为停止准则。
完成计算后,设定阀芯旋转轴为计算扭矩的参考轴,以旋转轴方向为阀芯的Z 轴方向,提取不同阀芯开度下气体介质作用于阀芯的扭矩分布结果。不同阀芯开度下燃气调节阀内部流道的压力分布如图6 所示。
图6
图6
不同阀芯开度下的流道压力分布云图
Fig.6
Pressure distribution cloud maps of flow passage under different valve core openings
从图6 中可以看出,在不同阀芯开度下,阀芯流道的压力分布存在显著差异。随着阀芯开度的增大,流道进出口区域出现明显的压力过渡区。在阀芯流道正对进口内表面处出现相对于周围的高压区,这是因为气体介质冲击壁面,动能转化为压力能,导致该区域的压力升高。在阀芯开度增大的过程中,压力对壁面的冲击也在增大,当阀芯开度为61.5%时,压力对壁面的冲击效果最为显著;当阀芯开度进一步增大至81.25%时,高压效应不再明显增强,这是因为流道内气体流量趋于平稳,阀芯位置限制了压力集中效应。
图7 所示为不同阀芯开度下的流致扭矩。从图7 中可以看出,流致扭矩随阀芯开度的增大呈先增后降的态势,在61.5%开度附近达到最大,为3.48 N·m,随后流致扭矩逐渐减小。这与图6 中压力的变化趋势一致:阀芯流道正对进口内表面的压力冲击越强,阀芯两端所产生的不平衡流致扭矩越大。
图7
图7
不同阀芯开度下的流致扭矩
Fig.7
Flow-induced torque under different valve core openings
综上所述,燃气调节阀的启闭扭矩由机械摩擦扭矩与流致扭矩两部分构成。其中,机械摩擦扭矩主要受介质作用力、弹簧预紧力、摩擦半径、摩擦系数、格莱圈压缩率以及轴承性能等因素影响;流致扭矩与流体速度、阀芯开度、压降以及流体流动方向密切相关。
然而,在实际工况下,燃气调节阀的启闭扭矩不仅受上述理论因素的影响,还会因设计参数偏差、制造和装配精度不足以及介质温度与压力的动态波动等复杂因素而产生较大偏差。因此,为精确获取燃气调节阀在实际工况下的扭矩特性,需搭建专用的扭矩测试平台,以对其在动态启闭过程中的扭矩进行测试与数据采集,从而为后续的结构优化提供试验依据。
4 燃气调节阀试验台搭建
为了符合燃气调节阀的实际工况,试验台中的扭矩测试工装采用竖直放置的方式,阀体与电机之间采用支撑板进行固定支撑。该支撑板不仅为其他部件提供了标准化安装基准,也保证了电机法兰面和被测阀法兰面的平行度以及整个工装的刚度。支撑板内部自上而下依次安装刚性联轴器、转接轴a、扭矩传感器和转接轴b。刚性联轴器与转接轴a配合,用于连接电机轴和扭矩传感器;转接轴b用于连接扭矩传感器和阀杆。支撑板表面设有2个矩形工艺孔,分别用于穿设传感器信号线束和紧固刚性联轴器。此外,考虑到试验时阀杆处的轴承可能会出现轴向窜动,设计了轴承顶板,以限制轴承的轴向位移。
为同时测试不同介质压力下燃气调节阀的扭矩及流量特性,在扭矩测试工装的基础上进一步完善试验台,如图8 所示。试验设备包括增压泵(小流量)、大型柴油空压机(大流量)、扭矩测试工装、压力变送器、减压阀、背压阀(或手动球阀)、涡街流量计。其中:增压泵可产生的最大压力为30 MPa,满足最高测试压力为5.2 MPa的工况;压力变送器的最大量程为0~10 MPa,精度为0.01%FS(full scale,满量程),其输出信号为4~20 mA的模拟信号。大型柴油空压机能够提供较大流量,其单台功率可达246 kW,最大吸气量为22.1 m3 /min,最大压力为2.07 MPa;减压阀的最大进口压力为2.5 MPa;背压阀的公称直径为50 mm,调节压力范围为0~2 MPa,满足流量条件。
图8
图8
燃气调节阀试验台
Fig.8
Gas control valve test bench
5 燃气调节阀低扭矩优化
前期的仿真和试验结果表明,机械摩擦扭矩在燃气调节阀总启闭扭矩中占主导地位,是影响阀门执行机构能耗与响应性能的关键因素。同时,流致扭矩受阀芯流道结构的影响较大,其变化将直接影响燃气调节阀运行过程中的气体稳定性与控制精度。鉴于此,本文以机械摩擦扭矩为优化重点,开展燃气调节阀结构参数设计与性能提升研究,以在保证调节精度的前提下实现启闭扭矩的显著降低。
首先,利用拓扑优化法对燃气调节阀的阀座结构进行优化,以降低介质压力对启闭扭矩的影响。随后,采用响应面法与NSGA-Ⅱ相结合的方法,对影响燃气调节阀启闭扭矩的关键参数进行优化。燃气调节阀低扭矩优化流程如图 9 所示。
图9
图9
燃气调节阀低扭矩优化流程
Fig.9
Low-torque optimization flow of gas control valve
5.1 阀座拓扑优化
由上文分析可知,阀座承受的介质作用力最终作用于阀芯表面。随着介质压力的升高,阀芯受到的介质作用力增大,导致阀芯与阀座之间的摩擦增大,以及阀杆与轴承之间的摩擦增大,最终表现为燃气调节阀启闭扭矩增大。为了改善这一现象,在原始阀座的基础上,对其几何尺寸进行多次优化,但效果均无法满足实际使用需求,故采用拓扑优化法对阀座结构进行优化,以降低阀芯所受的介质作用力。
拓扑优化是一种工程设计优化方法,通过调整结构形状,可以在满足性能和约束的条件下实现最佳结构性能。拓扑优化主要用于减少材料、降低重量和改善整体性能[14 -19 ] 。为了降低阀座与阀芯之间的摩擦扭矩,本文采用拓扑优化运算效率较高的变密度法对阀座结构进行优化设计。该方法通过不断迭代来削减对结构性能影响较小的单元。
由变密度法可知,当结构的形状和材料的杨氏模量发生变化时,结构的柔性与应变能随之改变。结构各单元的等效杨氏模量可表示为:
E e ( ρ e ) = ρ e η E 0 (7)
式中:Ee 为单元e 的等效杨氏模量;ρe 为单元e 的相对密度(设计变量),ρe =0~1;E 0 为实体材料的杨氏模量;η 为惩罚因子,通常取η =3~5。
以阀座质量不超过初始总质量的70%为约束条件,以应力最小化为优化目标[20 ] ,对阀座进行拓扑优化。所构建的拓扑优化数学模型如下:
m i n ρ f ( ρ ) = ∑ e = 1 N e σ e ( ρ ) q V e s . t . ∑ e = 1 N e ρ e V e ≤ 0.7 M 0 ρ m i n ≤ ρ e ≤ 1 , ∀ e = 1 , 2 , ⋯ , N e (8)
式中:σe ρ 为单元e 的等效应力;Ne 为单元数量;Ve 为单元e 的体积;ρ min 为相对密度的最小值;M 0 为阀座的初始总质量;q 为指数,一般取q =2。
在阀座的拓扑优化过程中,需考虑阀座受力及其与阀芯之间的相互作用。具体工况设置如下:对阀座受力面施加2 MPa的均匀压力载荷;同时,在上下阀杆位置处施加固定约束条件。在该工况下,对阀座进行拓扑优化,并对拓扑优化结果进行平滑处理与重构。
通过拓扑优化,将原阶梯状阀座优化为直线型阀座,同时阀座后端面优化为镂空结构,可减小气体介质作用于阀座的面积,从而降低阀座所受的介质作用力。然而,拓扑优化所得的结构形式在实际制造中存在一定工艺难度,且在密封性能方面无法满足燃气调节阀的实际应用需求。因此,需结合工程可制造性与密封性能要求,对阀座结构进行进一步改进。
基于拓扑优化后的阀座结构,对压紧座进行同步优化设计。在阀座后端面镂空区域采用O形圈,以实现压紧座与阀座之间的密封。同时,在初步试验过程中发现组合弹簧在施加预紧力时存在一致性差、密封力分布不均等问题。为解决这一问题,取消了原有的组合弹簧形式,改用大弹簧来提供稳定的预紧力。最终形成的改进型阀座结构如图10 所示。
图10
图10
阀座结构优化流程
Fig.10
Valve seat structure optimization process
对优化前后的阀座进行静力学仿真分析,结果分别如图11 和图12 所示。对比图11 和图12 可知,在相同的介质压力下,优化后阀座的应力相对于原始阀座明显降低,最大应力从13.30 MPa降低至4.96 MPa。然而,通过试验发现,优化后的阀座结构在密封性能方面仍存在不足,难以满足燃气调节阀的应用需求。因此,有必要进一步对燃气调节阀开展优化设计。
图11
图11
优化前阀座的应力分布
Fig.11
Stress distribution of valve seat before optimization
图12
图12
优化后阀座的应力分布
Fig.12
Stress distribution of valve seat after optimization
5.2 响应面回归模型的建立与验证
响应面法是一种基于数学模型的试验设计和数据分析方法,通过建立设计变量与响应目标之间的函数关系,来实现响应目标的优化[21 -24 ] 。在响应面优化过程中,通常采用一阶或二阶多项式回归模型作为响应面的数学表达形式,即通过多元回归分析来描述设计变量与响应目标之间的定量关系。常用的一阶、二阶响应面回归模型可分别表示为:
Y = β 0 + ∑ i = 1 k β i x i + ε (9)
Y = β 0 + ∑ i = 1 k β i x i + ∑ i = 1 k β i i x i 2 + ∑ i = 1 k - 1 ∑ j = i + 1 k β i j x i x j + ε (10)
式中:Y 为响应值,k 为设计变量的数量,β 0 、βi 、βii 和βij 分别为常数项、线性系数、二次项系数和相互作用项的偏回归系数,xi 和xj 为设计变量,ε 为误差项。
由上文分析可知,燃气调节阀的启闭扭矩受到多种因素耦合作用的影响,主要包括介质作用力、弹簧预紧力、摩擦半径、摩擦系数和格莱圈压缩率等。其中,摩擦系数与机械摩擦扭矩呈正相关,且在一定范围内与泄漏量也呈正相关;摩擦半径对机械摩擦扭矩的影响相对较小。综合考虑扭矩降低与密封良好的需求,本文重点关注同时影响扭矩与密封性能的3个因素:介质作用力(阀座前后端面积差)、弹簧预紧力和格莱圈压缩率。
基于上文分析,对阀座前后端面积差A 、弹簧预紧力B 和格莱圈压缩率C 进行优化,以降低燃气调节阀的机械摩擦扭矩。设计变量 x 可表示为[25 -26 ] :
x = [ x 1 x 2 x 3 ] T = [ A B C ] T (11)
根据燃气调节阀的结构尺寸及可行性要求,确定各设计变量的取值范围,如表1 所示。
以燃气调节阀的机械摩擦扭矩T m (T m =T x + T o + T c )和阀座泄漏量L r 为2个优化子目标,构建其低扭矩优化设计的数学模型,可表示为:
F i n d : x = [ x 1 x 2 x 3 ] T = [ A B C ] T M i n : T m ( x ) , L r ( x ) s . t . T m ( x ) ≤ 10 N · m L r ( x ) ≤ 1.8 L / m i n 0 < A < 258 m m 2 200 < B < 300 N 10 % < C < 15 % (12)
5.2.1 试验设计与数据采集
为探究结构参数对燃气调节阀性能的影响,本文采用Box-Behnken设计方法构建响应面试验方案。该设计方法适用于三因素三水平的多变量优化问题,具有试验次数少、预测精度高、稳定性好等优点。本试验选取阀座前后端面积差、弹簧预紧力和格莱圈压缩率作为设计变量,构建15组试验组合,其中包含12个边中点和3个中心点,以确保试验数据的代表性和重复性。
依据试验方案,设计并加工了3种具有不同前后端面积差的阀座结构(记为a、b、c),如图13 所示。阀座a、b和c对应的前后端面积差分别为0、129、258 mm2 。阀座a与b的主要差异体现在前端受压面积上,阀座a能够完全抵消介质作用力的影响;阀座b与c的差异主要体现在壁厚上,阀座c相较于阀座b具有更大的壁厚。通过试验获取燃气调节阀的启闭扭矩(在开启/关闭瞬间,流致扭矩可忽略不计)与泄漏量数据,如表2 所示。
图13
图13
前后端面积差不同的阀座
Fig.13
Valve seats with different front and rear end areas
5.2.2 响应面回归模型的方差分析
经回归拟合后,最终得到燃气调节阀的机械摩擦扭矩及泄漏量的响应面回归模型,分别表示为:
Y 1 = 30.337 5 - 0.050 795 A - 0.031 1 B - 4.115 C - 0.000 047 A B + 0.004 558 A C + 0.000 520 B C + 0.000 229 A 2 + 0.000 085 B 2 + 0.162 C 2 (13)
Y 2 = 27.812 5 - 0.077 975 A - 0.118 525 B - 0.685 C + 0.000 085 A B - 0.001 062 A C - 0.000 98 B C + 0.000 182 A 2 + 0.000 209 B 2 + 0.040 8 C 2 (14)
式中:Y 1 为机械摩擦扭矩响应值,Y 2 为泄漏量响应值。
为分析机械摩擦扭矩与泄漏量响应面回归模型的显著性,对其进行方差分析,结果分别如表3 和表4 所示。表中:F 值用于衡量回归模型及各因素对响应目标影响的显著性,F 值越大,表示模型或因素的影响越显著[27 ] ;P 值表示不拒绝原假设的程度,P< 0.05,说明模型或因素具有统计显著性。
由表3 和表4 可知,所构建的2个响应面回归模型的P 值均小于0.000 1,表明模型在统计意义上具有极高的显著性;此外,2个回归模型的调整系数分别为0.989 6和0.981 5,说明模型的拟合效果良好,且可靠性高。同时,通过对比各模型对应的F 值,可以推断出各因素对燃气调节阀机械摩擦扭矩的影响程度顺序为A 、C 、B ,对泄漏量影响程度的顺序为A 、B 、C 。
在获得相应的响应面回归模型后,利用Design-Expert 13软件绘制响应面,分析设计变量交互作用对燃气调节阀机械摩擦扭矩与泄漏量的影响,结果如图14 所示。
图14
图14
燃气调节阀机械摩擦扭矩和泄漏量的响应面
Fig.14
Response surfaces for mechanical friction torque and leakage rate of gas control valve
5.3 基于NSGA-II 的多目标优化求解
NSGA-II是在GA的基础上改进得到的,其基于Pareto最优解来解决多目标优化问题。与其他多目标优化算法相比,NSGA-II具有较好的全局搜索能力和鲁棒性,可在优化过程中同时评估决策空间中的多个解,且能够有效保持种群多样性,以避免收敛于局部最优解。这对于涉及多个约束条件和设计变量的结构优化问题尤为重要[28 -30 ] 。因此,本文选用NSGA-II对燃气调节阀的结构参数进行多目标优化。
利用NSGA-II对上文所构建的机械摩擦扭矩和泄漏量响应面回归模型进行迭代寻优,算法参数设置如表5 所示。独立重复多次运行寻优程序,得到Pareto最优解集,如图15 所示。由于机械摩擦扭矩与泄漏量这2个优化目标存在冲突,即一个目标达到最优解是以牺牲另一个目标的最优解为代价的。为保证燃气调节阀具有更优的密封性能,从Pareto最优解集中选取3个泄漏量最小的方案作为候选方案,如表6 所示。
图15
图15
机械摩擦扭矩与泄漏量的Pareto 最优解集
Fig.15
Pareto optimal solution set for mechanical friction torque and leakage rate
考虑到工艺条件以及加工难度的限制,对方案3中的结构参数进行调整并加工燃气调节阀。对于所加工的燃气调节阀,其阀座前后端面积差为122.52 mm2 ,弹簧预紧力为270 N,格莱圈压缩率为11.32%。由于大弹簧对预紧力的调节范围有限,因此新阀座采用波形弹簧提供预紧力。最终加工的阀座结构如图16 所示。
图16
图16
优化后的阀座结构
1—波形弹簧;2—密封圈Ⅰ;3—压紧座;4—阀座;5—O形圈;6—轴套;7—密封圈Ⅱ。
Fig.16
Optimized valve seat structure
对优化前后燃气调节阀在不同介质压力下的机械摩擦扭矩进行对比分析,结果如图17 所示。结果显示,在不同压力工况下,优化后燃气调节阀的机械摩擦扭矩均得到不同程度的降低,优化效果较为显著。在无压力条件下,优化后燃气调节阀的机械摩擦扭矩由6.87 N·m降至1.81 N·m,降幅为73.7%;在5.2 MPa压力条件下,优化前的机械摩擦扭矩为21.46 N·m,优化后降至6.06 N·m,降幅达71.8%。在该工况下,进一步开展了3组平行试验,所得的平均机械摩擦扭矩为6.32 N·m,与模型预测值基本一致,表明所构建的响应面回归模型具有良好的准确性和可行性。由此可知,采用优化后的结构参数,可在保证燃气调节阀无泄漏的前提下,有效降低其机械摩擦扭矩。
图17
图17
优化前后燃气调节阀的机械摩擦扭矩对比
Fig.17
Comparison of mechanical friction torque of gas control valve before and after optimization
6 结 论
针对燃气调节阀启闭过程中的高扭矩问题,开展了多因素分析与结构优化设计研究,提出了融合结构拓扑优化与多目标参数寻优的系统性设计方法,并结合试验评估了方法的可行性。研究表明,燃气调节阀的启闭扭矩主要由机械摩擦扭矩与流致扭矩共同构成。其中,机械摩擦扭矩受介质作用力、弹簧预紧力及格莱圈压缩率等因素的影响较为显著。这3个因素是决定燃气调节阀启闭性能的关键结构参数。
基于阀座受力特性开展拓扑优化设计,显著减小了介质的作用面积,从而减小了阀座所受的介质作用力及其引发的机械摩擦扭矩。在此基础上,建立了机械摩擦扭矩与泄漏量的响应面回归模型,并结合NSGA-II获得了同时满足启闭扭矩最小与零泄漏的最优结构参数组合,实现了对燃气调节阀低扭矩与高密封性能的协同优化。
结果表明,在无压力工况下,优化后燃气调节阀的机械摩擦扭矩由6.87 N·m降至1.81 N·m,降幅为73.7%;在5.2 MPa压力工况下,机械摩擦扭矩由21.46 N·m降至6.06 N·m,降幅为71.8%。在5.2 MPa压力工况下,通过3组平行试验测得优化后燃气调节阀的机械摩擦扭矩平均值为6.32 N·m,与模型预测结果相近,验证了响应面回归模型的准确性及工程实用性。本文所构建的优化框架具有良好的适应性与扩展性,可为燃气调节类产品的结构优化设计与性能提升提供理论支持与技术路径。
参考文献
View Option
[1]
沈登海 , 邓丹辉 , 田永文 . PGT25+燃气轮机用GS16燃调阀的运行及维护技术
[J]. 燃气轮机技术 , 2021 , 34 (1 ): 48 -54 .
[本文引用: 1]
SHEN D H , DENG D H , TIAN Y W . Operation and maintenance technology of GS16 gas metering valve of PGT25+ gas generator
[J]. Gas Turbine Technology , 2021 , 34 (1 ): 48 -54 .
[本文引用: 1]
[2]
罗易洲 . 航改型燃机燃调阀故障原因分析及改进措施
[J]. 压缩机技术 , 2023 (6 ): 57 -60 .
LUO Y Z . Cause analysis and improvement measures of fuel control valve fault in aviation reformed gas turbine
[J]. Compressor Technology , 2023 (6 ): 57 -60 .
[3]
王冠霖 . 天然气长输管道燃气轮机燃料气调节阀替换技术研究
[J]. 自动化博览 , 2016 , 33 (4 ): 86 -89 .
[本文引用: 1]
WANG G L . Replace technology research of gas turbine fuel gas regulating valve for long distance natural gas pipeline
[J]. Automation Panorama , 2016 , 33 (4 ): 86 -89 .
[本文引用: 1]
[4]
王海华 , 徐宁 , 忻明杰 . 超低扭矩立管三通球阀的研发
[J]. 上海煤气 , 2017 (1 ): 32 -36 .
[本文引用: 1]
WANG H H , XU N , XIN M J . Research and development of tee valve with low torque
[J]. Shanghai Gas , 2017 (1 ): 32 -36 .
[本文引用: 1]
[6]
史振明 . 阀门流致振动和阀杆扭矩的动态特性研究
[D]. 上海 : 华东理工大学 , 2018 .
[本文引用: 2]
SHI Z M . Study on dynamic characteristics of valve in flow-induced vibration and stem torque
[D]. Shanghai : East China University of Science and Technology , 2018 .
[本文引用: 2]
[7]
SUN X F , ZHAO Z . Simulation and analysis on flow field of ball valve based on Fluent software
[J]. Journal of Physics: Conference Series , 2020 , 1650 (3 ): 032079 .
[本文引用: 1]
[8]
何顺高 , 杨孝均 , 袁伟 , 等 . 固定球阀力矩计算的探讨
[J]. 科技风 , 2023 (1 ): 64 -66 .
[本文引用: 2]
HE S G , YANG X J , YUAN W , et al . Discussion on torque calculation of fixed ball valve
[J]. Technology Wind , 2023 (1 ): 64 -66 .
[本文引用: 2]
[9]
施钦天 , 黄赛荣 , 刘辉 , 等 . 温度变化对球阀扭矩的影响
[J]. 阀门 , 2023 (2 ): 175 -179 .
[本文引用: 1]
SHI Q T , HUANG S R , LIU H , et al . Effect of temperature change on the torque of ball valve
[J]. Chinese Journal of Valve , 2023 (2 ): 175 -179 .
[本文引用: 1]
[10]
郑科辉 , 徐佩金 . 小型高压球阀扭矩的影响因素分析及其控制措施
[J]. 机床与液压 , 2014 , 42 (14 ): 72 -75 .
[本文引用: 1]
ZHENG K H , XU P J . Analysis of the affecting factors and controlling measures of the torque for small high pressure ball valve
[J]. Machine Tool & Hydraulics , 2014 , 42 (14 ): 72 -75 .
[本文引用: 1]
[11]
[本文引用: 1]
WANG Y L , LI X Y , LI B , et al . Simulation analysis of thermal-stress coupling for deep hole pressure retention sampling ball valves
[J]. Geological Survey of China , 2024 , 11 (5 ): 153 -160 .
DOI:10.3390/lubricants12050144
[本文引用: 1]
[12]
贾怀军 , 李春洋 , 龙艳 , 等 . V型调节球阀流动特性CFD仿真分析
[J]. 阀门 , 2024 (8 ): 919 -926 .
[本文引用: 1]
JIA H J , LI C Y , LONG Y , et al . CFD simulation analysis of flow characteristics of V-shaped ball valve
[J]. Chinese Journal of Valve , 2024 (8 ): 919 -926 .
[本文引用: 1]
[13]
ZHOU X M , WANG Z K , ZHANG Y F . A simple method for high-precision evaluation of valve flow coefficient by computational fluid dynamics simulation
[J]. Advances in Mechanical Engineering , 2017 , 9 (7 ): 1 -7 .
[本文引用: 1]
[14]
[本文引用: 1]
LI Y T , WANG Z Y . Optimization plan of column structure based on the by and large energetic execution of machine instrument
[J]. Modern Manufacturing Engineering , 2025 (3 ): 150 -157 .
DOI:10.1016/j.cose.2025.104564
[本文引用: 1]
[15]
陈云 , 周澳华 , 高聚堡 , 等 . 基于多工况拓扑优化的挤压铸造悬置托臂轻量化设计
[J]. 特种铸造及有色合金 , 2025 , 45 (9 ): 1312 -1319 .
CHEN Y , ZHOU A H , GAO J B , et al . Lightweight design of suspension arm in squeeze casting based on multi-condition topology optimization
[J]. Special Casting & Nonferrous Alloys , 2025 , 45 (9 ): 1312 -1319 .
[16]
CHUNG H , HWANG J T , GRAY J S , et al . Topology optimization in OpenMDAO
[J]. Structural and Multidisciplinary Optimization , 2019 , 59 (4 ): 1385 -1400 .
[17]
姜乃诚 , 殷德政 , 尤建洲 , 等 . 基于拓扑优化的复杂多工况空间刚架结构轻量化设计研究
[J/OL]. 工程力学 , 2025 : 1 -10 . (2025-02-19 ) [2025-05-10 ]. .
URL
JIANG N C , YIN D Z , YOU J Z , et al . Research on lightweight design of complex multi-condition space rigid frame structure upon topology optimization
[J/OL]. Engineering Mechanics , 2025 : 1 -10 . (2025-02-19 ) [2025-05-10 ]. .
URL
[18]
宁欣 , 朱志华 , 商少茹 , 等 . 基于响应面法的桥式起重机主梁多目标遗传优化设计
[J]. 河南科技学院学报(自然科学版) , 2025 , 53 (1 ): 66 -78 .
NING X , ZHU Z H , SHANG S R , et al . Multi-objective genetic optimization design of bridge crane main beam based on response surface method
[J]. Journal of Henan Institute of Science and Technology (Natural Science Edition) , 2025 , 53 (1 ): 66 -78 .
[19]
DUYSINX P , BENDSØE M P . Topology optimization of continuum structures with local stress constraints
[J]. International Journal for Numerical Methods in Engineering , 1998 , 43 (8 ): 1453 -1478 .
[本文引用: 1]
[20]
YANG R J , CHEN C J . Stress-based topology optimization
[J]. Structural Optimization , 1996 , 12 (2 ): 98 -105 .
[本文引用: 1]
[21]
WU Y D . Research on multiresponse robust optimization based on RSM
[C]//2017 2nd International Conference on Cybernetics, Robotics and Control . Chengdu, Jul . 21 -23 , 2017 .
[本文引用: 1]
[22]
WANG C L , XU D T , HUANG K X , et al . Multi-objective optimization of a triple-eccentric butterfly valve considering structural safety and sealing performance
[J]. ISA Transactions , 2024 , 155 : 295 -308 .
[23]
SONG X G , KIM S G , BAEK S H , et al . Structural optimization for ball valve made of CF8M stainless steel
[J]. Transactions of Nonferrous Metals Society of China , 2009 , 19 : s258 -s261 .
[24]
LEE S W , SHIN D Y , BYUN C W . Optimal design of the safety valve by response surface method
[J]. Journal of the Computational Structural Engineering Institute of Korea , 2007 , 20 (5 ): 551 -556 .
[本文引用: 1]
[25]
[本文引用: 1]
ZHU L , WANG P , JIA M P , et al . Analysis approach for influencing factors of structural reliability based on response surface corrected sensitivity model
[J]. Journal of Mechanical Engineering , 2022 , 58 (22 ): 160 -167 .
DOI:10.3901/jme.2022.22.160
[本文引用: 1]
[26]
黄晓云 , 夏胜建 , 全军 , 等 . 基于响应面法的管线平板闸阀浮动阀座结构参数多目标优化
[J]. 石油化工设备 , 2022 , 51 (4 ): 7 -14 .
[本文引用: 1]
HUANG X Y , XIA S J , QUAN J , et al . Multi-objective optimization of structural parameters of floating valve seat of pipeline plate gate valve based on response surface method
[J]. Petro-Chemical Equipment , 2022 , 51 (4 ): 7 -14 .
[本文引用: 1]
[27]
隋帆 , 徐东涛 , 彭思达 , 等 . 抑制调节阀流场空化的响应面结构优化
[J]. 液压与气动 , 2024 , 48 (4 ): 133 -141 .
[本文引用: 1]
SUI F , XU D T , PENG S D , et al . Response surface structural optimization for regulating valve to suppress flow field cavitation
[J]. Chinese Hydraulics & Pneumatics , 2024 , 48 (4 ): 133 -141 .
[本文引用: 1]
[28]
卓文波 , 谭国笔 , 陈秋任 , 等 . 基于代理模型和NSGA-Ⅱ的超高强钢电阻点焊工艺参数多目标优化
[J]. 焊接学报 , 2024 , 45 (4 ): 20 -25 .
[本文引用: 1]
ZHUO W B , TAN G B , CHEN Q R , et al . Multi-objective optimization of resistance spot welding process parameters of ultra-high strength steel based on agent model and NSGA-Ⅱ
[J]. Transactions of the China Welding Institution , 2024 , 45 (4 ): 20 -25 .
[本文引用: 1]
[29]
LI M M , LIU S M , ZHANG L , et al . Non-dominated sorting genetic algorithms-II based on multi-objective optimization model in the water distribution system
[J]. Procedia Engineering , 2012 , 37 : 309 -313 .
[30]
XIE Y , SAVVARIS A , TSOURDOS A . Sizing of hybrid electric propulsion system for retrofitting a mid-scale aircraft using non-dominated sorting genetic algorithm
[J]. Aerospace Science and Technology , 2018 , 82-83 : 323 -333 .
[本文引用: 1]
PGT25+燃气轮机用GS16燃调阀的运行及维护技术
1
2021
... 燃气调节阀作为燃气输配系统中的关键控制元件,其工作性能直接影响整个系统的调节精度、响应速度与运行稳定性.目前,我国高性能燃气调节阀主要依赖进口.由于国外供应商的技术垄断,国内在燃气调节阀运行和维护方面难以深入开展工作,运维中出现的技术问题乃至备件采购仍需燃机厂商经手.面对解决问题周期长、技术服务费用高、备件采购成本不具备谈判条件等挑战,推动燃气调节阀国产化势在必行[1 -3 ] .现有燃气调节阀在启闭过程中所表现出的高扭矩特性是制约其性能提升的重要因素之一.高启闭扭矩不仅会导致执行机构负载增加、驱动功耗上升和动态响应迟缓,还会加速密封副磨损和缩短阀门寿命,进而影响燃气输配系统的长期可靠性与维护成本. ...
PGT25+燃气轮机用GS16燃调阀的运行及维护技术
1
2021
... 燃气调节阀作为燃气输配系统中的关键控制元件,其工作性能直接影响整个系统的调节精度、响应速度与运行稳定性.目前,我国高性能燃气调节阀主要依赖进口.由于国外供应商的技术垄断,国内在燃气调节阀运行和维护方面难以深入开展工作,运维中出现的技术问题乃至备件采购仍需燃机厂商经手.面对解决问题周期长、技术服务费用高、备件采购成本不具备谈判条件等挑战,推动燃气调节阀国产化势在必行[1 -3 ] .现有燃气调节阀在启闭过程中所表现出的高扭矩特性是制约其性能提升的重要因素之一.高启闭扭矩不仅会导致执行机构负载增加、驱动功耗上升和动态响应迟缓,还会加速密封副磨损和缩短阀门寿命,进而影响燃气输配系统的长期可靠性与维护成本. ...
航改型燃机燃调阀故障原因分析及改进措施
0
2023
航改型燃机燃调阀故障原因分析及改进措施
0
2023
天然气长输管道燃气轮机燃料气调节阀替换技术研究
1
2016
... 燃气调节阀作为燃气输配系统中的关键控制元件,其工作性能直接影响整个系统的调节精度、响应速度与运行稳定性.目前,我国高性能燃气调节阀主要依赖进口.由于国外供应商的技术垄断,国内在燃气调节阀运行和维护方面难以深入开展工作,运维中出现的技术问题乃至备件采购仍需燃机厂商经手.面对解决问题周期长、技术服务费用高、备件采购成本不具备谈判条件等挑战,推动燃气调节阀国产化势在必行[1 -3 ] .现有燃气调节阀在启闭过程中所表现出的高扭矩特性是制约其性能提升的重要因素之一.高启闭扭矩不仅会导致执行机构负载增加、驱动功耗上升和动态响应迟缓,还会加速密封副磨损和缩短阀门寿命,进而影响燃气输配系统的长期可靠性与维护成本. ...
天然气长输管道燃气轮机燃料气调节阀替换技术研究
1
2016
... 燃气调节阀作为燃气输配系统中的关键控制元件,其工作性能直接影响整个系统的调节精度、响应速度与运行稳定性.目前,我国高性能燃气调节阀主要依赖进口.由于国外供应商的技术垄断,国内在燃气调节阀运行和维护方面难以深入开展工作,运维中出现的技术问题乃至备件采购仍需燃机厂商经手.面对解决问题周期长、技术服务费用高、备件采购成本不具备谈判条件等挑战,推动燃气调节阀国产化势在必行[1 -3 ] .现有燃气调节阀在启闭过程中所表现出的高扭矩特性是制约其性能提升的重要因素之一.高启闭扭矩不仅会导致执行机构负载增加、驱动功耗上升和动态响应迟缓,还会加速密封副磨损和缩短阀门寿命,进而影响燃气输配系统的长期可靠性与维护成本. ...
超低扭矩立管三通球阀的研发
1
2017
... 燃气调节阀的主体结构为V形球阀.针对球阀的扭矩特性,学者们开展了广泛研究.王海华等[4 ] 针对燃气立管的安全需求,开发了一种超低扭矩三通球阀,通过黄铜镀镍材质适配镀锌管道,采用低扭矩锁定结构,降低了传统燃气立管带气操作的风险.李高权[5 ] 针对传统电动球阀启闭扭矩高、结构复杂的问题,提出了低扭矩一体化电动球阀设计方案,通过优化球体结构、密封配置及制造精度,有效降低了球阀的摩擦阻力,实现了小型化电驱动适配.史振明[6 ] 采用试验与仿真相结合的方法分析了球阀在动态工况下的扭矩变化特性,发现启闭初期的扭矩峰值主要由小开度下非稳态流动和局部涡流诱导所致,并在此基础上提出了流道与支撑结构的改进建议.Sun等[7 ] 利用Fluent软件对球阀流场进行了仿真模拟,建立了开度、流量系数、扭矩系数之间的数学关系式,为球阀的结构优化与扭矩预测提供了理论支持.何顺高等[8 ] 对固定球阀的扭矩组成进行了深入分析,重点推导了阀座密封面与球体之间摩擦扭矩的2种计算方法,并结合球阀的实际尺寸与试验数据验证了所提出模型的准确性,为扭矩计算方法的工程应用提供了可靠依据.施钦天等[9 ] 通过试验与理论建模相结合的方法,研究了高温工况下固定球阀的扭矩变化规律,结果表明:随着温度的升高,阀座和球体发生热膨胀,致使预紧力增大,进而导致扭矩显著增大.郑科辉等[10 ] 聚焦于小型高压浮动式球阀的装配与工作扭矩优化,分析了弹簧预紧力、材料摩擦系数与加工精度对扭矩的影响,并提出了通过控制弹簧变形量和采用调整垫片来弥补加工误差的方法,实现了扭矩在合理区间内的稳定控制. ...
超低扭矩立管三通球阀的研发
1
2017
... 燃气调节阀的主体结构为V形球阀.针对球阀的扭矩特性,学者们开展了广泛研究.王海华等[4 ] 针对燃气立管的安全需求,开发了一种超低扭矩三通球阀,通过黄铜镀镍材质适配镀锌管道,采用低扭矩锁定结构,降低了传统燃气立管带气操作的风险.李高权[5 ] 针对传统电动球阀启闭扭矩高、结构复杂的问题,提出了低扭矩一体化电动球阀设计方案,通过优化球体结构、密封配置及制造精度,有效降低了球阀的摩擦阻力,实现了小型化电驱动适配.史振明[6 ] 采用试验与仿真相结合的方法分析了球阀在动态工况下的扭矩变化特性,发现启闭初期的扭矩峰值主要由小开度下非稳态流动和局部涡流诱导所致,并在此基础上提出了流道与支撑结构的改进建议.Sun等[7 ] 利用Fluent软件对球阀流场进行了仿真模拟,建立了开度、流量系数、扭矩系数之间的数学关系式,为球阀的结构优化与扭矩预测提供了理论支持.何顺高等[8 ] 对固定球阀的扭矩组成进行了深入分析,重点推导了阀座密封面与球体之间摩擦扭矩的2种计算方法,并结合球阀的实际尺寸与试验数据验证了所提出模型的准确性,为扭矩计算方法的工程应用提供了可靠依据.施钦天等[9 ] 通过试验与理论建模相结合的方法,研究了高温工况下固定球阀的扭矩变化规律,结果表明:随着温度的升高,阀座和球体发生热膨胀,致使预紧力增大,进而导致扭矩显著增大.郑科辉等[10 ] 聚焦于小型高压浮动式球阀的装配与工作扭矩优化,分析了弹簧预紧力、材料摩擦系数与加工精度对扭矩的影响,并提出了通过控制弹簧变形量和采用调整垫片来弥补加工误差的方法,实现了扭矩在合理区间内的稳定控制. ...
低扭矩电动球阀设计与制造
1
2022
... 燃气调节阀的主体结构为V形球阀.针对球阀的扭矩特性,学者们开展了广泛研究.王海华等[4 ] 针对燃气立管的安全需求,开发了一种超低扭矩三通球阀,通过黄铜镀镍材质适配镀锌管道,采用低扭矩锁定结构,降低了传统燃气立管带气操作的风险.李高权[5 ] 针对传统电动球阀启闭扭矩高、结构复杂的问题,提出了低扭矩一体化电动球阀设计方案,通过优化球体结构、密封配置及制造精度,有效降低了球阀的摩擦阻力,实现了小型化电驱动适配.史振明[6 ] 采用试验与仿真相结合的方法分析了球阀在动态工况下的扭矩变化特性,发现启闭初期的扭矩峰值主要由小开度下非稳态流动和局部涡流诱导所致,并在此基础上提出了流道与支撑结构的改进建议.Sun等[7 ] 利用Fluent软件对球阀流场进行了仿真模拟,建立了开度、流量系数、扭矩系数之间的数学关系式,为球阀的结构优化与扭矩预测提供了理论支持.何顺高等[8 ] 对固定球阀的扭矩组成进行了深入分析,重点推导了阀座密封面与球体之间摩擦扭矩的2种计算方法,并结合球阀的实际尺寸与试验数据验证了所提出模型的准确性,为扭矩计算方法的工程应用提供了可靠依据.施钦天等[9 ] 通过试验与理论建模相结合的方法,研究了高温工况下固定球阀的扭矩变化规律,结果表明:随着温度的升高,阀座和球体发生热膨胀,致使预紧力增大,进而导致扭矩显著增大.郑科辉等[10 ] 聚焦于小型高压浮动式球阀的装配与工作扭矩优化,分析了弹簧预紧力、材料摩擦系数与加工精度对扭矩的影响,并提出了通过控制弹簧变形量和采用调整垫片来弥补加工误差的方法,实现了扭矩在合理区间内的稳定控制. ...
低扭矩电动球阀设计与制造
1
2022
... 燃气调节阀的主体结构为V形球阀.针对球阀的扭矩特性,学者们开展了广泛研究.王海华等[4 ] 针对燃气立管的安全需求,开发了一种超低扭矩三通球阀,通过黄铜镀镍材质适配镀锌管道,采用低扭矩锁定结构,降低了传统燃气立管带气操作的风险.李高权[5 ] 针对传统电动球阀启闭扭矩高、结构复杂的问题,提出了低扭矩一体化电动球阀设计方案,通过优化球体结构、密封配置及制造精度,有效降低了球阀的摩擦阻力,实现了小型化电驱动适配.史振明[6 ] 采用试验与仿真相结合的方法分析了球阀在动态工况下的扭矩变化特性,发现启闭初期的扭矩峰值主要由小开度下非稳态流动和局部涡流诱导所致,并在此基础上提出了流道与支撑结构的改进建议.Sun等[7 ] 利用Fluent软件对球阀流场进行了仿真模拟,建立了开度、流量系数、扭矩系数之间的数学关系式,为球阀的结构优化与扭矩预测提供了理论支持.何顺高等[8 ] 对固定球阀的扭矩组成进行了深入分析,重点推导了阀座密封面与球体之间摩擦扭矩的2种计算方法,并结合球阀的实际尺寸与试验数据验证了所提出模型的准确性,为扭矩计算方法的工程应用提供了可靠依据.施钦天等[9 ] 通过试验与理论建模相结合的方法,研究了高温工况下固定球阀的扭矩变化规律,结果表明:随着温度的升高,阀座和球体发生热膨胀,致使预紧力增大,进而导致扭矩显著增大.郑科辉等[10 ] 聚焦于小型高压浮动式球阀的装配与工作扭矩优化,分析了弹簧预紧力、材料摩擦系数与加工精度对扭矩的影响,并提出了通过控制弹簧变形量和采用调整垫片来弥补加工误差的方法,实现了扭矩在合理区间内的稳定控制. ...
阀门流致振动和阀杆扭矩的动态特性研究
2
2018
... 燃气调节阀的主体结构为V形球阀.针对球阀的扭矩特性,学者们开展了广泛研究.王海华等[4 ] 针对燃气立管的安全需求,开发了一种超低扭矩三通球阀,通过黄铜镀镍材质适配镀锌管道,采用低扭矩锁定结构,降低了传统燃气立管带气操作的风险.李高权[5 ] 针对传统电动球阀启闭扭矩高、结构复杂的问题,提出了低扭矩一体化电动球阀设计方案,通过优化球体结构、密封配置及制造精度,有效降低了球阀的摩擦阻力,实现了小型化电驱动适配.史振明[6 ] 采用试验与仿真相结合的方法分析了球阀在动态工况下的扭矩变化特性,发现启闭初期的扭矩峰值主要由小开度下非稳态流动和局部涡流诱导所致,并在此基础上提出了流道与支撑结构的改进建议.Sun等[7 ] 利用Fluent软件对球阀流场进行了仿真模拟,建立了开度、流量系数、扭矩系数之间的数学关系式,为球阀的结构优化与扭矩预测提供了理论支持.何顺高等[8 ] 对固定球阀的扭矩组成进行了深入分析,重点推导了阀座密封面与球体之间摩擦扭矩的2种计算方法,并结合球阀的实际尺寸与试验数据验证了所提出模型的准确性,为扭矩计算方法的工程应用提供了可靠依据.施钦天等[9 ] 通过试验与理论建模相结合的方法,研究了高温工况下固定球阀的扭矩变化规律,结果表明:随着温度的升高,阀座和球体发生热膨胀,致使预紧力增大,进而导致扭矩显著增大.郑科辉等[10 ] 聚焦于小型高压浮动式球阀的装配与工作扭矩优化,分析了弹簧预紧力、材料摩擦系数与加工精度对扭矩的影响,并提出了通过控制弹簧变形量和采用调整垫片来弥补加工误差的方法,实现了扭矩在合理区间内的稳定控制. ...
... 在燃气调节阀开启和关闭过程中,由于阀芯中间流道通孔会与阀门流道形成一定角度,在气体介质作用下,阀门会产生流致扭矩[6 ] .该扭矩可表示为: ...
阀门流致振动和阀杆扭矩的动态特性研究
2
2018
... 燃气调节阀的主体结构为V形球阀.针对球阀的扭矩特性,学者们开展了广泛研究.王海华等[4 ] 针对燃气立管的安全需求,开发了一种超低扭矩三通球阀,通过黄铜镀镍材质适配镀锌管道,采用低扭矩锁定结构,降低了传统燃气立管带气操作的风险.李高权[5 ] 针对传统电动球阀启闭扭矩高、结构复杂的问题,提出了低扭矩一体化电动球阀设计方案,通过优化球体结构、密封配置及制造精度,有效降低了球阀的摩擦阻力,实现了小型化电驱动适配.史振明[6 ] 采用试验与仿真相结合的方法分析了球阀在动态工况下的扭矩变化特性,发现启闭初期的扭矩峰值主要由小开度下非稳态流动和局部涡流诱导所致,并在此基础上提出了流道与支撑结构的改进建议.Sun等[7 ] 利用Fluent软件对球阀流场进行了仿真模拟,建立了开度、流量系数、扭矩系数之间的数学关系式,为球阀的结构优化与扭矩预测提供了理论支持.何顺高等[8 ] 对固定球阀的扭矩组成进行了深入分析,重点推导了阀座密封面与球体之间摩擦扭矩的2种计算方法,并结合球阀的实际尺寸与试验数据验证了所提出模型的准确性,为扭矩计算方法的工程应用提供了可靠依据.施钦天等[9 ] 通过试验与理论建模相结合的方法,研究了高温工况下固定球阀的扭矩变化规律,结果表明:随着温度的升高,阀座和球体发生热膨胀,致使预紧力增大,进而导致扭矩显著增大.郑科辉等[10 ] 聚焦于小型高压浮动式球阀的装配与工作扭矩优化,分析了弹簧预紧力、材料摩擦系数与加工精度对扭矩的影响,并提出了通过控制弹簧变形量和采用调整垫片来弥补加工误差的方法,实现了扭矩在合理区间内的稳定控制. ...
... 在燃气调节阀开启和关闭过程中,由于阀芯中间流道通孔会与阀门流道形成一定角度,在气体介质作用下,阀门会产生流致扭矩[6 ] .该扭矩可表示为: ...
Simulation and analysis on flow field of ball valve based on Fluent software
1
2020
... 燃气调节阀的主体结构为V形球阀.针对球阀的扭矩特性,学者们开展了广泛研究.王海华等[4 ] 针对燃气立管的安全需求,开发了一种超低扭矩三通球阀,通过黄铜镀镍材质适配镀锌管道,采用低扭矩锁定结构,降低了传统燃气立管带气操作的风险.李高权[5 ] 针对传统电动球阀启闭扭矩高、结构复杂的问题,提出了低扭矩一体化电动球阀设计方案,通过优化球体结构、密封配置及制造精度,有效降低了球阀的摩擦阻力,实现了小型化电驱动适配.史振明[6 ] 采用试验与仿真相结合的方法分析了球阀在动态工况下的扭矩变化特性,发现启闭初期的扭矩峰值主要由小开度下非稳态流动和局部涡流诱导所致,并在此基础上提出了流道与支撑结构的改进建议.Sun等[7 ] 利用Fluent软件对球阀流场进行了仿真模拟,建立了开度、流量系数、扭矩系数之间的数学关系式,为球阀的结构优化与扭矩预测提供了理论支持.何顺高等[8 ] 对固定球阀的扭矩组成进行了深入分析,重点推导了阀座密封面与球体之间摩擦扭矩的2种计算方法,并结合球阀的实际尺寸与试验数据验证了所提出模型的准确性,为扭矩计算方法的工程应用提供了可靠依据.施钦天等[9 ] 通过试验与理论建模相结合的方法,研究了高温工况下固定球阀的扭矩变化规律,结果表明:随着温度的升高,阀座和球体发生热膨胀,致使预紧力增大,进而导致扭矩显著增大.郑科辉等[10 ] 聚焦于小型高压浮动式球阀的装配与工作扭矩优化,分析了弹簧预紧力、材料摩擦系数与加工精度对扭矩的影响,并提出了通过控制弹簧变形量和采用调整垫片来弥补加工误差的方法,实现了扭矩在合理区间内的稳定控制. ...
固定球阀力矩计算的探讨
2
2023
... 燃气调节阀的主体结构为V形球阀.针对球阀的扭矩特性,学者们开展了广泛研究.王海华等[4 ] 针对燃气立管的安全需求,开发了一种超低扭矩三通球阀,通过黄铜镀镍材质适配镀锌管道,采用低扭矩锁定结构,降低了传统燃气立管带气操作的风险.李高权[5 ] 针对传统电动球阀启闭扭矩高、结构复杂的问题,提出了低扭矩一体化电动球阀设计方案,通过优化球体结构、密封配置及制造精度,有效降低了球阀的摩擦阻力,实现了小型化电驱动适配.史振明[6 ] 采用试验与仿真相结合的方法分析了球阀在动态工况下的扭矩变化特性,发现启闭初期的扭矩峰值主要由小开度下非稳态流动和局部涡流诱导所致,并在此基础上提出了流道与支撑结构的改进建议.Sun等[7 ] 利用Fluent软件对球阀流场进行了仿真模拟,建立了开度、流量系数、扭矩系数之间的数学关系式,为球阀的结构优化与扭矩预测提供了理论支持.何顺高等[8 ] 对固定球阀的扭矩组成进行了深入分析,重点推导了阀座密封面与球体之间摩擦扭矩的2种计算方法,并结合球阀的实际尺寸与试验数据验证了所提出模型的准确性,为扭矩计算方法的工程应用提供了可靠依据.施钦天等[9 ] 通过试验与理论建模相结合的方法,研究了高温工况下固定球阀的扭矩变化规律,结果表明:随着温度的升高,阀座和球体发生热膨胀,致使预紧力增大,进而导致扭矩显著增大.郑科辉等[10 ] 聚焦于小型高压浮动式球阀的装配与工作扭矩优化,分析了弹簧预紧力、材料摩擦系数与加工精度对扭矩的影响,并提出了通过控制弹簧变形量和采用调整垫片来弥补加工误差的方法,实现了扭矩在合理区间内的稳定控制. ...
... 假设作用于阀芯表面的力为均匀分布的正向压力.阀芯表面所受的作用力为介质作用力与最小密封比压所需的作用力之和[8 ] .介质作用力和弹簧预紧力通过阀座作用在阀芯上,实现阀座与阀芯间的密封,如图4 所示. ...
固定球阀力矩计算的探讨
2
2023
... 燃气调节阀的主体结构为V形球阀.针对球阀的扭矩特性,学者们开展了广泛研究.王海华等[4 ] 针对燃气立管的安全需求,开发了一种超低扭矩三通球阀,通过黄铜镀镍材质适配镀锌管道,采用低扭矩锁定结构,降低了传统燃气立管带气操作的风险.李高权[5 ] 针对传统电动球阀启闭扭矩高、结构复杂的问题,提出了低扭矩一体化电动球阀设计方案,通过优化球体结构、密封配置及制造精度,有效降低了球阀的摩擦阻力,实现了小型化电驱动适配.史振明[6 ] 采用试验与仿真相结合的方法分析了球阀在动态工况下的扭矩变化特性,发现启闭初期的扭矩峰值主要由小开度下非稳态流动和局部涡流诱导所致,并在此基础上提出了流道与支撑结构的改进建议.Sun等[7 ] 利用Fluent软件对球阀流场进行了仿真模拟,建立了开度、流量系数、扭矩系数之间的数学关系式,为球阀的结构优化与扭矩预测提供了理论支持.何顺高等[8 ] 对固定球阀的扭矩组成进行了深入分析,重点推导了阀座密封面与球体之间摩擦扭矩的2种计算方法,并结合球阀的实际尺寸与试验数据验证了所提出模型的准确性,为扭矩计算方法的工程应用提供了可靠依据.施钦天等[9 ] 通过试验与理论建模相结合的方法,研究了高温工况下固定球阀的扭矩变化规律,结果表明:随着温度的升高,阀座和球体发生热膨胀,致使预紧力增大,进而导致扭矩显著增大.郑科辉等[10 ] 聚焦于小型高压浮动式球阀的装配与工作扭矩优化,分析了弹簧预紧力、材料摩擦系数与加工精度对扭矩的影响,并提出了通过控制弹簧变形量和采用调整垫片来弥补加工误差的方法,实现了扭矩在合理区间内的稳定控制. ...
... 假设作用于阀芯表面的力为均匀分布的正向压力.阀芯表面所受的作用力为介质作用力与最小密封比压所需的作用力之和[8 ] .介质作用力和弹簧预紧力通过阀座作用在阀芯上,实现阀座与阀芯间的密封,如图4 所示. ...
温度变化对球阀扭矩的影响
1
2023
... 燃气调节阀的主体结构为V形球阀.针对球阀的扭矩特性,学者们开展了广泛研究.王海华等[4 ] 针对燃气立管的安全需求,开发了一种超低扭矩三通球阀,通过黄铜镀镍材质适配镀锌管道,采用低扭矩锁定结构,降低了传统燃气立管带气操作的风险.李高权[5 ] 针对传统电动球阀启闭扭矩高、结构复杂的问题,提出了低扭矩一体化电动球阀设计方案,通过优化球体结构、密封配置及制造精度,有效降低了球阀的摩擦阻力,实现了小型化电驱动适配.史振明[6 ] 采用试验与仿真相结合的方法分析了球阀在动态工况下的扭矩变化特性,发现启闭初期的扭矩峰值主要由小开度下非稳态流动和局部涡流诱导所致,并在此基础上提出了流道与支撑结构的改进建议.Sun等[7 ] 利用Fluent软件对球阀流场进行了仿真模拟,建立了开度、流量系数、扭矩系数之间的数学关系式,为球阀的结构优化与扭矩预测提供了理论支持.何顺高等[8 ] 对固定球阀的扭矩组成进行了深入分析,重点推导了阀座密封面与球体之间摩擦扭矩的2种计算方法,并结合球阀的实际尺寸与试验数据验证了所提出模型的准确性,为扭矩计算方法的工程应用提供了可靠依据.施钦天等[9 ] 通过试验与理论建模相结合的方法,研究了高温工况下固定球阀的扭矩变化规律,结果表明:随着温度的升高,阀座和球体发生热膨胀,致使预紧力增大,进而导致扭矩显著增大.郑科辉等[10 ] 聚焦于小型高压浮动式球阀的装配与工作扭矩优化,分析了弹簧预紧力、材料摩擦系数与加工精度对扭矩的影响,并提出了通过控制弹簧变形量和采用调整垫片来弥补加工误差的方法,实现了扭矩在合理区间内的稳定控制. ...
温度变化对球阀扭矩的影响
1
2023
... 燃气调节阀的主体结构为V形球阀.针对球阀的扭矩特性,学者们开展了广泛研究.王海华等[4 ] 针对燃气立管的安全需求,开发了一种超低扭矩三通球阀,通过黄铜镀镍材质适配镀锌管道,采用低扭矩锁定结构,降低了传统燃气立管带气操作的风险.李高权[5 ] 针对传统电动球阀启闭扭矩高、结构复杂的问题,提出了低扭矩一体化电动球阀设计方案,通过优化球体结构、密封配置及制造精度,有效降低了球阀的摩擦阻力,实现了小型化电驱动适配.史振明[6 ] 采用试验与仿真相结合的方法分析了球阀在动态工况下的扭矩变化特性,发现启闭初期的扭矩峰值主要由小开度下非稳态流动和局部涡流诱导所致,并在此基础上提出了流道与支撑结构的改进建议.Sun等[7 ] 利用Fluent软件对球阀流场进行了仿真模拟,建立了开度、流量系数、扭矩系数之间的数学关系式,为球阀的结构优化与扭矩预测提供了理论支持.何顺高等[8 ] 对固定球阀的扭矩组成进行了深入分析,重点推导了阀座密封面与球体之间摩擦扭矩的2种计算方法,并结合球阀的实际尺寸与试验数据验证了所提出模型的准确性,为扭矩计算方法的工程应用提供了可靠依据.施钦天等[9 ] 通过试验与理论建模相结合的方法,研究了高温工况下固定球阀的扭矩变化规律,结果表明:随着温度的升高,阀座和球体发生热膨胀,致使预紧力增大,进而导致扭矩显著增大.郑科辉等[10 ] 聚焦于小型高压浮动式球阀的装配与工作扭矩优化,分析了弹簧预紧力、材料摩擦系数与加工精度对扭矩的影响,并提出了通过控制弹簧变形量和采用调整垫片来弥补加工误差的方法,实现了扭矩在合理区间内的稳定控制. ...
小型高压球阀扭矩的影响因素分析及其控制措施
1
2014
... 燃气调节阀的主体结构为V形球阀.针对球阀的扭矩特性,学者们开展了广泛研究.王海华等[4 ] 针对燃气立管的安全需求,开发了一种超低扭矩三通球阀,通过黄铜镀镍材质适配镀锌管道,采用低扭矩锁定结构,降低了传统燃气立管带气操作的风险.李高权[5 ] 针对传统电动球阀启闭扭矩高、结构复杂的问题,提出了低扭矩一体化电动球阀设计方案,通过优化球体结构、密封配置及制造精度,有效降低了球阀的摩擦阻力,实现了小型化电驱动适配.史振明[6 ] 采用试验与仿真相结合的方法分析了球阀在动态工况下的扭矩变化特性,发现启闭初期的扭矩峰值主要由小开度下非稳态流动和局部涡流诱导所致,并在此基础上提出了流道与支撑结构的改进建议.Sun等[7 ] 利用Fluent软件对球阀流场进行了仿真模拟,建立了开度、流量系数、扭矩系数之间的数学关系式,为球阀的结构优化与扭矩预测提供了理论支持.何顺高等[8 ] 对固定球阀的扭矩组成进行了深入分析,重点推导了阀座密封面与球体之间摩擦扭矩的2种计算方法,并结合球阀的实际尺寸与试验数据验证了所提出模型的准确性,为扭矩计算方法的工程应用提供了可靠依据.施钦天等[9 ] 通过试验与理论建模相结合的方法,研究了高温工况下固定球阀的扭矩变化规律,结果表明:随着温度的升高,阀座和球体发生热膨胀,致使预紧力增大,进而导致扭矩显著增大.郑科辉等[10 ] 聚焦于小型高压浮动式球阀的装配与工作扭矩优化,分析了弹簧预紧力、材料摩擦系数与加工精度对扭矩的影响,并提出了通过控制弹簧变形量和采用调整垫片来弥补加工误差的方法,实现了扭矩在合理区间内的稳定控制. ...
小型高压球阀扭矩的影响因素分析及其控制措施
1
2014
... 燃气调节阀的主体结构为V形球阀.针对球阀的扭矩特性,学者们开展了广泛研究.王海华等[4 ] 针对燃气立管的安全需求,开发了一种超低扭矩三通球阀,通过黄铜镀镍材质适配镀锌管道,采用低扭矩锁定结构,降低了传统燃气立管带气操作的风险.李高权[5 ] 针对传统电动球阀启闭扭矩高、结构复杂的问题,提出了低扭矩一体化电动球阀设计方案,通过优化球体结构、密封配置及制造精度,有效降低了球阀的摩擦阻力,实现了小型化电驱动适配.史振明[6 ] 采用试验与仿真相结合的方法分析了球阀在动态工况下的扭矩变化特性,发现启闭初期的扭矩峰值主要由小开度下非稳态流动和局部涡流诱导所致,并在此基础上提出了流道与支撑结构的改进建议.Sun等[7 ] 利用Fluent软件对球阀流场进行了仿真模拟,建立了开度、流量系数、扭矩系数之间的数学关系式,为球阀的结构优化与扭矩预测提供了理论支持.何顺高等[8 ] 对固定球阀的扭矩组成进行了深入分析,重点推导了阀座密封面与球体之间摩擦扭矩的2种计算方法,并结合球阀的实际尺寸与试验数据验证了所提出模型的准确性,为扭矩计算方法的工程应用提供了可靠依据.施钦天等[9 ] 通过试验与理论建模相结合的方法,研究了高温工况下固定球阀的扭矩变化规律,结果表明:随着温度的升高,阀座和球体发生热膨胀,致使预紧力增大,进而导致扭矩显著增大.郑科辉等[10 ] 聚焦于小型高压浮动式球阀的装配与工作扭矩优化,分析了弹簧预紧力、材料摩擦系数与加工精度对扭矩的影响,并提出了通过控制弹簧变形量和采用调整垫片来弥补加工误差的方法,实现了扭矩在合理区间内的稳定控制. ...
深孔保压取样球阀热-应力耦合仿真分析
1
2024
... 为研究气体流通对燃气调节阀扭矩特性的影响,对不同开度下的燃气调节阀进行仿真分析,以分析其在各开度下所受的流致扭矩.利用三维建模软件对V形球阀结构进行适度简化,提取阀腔、阀芯通道、阀芯前通道(进口段)以及阀芯后通道(出口段)四个区域作为数值模拟的流体计算域,如图5 所示.选取阀芯开度为6.25%、12.5%、25%、43.75%、61.5%和81.25%的6种典型工况,建立相应的三维模型.完成三维建模后,采用ANSYS Meshing工具进行网格划分,对阀芯表面进行局部加密控制[11 ] ,最大单元尺寸限制在0.5 mm以内,整体网格数量约为300万个,以确保计算精度. ...
深孔保压取样球阀热-应力耦合仿真分析
1
2024
... 为研究气体流通对燃气调节阀扭矩特性的影响,对不同开度下的燃气调节阀进行仿真分析,以分析其在各开度下所受的流致扭矩.利用三维建模软件对V形球阀结构进行适度简化,提取阀腔、阀芯通道、阀芯前通道(进口段)以及阀芯后通道(出口段)四个区域作为数值模拟的流体计算域,如图5 所示.选取阀芯开度为6.25%、12.5%、25%、43.75%、61.5%和81.25%的6种典型工况,建立相应的三维模型.完成三维建模后,采用ANSYS Meshing工具进行网格划分,对阀芯表面进行局部加密控制[11 ] ,最大单元尺寸限制在0.5 mm以内,整体网格数量约为300万个,以确保计算精度. ...
V型调节球阀流动特性CFD仿真分析
1
2024
... 选用工程应用中广泛采用的标准k -ε 湍流模型作为求解方法,初始湍流强度设置为5%.该模型具有计算稳定、适用范围广和收敛速度快等优点[12 ] ,能够较好地描述阀门内部复杂湍流的流动行为.仿真介质为空气,采用理想气体状态方程描述其密度变化,从而考虑介质压缩性对流场特性的影响.气体介质的动力黏度取1.81×10-5 Pa·s,符合常温常压下空气的实际物性参数.边界条件设置如下:阀体内壁与阀芯表面均设置为无滑移固体壁面,以模拟实际工况下气体与固体壁面的黏附效应[13 ] ;阀门进口设置为压力入口,进口压力为1.0 MPa,出口设置为压力出口,出口压力为0.8 MPa.为确保求解的准确性和稳定性,采用稳态求解器进行计算,并设定以收敛残差为1.0×10-5 为停止准则. ...
V型调节球阀流动特性CFD仿真分析
1
2024
... 选用工程应用中广泛采用的标准k -ε 湍流模型作为求解方法,初始湍流强度设置为5%.该模型具有计算稳定、适用范围广和收敛速度快等优点[12 ] ,能够较好地描述阀门内部复杂湍流的流动行为.仿真介质为空气,采用理想气体状态方程描述其密度变化,从而考虑介质压缩性对流场特性的影响.气体介质的动力黏度取1.81×10-5 Pa·s,符合常温常压下空气的实际物性参数.边界条件设置如下:阀体内壁与阀芯表面均设置为无滑移固体壁面,以模拟实际工况下气体与固体壁面的黏附效应[13 ] ;阀门进口设置为压力入口,进口压力为1.0 MPa,出口设置为压力出口,出口压力为0.8 MPa.为确保求解的准确性和稳定性,采用稳态求解器进行计算,并设定以收敛残差为1.0×10-5 为停止准则. ...
A simple method for high-precision evaluation of valve flow coefficient by computational fluid dynamics simulation
1
2017
... 选用工程应用中广泛采用的标准k -ε 湍流模型作为求解方法,初始湍流强度设置为5%.该模型具有计算稳定、适用范围广和收敛速度快等优点[12 ] ,能够较好地描述阀门内部复杂湍流的流动行为.仿真介质为空气,采用理想气体状态方程描述其密度变化,从而考虑介质压缩性对流场特性的影响.气体介质的动力黏度取1.81×10-5 Pa·s,符合常温常压下空气的实际物性参数.边界条件设置如下:阀体内壁与阀芯表面均设置为无滑移固体壁面,以模拟实际工况下气体与固体壁面的黏附效应[13 ] ;阀门进口设置为压力入口,进口压力为1.0 MPa,出口设置为压力出口,出口压力为0.8 MPa.为确保求解的准确性和稳定性,采用稳态求解器进行计算,并设定以收敛残差为1.0×10-5 为停止准则. ...
基于机床整机动态性能的立柱结构优化设计
1
2025
... 拓扑优化是一种工程设计优化方法,通过调整结构形状,可以在满足性能和约束的条件下实现最佳结构性能.拓扑优化主要用于减少材料、降低重量和改善整体性能[14 -19 ] .为了降低阀座与阀芯之间的摩擦扭矩,本文采用拓扑优化运算效率较高的变密度法对阀座结构进行优化设计.该方法通过不断迭代来削减对结构性能影响较小的单元. ...
基于机床整机动态性能的立柱结构优化设计
1
2025
... 拓扑优化是一种工程设计优化方法,通过调整结构形状,可以在满足性能和约束的条件下实现最佳结构性能.拓扑优化主要用于减少材料、降低重量和改善整体性能[14 -19 ] .为了降低阀座与阀芯之间的摩擦扭矩,本文采用拓扑优化运算效率较高的变密度法对阀座结构进行优化设计.该方法通过不断迭代来削减对结构性能影响较小的单元. ...
基于多工况拓扑优化的挤压铸造悬置托臂轻量化设计
0
2025
基于多工况拓扑优化的挤压铸造悬置托臂轻量化设计
0
2025
Topology optimization in OpenMDAO
0
2019
基于拓扑优化的复杂多工况空间刚架结构轻量化设计研究
0
2025
基于拓扑优化的复杂多工况空间刚架结构轻量化设计研究
0
2025
基于响应面法的桥式起重机主梁多目标遗传优化设计
0
2025
基于响应面法的桥式起重机主梁多目标遗传优化设计
0
2025
Topology optimization of continuum structures with local stress constraints
1
1998
... 拓扑优化是一种工程设计优化方法,通过调整结构形状,可以在满足性能和约束的条件下实现最佳结构性能.拓扑优化主要用于减少材料、降低重量和改善整体性能[14 -19 ] .为了降低阀座与阀芯之间的摩擦扭矩,本文采用拓扑优化运算效率较高的变密度法对阀座结构进行优化设计.该方法通过不断迭代来削减对结构性能影响较小的单元. ...
Stress-based topology optimization
1
1996
... 以阀座质量不超过初始总质量的70%为约束条件,以应力最小化为优化目标[20 ] ,对阀座进行拓扑优化.所构建的拓扑优化数学模型如下: ...
Research on multiresponse robust optimization based on RSM
1
2017
... 响应面法是一种基于数学模型的试验设计和数据分析方法,通过建立设计变量与响应目标之间的函数关系,来实现响应目标的优化[21 -24 ] .在响应面优化过程中,通常采用一阶或二阶多项式回归模型作为响应面的数学表达形式,即通过多元回归分析来描述设计变量与响应目标之间的定量关系.常用的一阶、二阶响应面回归模型可分别表示为: ...
Multi-objective optimization of a triple-eccentric butterfly valve considering structural safety and sealing performance
0
2024
Structural optimization for ball valve made of CF8M stainless steel
0
2009
Optimal design of the safety valve by response surface method
1
2007
... 响应面法是一种基于数学模型的试验设计和数据分析方法,通过建立设计变量与响应目标之间的函数关系,来实现响应目标的优化[21 -24 ] .在响应面优化过程中,通常采用一阶或二阶多项式回归模型作为响应面的数学表达形式,即通过多元回归分析来描述设计变量与响应目标之间的定量关系.常用的一阶、二阶响应面回归模型可分别表示为: ...
基于响应面修正敏度模型的结构可靠性影响因素分析方法
1
2022
... 基于上文分析,对阀座前后端面积差A 、弹簧预紧力B 和格莱圈压缩率C 进行优化,以降低燃气调节阀的机械摩擦扭矩.设计变量 x 可表示为[25 -26 ] : ...
基于响应面修正敏度模型的结构可靠性影响因素分析方法
1
2022
... 基于上文分析,对阀座前后端面积差A 、弹簧预紧力B 和格莱圈压缩率C 进行优化,以降低燃气调节阀的机械摩擦扭矩.设计变量 x 可表示为[25 -26 ] : ...
基于响应面法的管线平板闸阀浮动阀座结构参数多目标优化
1
2022
... 基于上文分析,对阀座前后端面积差A 、弹簧预紧力B 和格莱圈压缩率C 进行优化,以降低燃气调节阀的机械摩擦扭矩.设计变量 x 可表示为[25 -26 ] : ...
基于响应面法的管线平板闸阀浮动阀座结构参数多目标优化
1
2022
... 基于上文分析,对阀座前后端面积差A 、弹簧预紧力B 和格莱圈压缩率C 进行优化,以降低燃气调节阀的机械摩擦扭矩.设计变量 x 可表示为[25 -26 ] : ...
抑制调节阀流场空化的响应面结构优化
1
2024
... 为分析机械摩擦扭矩与泄漏量响应面回归模型的显著性,对其进行方差分析,结果分别如表3 和表4 所示.表中:F 值用于衡量回归模型及各因素对响应目标影响的显著性,F 值越大,表示模型或因素的影响越显著[27 ] ;P 值表示不拒绝原假设的程度,P< 0.05,说明模型或因素具有统计显著性. ...
抑制调节阀流场空化的响应面结构优化
1
2024
... 为分析机械摩擦扭矩与泄漏量响应面回归模型的显著性,对其进行方差分析,结果分别如表3 和表4 所示.表中:F 值用于衡量回归模型及各因素对响应目标影响的显著性,F 值越大,表示模型或因素的影响越显著[27 ] ;P 值表示不拒绝原假设的程度,P< 0.05,说明模型或因素具有统计显著性. ...
基于代理模型和NSGA-Ⅱ的超高强钢电阻点焊工艺参数多目标优化
1
2024
... NSGA-II是在GA的基础上改进得到的,其基于Pareto最优解来解决多目标优化问题.与其他多目标优化算法相比,NSGA-II具有较好的全局搜索能力和鲁棒性,可在优化过程中同时评估决策空间中的多个解,且能够有效保持种群多样性,以避免收敛于局部最优解.这对于涉及多个约束条件和设计变量的结构优化问题尤为重要[28 -30 ] .因此,本文选用NSGA-II对燃气调节阀的结构参数进行多目标优化. ...
基于代理模型和NSGA-Ⅱ的超高强钢电阻点焊工艺参数多目标优化
1
2024
... NSGA-II是在GA的基础上改进得到的,其基于Pareto最优解来解决多目标优化问题.与其他多目标优化算法相比,NSGA-II具有较好的全局搜索能力和鲁棒性,可在优化过程中同时评估决策空间中的多个解,且能够有效保持种群多样性,以避免收敛于局部最优解.这对于涉及多个约束条件和设计变量的结构优化问题尤为重要[28 -30 ] .因此,本文选用NSGA-II对燃气调节阀的结构参数进行多目标优化. ...
Non-dominated sorting genetic algorithms-II based on multi-objective optimization model in the water distribution system
0
2012
Sizing of hybrid electric propulsion system for retrofitting a mid-scale aircraft using non-dominated sorting genetic algorithm
1
2018
... NSGA-II是在GA的基础上改进得到的,其基于Pareto最优解来解决多目标优化问题.与其他多目标优化算法相比,NSGA-II具有较好的全局搜索能力和鲁棒性,可在优化过程中同时评估决策空间中的多个解,且能够有效保持种群多样性,以避免收敛于局部最优解.这对于涉及多个约束条件和设计变量的结构优化问题尤为重要[28 -30 ] .因此,本文选用NSGA-II对燃气调节阀的结构参数进行多目标优化. ...