燃气调节阀低扭矩优化设计及试验研究
刘广奥,陈英龙,罗畅敏,闫博,高飞

Optimization design and experimental study of gas control valve with low torque
Guang'ao LIU,Yinglong CHEN,Changmin LUO,Bo YAN,Fei GAO
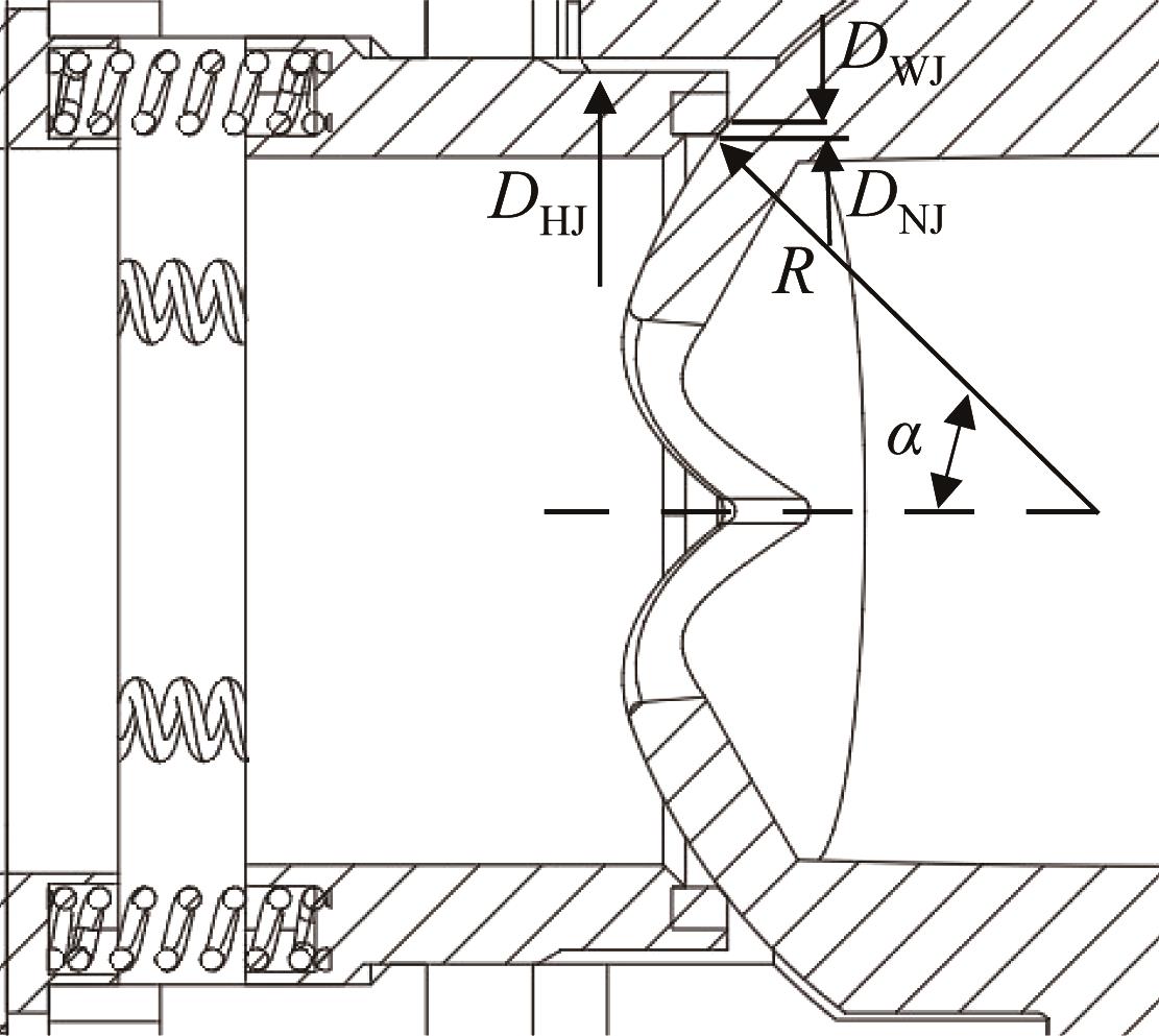
图4 燃气调节阀密封结构
Fig.4 Sealing structure of gas control valve