本文链接 :https://www.zjujournals.com/gcsjxb/CN/10.3785/j.issn.1006-754X.2024.03.210
高速耐雨蚀测试装置可用于在实验室环境下模拟飞机在飞行过程中的雨蚀状况,从而实现对其表面涂层耐雨蚀性能的综合评估。根据耐雨蚀试验标准,当测试装置达到最大工作角速度(350 rad/s)时,雨蚀叶片的横向振幅不能超过2×10-4 m,这是因为振幅过大会影响测试装置的稳定性和安全性。然而,在测试装置的实际工作过程中,由于旋叶连接盘质量偏心以及转子不平衡磁拉力等因素的存在,转子-雨蚀叶片系统会产生横向振动。
目前,国内外很多学者针对转子和叶片的振动问题,从多个方面展开了广泛研究。例如:杨铮鑫等[1 ] 、吴锦涛等[2 ] 、Bhamu等[3 ] 、吴志渊等[4 ] 基于有限元分析法分别建立了叶片-轮盘结构、某火箭发动机部分进气涡轮盘、汽轮机开裂叶片、转轴-轮盘-裂纹叶片耦合系统的有限元模型,并研究了各系统的振动响应特性。李书进等[5 ] 、代元军等[6 ] 、周子宣等[7 ] 、潘宏刚等[8 ] 、沈国际等[9 ] 、裘孙洋等[10 ] 研究了结构参数对风力发电机叶片、风轮、叶盘系统振动特性的影响,如叶片的扭转角、半径比、裂纹数量及包角角度等。徐涛等[11 ] 、姜华等[12 ] 、Abbas等[13 ] 、周震霆等[14 ] 、白叶飞等[15 ] 分析了外部激励对涡轮叶片、旋风机叶片、压气机叶片振动响应的影响规律。白杨溪等[16 ] 、刘一雄等[17 ] 、魏建宝等[18 ] 通过建立动力学模型分析了采煤机摇臂、风扇叶盘、万向联轴器的振动特性。为了降低振动对系统运行的影响,学者们通过采用不同的控制方法来抑制振动。常新宇等[19 ] 、Hashemi等[20 ] 、Pustina等[21 ] 分别利用动力吸振器、包含压电陶瓷作动器的主动控制系统和新型多层控制方法来抑制转子-叶片系统、风力机叶片的振动。上述研究可为转子、叶片的振动分析提供理论参考,但目前仍缺乏针对高速耐雨蚀测试装置中转子-雨蚀叶片系统振动分析与控制的研究。
为此,本文针对高速耐雨蚀测试装置运行过程中存在的横向振动问题,考虑雨蚀叶片振动、旋叶连接盘质量偏心及转子不平衡磁拉力的影响,对转子-雨蚀叶片系统的振动特性进行理论分析。同时,为了降低雨蚀叶片在运行过程中的振幅,采用自抗扰解耦控制方法,并基于极点配置和带宽对扩张状态观测器的参数进行调节。最后,对采用自抗扰解耦控制前、后雨蚀叶片的振动特性进行实验研究,并与数值分析结果进行对比,以验证所采用控制方法的可行性与有效性。
1 转子-雨蚀叶片系统动力学模型的建立
1.1 转子-雨蚀叶片系统的振动模型
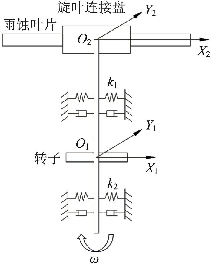
转子-雨蚀叶片系统是高速耐雨蚀测试装置中的主要运行系统。该系统主要包括雨蚀叶片、旋叶连接盘、转子、深沟球轴承Ⅰ和深沟球轴承Ⅱ等零部件。基于集中质量法,构建转子-雨蚀叶片系统的振动模型,如图1 所示。其中:坐标系O 1 -X 1 Y 1 的原点位于转子形心处,坐标系O 2 -X 2 Y 2 的原点位于旋叶连接盘形心处。考虑到雨蚀叶片振动、旋叶连接盘质量偏心及转子不平衡磁拉力等外部激励对转子-雨蚀叶片系统振动特性的影响较为复杂,仅考虑系统的横向振动。
图1
图1
转子-雨蚀叶片系统振动模型
Fig.1
Vibration model of rotor-rain erosion blade system
1.2 转子-雨蚀叶片系统的动力学方程
转子-雨蚀叶片系统的总动能T 包含转子动能T 1 、旋叶连接盘动能T 2 和雨蚀叶片动能T 3 ,即T = T 1 + T 2 + T 3 。由于高速耐雨蚀测试装置加工过程中存在制造误差,转子和旋叶连接盘存在质量偏心,则转子动能T 1 、旋叶连接盘动能T 2 的计算式如下:
T 1 = 1 2 m 1 x ˙ c 1 2 + y ˙ c 1 2 + 1 2 J 1 + m 1 e 1 2 φ ˙ 1 2 T 2 = 1 2 m 2 x ˙ c 2 2 + y ˙ c 2 2 + 1 2 J 2 + m 2 e 2 2 φ ˙ 2 2 (1)
式中:m 1 、m 2 分别为转子、旋叶连接盘的质量;(x c1 , y c1 )、(x c2 , y c2 )分别为转子、旋叶连接盘的质心坐标;J 1 、J 2 分别为转子、旋叶连接盘过形心的转动惯量;e 1 、e 2 分别为转子、旋叶连接盘的偏心距;φ 1 、φ 2 分别为转子、旋叶连接盘的转角,且φ 1 = φ 2 = ω t ,其中ω 为角速度。
x c 1 = x 1 + e 1 c o s φ 1 , y c 1 = y 1 + e 1 s i n φ 1 x c 2 = x 2 + e 2 c o s φ 2 , y c 2 = y 2 + e 2 s i n φ 2 (2)
式中:(x 1 , y 1 )、(x 2 , y 2 )分别为转子、旋叶连接盘的形心坐标。
T 1 = 1 2 m 1 x ˙ 1 2 + y ˙ 1 2 + e 1 2 φ ˙ 1 2 + 2 e 1 φ ˙ 1 y ˙ 1 c o s φ 1 - 2 e 1 φ ˙ 1 x ˙ 1 s i n φ 1 + 1 2 J 1 + m 1 e 1 2 φ ˙ 1 2 T 2 = 1 2 m 2 x ˙ 2 2 + y ˙ 2 2 + e 2 2 φ ˙ 2 2 + 2 e 2 φ ˙ 2 y ˙ 2 c o s φ 2 - 2 e 2 φ ˙ 2 x ˙ 2 s i n φ 2 + 1 2 J 2 + m 2 e 2 2 φ ˙ 2 2 (3)
雨蚀叶片的动能T 3 为n 个雨蚀叶片的动能之和。令第i 个雨蚀叶片的质心坐标(x a i , y a i )为:
x a i = x 2 + l i c o s θ a i y a i = y 2 + l i s i n θ a i (4)
式中:li 为第i 个雨蚀叶片的质心到旋叶连接盘形心的距离;θ a i 为第i 个雨蚀叶片的角位移,θ a i = ω t + α a i ,α a i = 2 π i - 1 / n ,其中α a i 为第i 个雨蚀叶片的位置。
T a i = 1 2 m a i x ˙ 2 2 + y ˙ 2 2 + l i 2 θ ˙ a i 2 + 2 l i θ ˙ a i y ˙ 2 c o s θ a i - 2 l i θ ˙ a i x ˙ 2 s i n θ a i + 1 2 J a i θ ˙ a i 2 (5)
式中:m a i 为第i 个雨蚀叶片的质量,J a i 为第i 个雨蚀叶片的转动惯量。
假设各雨蚀叶片完全相同,即可令m a i =m a1 ,则n 个雨蚀叶片的动能T 3 为:
T 3 = ∑ i = 1 n T a i = 1 2 m a 1 x ˙ 2 2 + y ˙ 2 2 + l 1 2 ω 2 + 1 2 J a 1 ω 2 n + m a 1 l 1 ω y ˙ 2 ∑ i = 1 n c o s θ a 1 - m a 1 l 1 ω x ˙ 2 ∑ i = 1 n s i n θ a 1 (6)
联立式(3)和式(6),可得转子-雨蚀叶片系统的总动能T :
T = T 1 + T 2 + T 3 = 1 2 m 1 x ˙ 1 2 + y ˙ 1 2 + e 1 2 φ ˙ 1 2 + 2 e 1 φ ˙ 1 y ˙ 1 c o s φ 1 - 2 e 1 φ ˙ 1 x ˙ 1 s i n φ 1 + 1 2 J 1 + m 1 e 1 2 φ ˙ 1 2 + 1 2 m 2 x ˙ 2 2 + y ˙ 2 2 + e 2 2 φ ˙ 2 2 + 2 e 2 φ ˙ 2 y ˙ 2 c o s φ 2 - 2 e 2 φ ˙ 2 x ˙ 2 s i n φ 2 + 1 2 J 2 + m 2 e 2 2 φ ˙ 2 2 + 1 2 m a 1 x ˙ 2 2 + y ˙ 2 2 + l 1 2 ω 2 + 1 2 J a 1 ω 2 n + m a 1 l 1 ω y ˙ 2 ∑ i = 1 n c o s θ a 1 - m a 1 l 1 ω x ˙ 2 ∑ i = 1 n s i n θ a 1 (7)
为分析转子-雨蚀叶片系统的势能,建立其二维结构示意图,如图2 所示。图中:A 1 、A 2 分别表示深沟球轴承Ⅰ、深沟球轴承Ⅱ的形心。
图2
图2
转子-雨蚀叶片系统二维结构示意
Fig.2
Schematic of two-dimensional structure of rotor-rain erosion blade system
令A 1 O 2 =a ,A 1 O 1 =b ,A 2 O 1 =c ,则可得电机传动轴在深沟球轴承Ⅰ、深沟球轴承Ⅱ处的径向位移r 3 、r 4 :
r 3 = a r 1 + b r 2 a + b r 4 = a + b + c r 1 - c r 2 a + b (8)
式中:r 1 、r 2 分别为转子、雨蚀叶片的横向位移,其中r 1 = x 1 2 + y 1 2 ,r 2 = x 2 2 + y 2 2 。
令A 1 O 1 =A 2 O 1 =A 1 O 2 /2,则式(8)可转化为:
r 3 = 2 r 1 + r 2 3 r 4 = 4 r 1 - r 2 3 (9)
忽略转子-雨蚀叶片系统运行过程中重力势能的变化,同时假设深沟球轴承各向同性且雨蚀叶片为刚性结构,则该系统的势能E 可表示为:
E = 1 2 k 1 r 3 2 + k 2 r 4 2 = 1 2 k 1 2 3 r 1 + 1 3 r 2 2 + 1 2 k 2 4 3 r 1 - 1 3 r 2 2 = 2 9 k 1 + 8 9 k 2 x 1 2 + y 1 2 + 1 18 k 1 + 1 18 k 2 x 2 2 + y 2 2 + 2 9 k 1 - 4 9 k 2 x 1 2 + y 1 2 x 2 2 + y 2 2 (10)
假设转子-雨蚀叶片系统在X 、Y 方向上存在阻尼,考虑到转子不平衡磁拉力的影响,该系统沿各方向的广义力Q 可表示为:
Q x 1 = - c 1 x ˙ 1 + F x , u m p Q y 1 = - c 1 y ˙ 1 + F y , u m p Q x 2 = - c 2 x ˙ 2 Q y 2 = - c 2 y ˙ 2 (11)
式中:c 1 、c 2 分别为转子、旋叶连接盘的阻尼系数,Fx , ump 、Fy , ump 分别为转子在X 、Y 方向上的不平衡磁拉力。
将转子-雨蚀叶片系统的动能、势能、广义力代入Lagrange方程,可得到该系统的运动微分方程:
m 1 x ¨ 1 + c 1 x ˙ 1 + 1 9 4 k 1 + 16 k 2 + 2 k 1 - 4 k 2 x 2 2 + y 2 2 x 1 2 + y 1 2 x 1 = m 1 e 1 ω 2 c o s ω t + F x , u m p m 1 y ¨ 1 + c 1 y ˙ 1 + 1 9 4 k 1 + 16 k 2 + 2 k 1 - 4 k 2 x 2 2 + y 2 2 x 1 2 + y 1 2 y 1 = m 1 e 1 ω 2 s i n ω t + F y , u m p m 2 + n m a 1 x ¨ 2 + c 2 x ˙ 2 + 1 9 k 1 + k 2 + 2 k 1 - 4 k 2 x 1 2 + y 1 2 x 2 2 + y 2 2 x 2 = m 2 e 2 ω 2 c o s ω t + m a 1 l 1 ω y ˙ 2 ∑ i = 1 n c o s θ a 1 m 2 + n m a 1 y ¨ 2 + c 2 y ˙ 2 + 1 9 k 1 + k 2 + 2 k 1 - 4 k 2 x 1 2 + y 1 2 x 2 2 + y 2 2 y 2 = m 2 e 2 ω 2 s i n ω t + m a 1 l 1 ω x ˙ 2 ∑ i = 1 n s i n θ a 1 (12)
2 转子-雨蚀叶片系统振动特性数值分析
对转子-雨蚀叶片系统开展振动特性数值分析,该系统的参数如表1 所示。
为研究转子-雨蚀叶片系统的振动特性,选取最小工作角速度(ω =150 rad/s)与最大工作角速度(ω =350 rad/s)两种工况,基于表1 所示参数,利用四阶Runge-Kutta算法对转子-雨蚀叶片系统的运动微分方程进行数值求解,得到转子和雨蚀叶片的轴心轨迹、振动位移时域图和Poincaré截面[18 ] ,分别如图3 和图4 所示。
图3
图3
ω =150 rad/s 时转子和雨蚀叶片的轴心轨迹、振动位移时域图和Poincaré 截面
Fig.3
Axis trajectory, vibration displacement time-domain map and Poincaré section of rotor and rain erosion blade with ω =150 rad/s
图4
图4
ω =350 rad/s 时转子和雨蚀叶片的轴心轨迹、振动位移时域图和Poincaré 截面
Fig.4
Axis trajectory, vibration displacement time-domain map and Poincaré section of rotor and rain erosion blade with ω =350 rad/s
由图3 (a )和图3 (e )可知,当ω =150 rad/s时,转子的轴心轨迹近似为圆环形,转子在X 方向上的最大振幅为1.04×10-5 m,在Y 方向上的最大振幅为1.04×10-5 m;雨蚀叶片的轴心轨迹与转子相似,皆为圆环形,但两者的振幅有所不同,雨蚀叶片在X 方向上的最大振幅为6.29×10-5 m,在Y 方向上的最大振幅为6.29×10-5 m。由图4 (a )和图4 (e )可知,当ω =350 rad/s时,转子的轴心轨迹也近似为圆环形,转子在X 方向上的最大振幅为1.66×10-4 m,在Y 方向上的最大振幅为1.67×10-4 m;雨蚀叶片的轴心轨迹同样为圆环形,雨蚀叶片在X 方向上的最大振幅为1.40×10-3 m,在Y 方向上的最大振幅为1.40×10-3 m。由此可知,在最小工作角速度工况下,雨蚀叶片的振幅在耐雨蚀试验标准的允许范围内,即小于2×10-4 m;在最大工作角速度工况下,雨蚀叶片的振幅达到1.40×10-3 m,出现了振动超标现象。由图3 和图4 所示的转子和雨蚀叶片的振动位移时域图和Poincaré截面可知,旋叶连接盘质量偏心、转子不平衡磁拉力等因素对转子-雨蚀叶片系统的影响逐渐体现,初始阶段转子和雨蚀叶片的振幅较大且其变化无规律,此时系统略有失稳,但失稳阶段只持续了较短时间;待系统趋于稳定后,转子、雨蚀叶片的振幅呈周期性变化。由转子和雨蚀叶片的Poincaré截面可知,若不考虑系统初始阶段的失稳过渡过程,只考虑Poincaré截面的稳态响应情况,可发现Poincaré截面呈现为多个点集构成的曲线,表明转子-雨蚀叶片系统由混沌运动状态进入拟周期运动状态。
为降低雨蚀叶片的振幅,将振幅控制在耐雨蚀试验标准所要求的允许范围内,以减轻雨蚀叶片的疲劳破坏程度,本文采用自抗扰解耦控制方法来抑制雨蚀叶片的横向振动,从而提升高速耐雨蚀测试装置运行的安全性和稳定性。
3 雨蚀叶片横向振动的自抗扰解耦控制
3.1 自抗扰控制器的设计
转子-雨蚀叶片系统的自抗扰控制结构如图5 所示。对于雨蚀叶片的X 、Y 方向振动位移及扰动,采用扩张状态观测器(extended state observer, ESO)进行实时估计,并根据ESO反馈值与跟踪微分器(tracking differentiator, TD)输出值之间的差值来设计控制律;同时,根据实时扰动的估计值进行补偿,以达到自抗扰目的[22 ] 。
图5
图5
转子-雨蚀叶片系统的自抗扰控制结构
Fig.5
Active disturbance rejection control structure for rotor-rain erosion blade system
z ˙ 1 = z 2 z ˙ 2 = f z 1 , z 2 , t , w t + b u p = z 1 (13)
式中:z 1 、z 2 为系统状态,w ( t ) 为系统所受的内外总扰动[22 ] ,u 为控制量,b 为控制器增益,p 为输出量。
z 3 = f ( z 1 , z 2 , t , w ( t ) ) (14)
令z ˙ 3 = ϖ ( t ) ,则式(13)所示的非线性系统可扩张成新的线性系统:
z ˙ 1 = z 2 z ˙ 2 = z 3 + b u z ˙ 3 = ϖ ( t ) p = z 1 (15)
g = χ 1 - p χ 1 = χ 1 + h ( z 2 - η 1 g ) χ 2 = χ 2 + h ( z 3 - η 2 g + b u ) χ 3 = χ 3 + h ( - η 3 g ) (16)
式中:g 为误差;h 为采样步长;η 1 、η 2 、η 3 为ESO的增益;χ 1 、χ 2 、χ 3 为控制器的状态变量,其中χ 1 跟随系统输出p ,χ 2 跟随输出p 的微分,χ 3 用于观测系统总扰动。
则ESO的输入p 与输出χ 1 、χ 2 、χ 3 之间的传递关系可表示为:
χ 1 = ϑ 1 ( s ) p = η 1 s 2 + η 2 s + η 3 s 3 + η 1 s 2 + η 2 s + η 3 p χ 2 = ϑ 2 ( s ) p = η 2 s 2 + η 3 s s 3 + η 1 s 2 + η 2 s + η 3 p χ 3 = ϑ 3 ( s ) p = η 3 s 2 s 3 + η 1 s 2 + η 2 s + η 3 p (17)
式中:ϑ 1 ( s ) 、ϑ 2 ( s ) 、ϑ 3 ( s ) 为传递函数。
根据式(17)所示的传递函数,可将系统极点配置在ESO带宽频率处,进而可得η 1 η 2 η 3 = 3 w o 3 w o 2 w o 3 ,其中w o 为ESO的带宽频率。
对于控制律,本文采用非线性PID(proportional-integral-derivative,比例-积分-微分),其具体形式为:
u = κ 1 f a l ( g 1 , μ 1 , ς ) + κ 2 f a l ( g 2 , μ 2 , ς ) + κ 3 f a l ( g 3 , μ 3 , ς ) (18)
f a l ( g , μ , ς ) = g ς μ - 1 , g ≤ ς g μ s i g n ( g ) , g > ς
式中:κ 1 、κ 3 、κ 3 为误差的反馈增益,μ 1 、μ 2 、μ 3 为0~1之间的常数,ς 为影响滤波效果的常数。
式(18)中的μ 1 、μ 2 、μ 3 、ς 可直接确定,本文取μ 1 = 0.25 ,μ 2 = 0.75 ,μ 3 = 1.5 0 ,ς = h 。鉴于ESO能够实时估计扰动并进行补偿,故可调参数仅包含各误差的反馈增益,则扰动补偿过程可表示为:
u = u 0 - χ 3 b 0 (19)
3.2 自抗扰解耦振动控制方案
转子-雨蚀叶片系统各自由度之间存在非线性强耦合关系,致使被控对象输出之间存在相互影响或耦合,进而导致控制难度增加或控制性能下降。为了有效解决该问题,本文采用多个自抗扰控制器进行解耦控制,以减弱或消除输出之间的相互影响,从而提高控制系统的效率和性能。
z ¨ 1 = f 1 ( z 1 , z ˙ 1 , ⋯ , z d , z ˙ d ) + b 11 u 1 + . . . + b 1 d u d z ¨ 2 = f 2 ( z 1 , z ˙ 1 , ⋯ , z d , z ˙ d ) + b 21 u 1 + . . . + b 2 d u d ⋯ ⋯ z ¨ d = f d ( z 1 , z ˙ 1 , ⋯ , z d , z ˙ d ) + b d 1 u 1 + . . . + b d d u d p 1 = z 1 , p 2 = z 2 , … , p d = z d (20)
式中:f j ( z 1 , z ˙ 1 , ⋯ , z d , z ˙ d ) 为系统的动态耦合部分,即作用于第j 个自由度上的扰动总和;b k j 为各输入量的系数;p j 为第j 个自由度的输出。
B ( z , z ˙ , t ) = b 11 ( z , z ˙ , t ) ⋯ b 1 d ( z , z ˙ , t ) ⋮ ⋮ b d 1 ( z , z ˙ , t ) ⋯ b d d ( z , z ˙ , t ) (21)
z = z 1 z 2 ⋯ z d T
令f = [ f 1 f 2 ⋯ f d ] T ,u = [ u 1 u 2 ⋯ u d ] T , U = B (z , z ˙ , t ) u ,则式(20)可转换为:
z ¨ = f ( z , z ˙ , t ) + U p = z (22)
根据式(22),可得系统在每个自由度上的状态空间表达式:
z ¨ j = f j ( z 1 , z ˙ 1 , ⋯ , z d , z ˙ d ) + U j p j = z j (23)
由此可知,若系统每个自由度的输出能被测量且目标值明确,则在系统每个自由度上嵌入1个自抗扰控制器,即可实现对扰动的估计和补偿。转子-雨蚀叶片系统的自抗扰解耦控制过程如图6 所示。
图6
图6
转子-雨蚀叶片系统的自抗扰解耦控制过程
Fig.6
Active disturbance rejection decoupling control process of rotor-rain erosion blade system
通过解耦控制,多输入-多输出系统中每个自由度的控制量与输出量之间为单输入-单输出关系,此时系统的实际控制量 u 可由式(24)计算得到:
u = B - 1 ( z , z ˙ , t ) U (24)
3.3 仿真验证
取采样步长h = 0.01 s,ESO带宽频率w o = 33 H z ,误差反馈增益κ 1 = 25 ,κ 3 = 10 ;扰动信号为转子-雨蚀叶片系统动力学方程中的偏心距和不平衡磁拉力。基于表1 所示参数,对采用自抗扰解耦控制的转子-雨蚀叶片系统的振动特性进行仿真分析,以验证所采用控制方法的可行性。自抗扰解耦控制下转子-雨蚀叶片系统的振动位移如图7 所示。
图7
图7
自抗扰解耦控制下转子-雨蚀叶片系统的振动位移
Fig.7
Vibration displacement of rotor-rain erosion blade system under active disturbance rejection decoupling control
由图7 可知,采用自抗扰解耦控制后,转子、雨蚀叶片的振幅均显著降低,说明该控制方法可有效抑制转子-雨蚀叶片系统的横向振动。
图8 所示为自抗扰解耦控制下转子-雨蚀叶片系统的控制量与扰动估计。由图8 可知,转子-雨蚀叶片系统4个自由度上的扰动值一直在变化且变化幅度不同;随着扰动量的变化,控制量同步变化,实现了对扰动的补偿,由此说明所采用的控制方法的自抗扰效果良好。
图8
图8
自抗扰解耦控制下转子-雨蚀叶片系统的控制量和扰动估计
Fig.8
Control variables and disturbance estimation of rotor-rain erosion blade system under active disturbance rejection decoupling control
4 实验验证
为了验证上文数值分析结果的准确性以及自抗扰解耦控制方法的可行性和有效性,对采用自抗扰解耦控制前、后的转子-雨蚀叶片系统的振动特性进行实验研究。搭建实验平台,其中高速耐雨蚀测试装置的结构如图9 所示。电机(ABB三相异步电机)与雨蚀叶片直接相连,加速度传感器安装在电机驱动端。根据加速度传感器测得的振动加速度,通过积分变换方法推导出雨蚀叶片的横向振动位移。开始实验时,设置电机的转动角速度为350 rad/s,高速耐雨蚀测试装置运行时间为10 s。采用自抗扰解耦控制前、后雨蚀叶片的振动位移时域图分别如图10 和图11 所示。
图9
图9
高速耐雨蚀测试装置结构
Fig.9
Structure of high-speed rain erosion resistance test device
图10
图10
采用自抗扰解耦控制前雨蚀叶片的振动位移时域图
Fig.10
Time-domain map of vibration displacement of rain erosion blade before using active disturbance rejection decoupling control
图11
图11
采用自抗扰解耦控制后雨蚀叶片的振动位移时域图
Fig.11
Time-domain map of vibration displacement of rain erosion blade after using active disturbance rejection decoupling control
由图10 可知,在采用自抗扰解耦控制前,雨蚀叶片在X 方向上的最大振幅为2.47×10-3 m,在Y 方向上的最大振幅为2.43×10-3 m,与图4 的数值分析结果基本一致,由此验证了数值分析结果的准确性。由图11 可知,在采用自抗扰解耦控制后,雨蚀叶片在X 方向上的最大振幅为9.88×10-5 m,在Y 方向上的最大振幅为9.85×10-5 m,振幅控制在了耐雨蚀试验标准所要求的允许范围内,即小于2×10-4 m,与图7 所示控制结果吻合,验证了自抗扰解耦控制方法的有效性。实验结果表明,自抗扰解耦控制方法可有效抑制雨蚀叶片的横向振动,从而提升高速耐雨蚀测试装置运行的安全性和稳定性。
5 结 论
本文考虑雨蚀叶片振动、旋叶连接盘质量偏心和转子不平衡磁拉力对高速耐雨蚀测试装置运行的影响,对转子-雨蚀叶片系统的振动特性进行了分析。同时,为了降低高速耐雨蚀测试装置运行过程中雨蚀叶片的振幅,采用自抗扰解耦控制方法来抑制雨蚀叶片的横向振动,并对所采用控制方法的可行性和有效性进行了仿真与实验验证。所得结论如下:
1)由于受到旋叶连接盘质量偏心和转子不平衡磁拉力的影响,转子-雨蚀叶片系统存在振动现象。当最大工作角速度为150 rad/s时,雨蚀叶片的最大振幅在耐雨蚀试验标准所要求的允许范围内,而当最大工作角速度为350 rad/s时,雨蚀叶片的最大振幅达到1.40×10-3 m,存在振动超标现象。
2)仿真与实验结果显示,自抗扰解耦控制方法可有效抑制雨蚀叶片的横向振动,在最大工作角速度工况下雨蚀叶片的最大振幅可降到2×10-4 m以下的允许范围内,由此验证了自抗扰解耦控制方法的可行性与有效性。结果表明,自抗扰解耦控制在雨蚀叶片振动控制方面具有较强的抗干扰能力和自适应能力,可有效提升高速耐雨蚀测试装置运行的安全性和稳定性。
参考文献
View Option
[1]
杨铮鑫 ,卞天天 ,党鹏飞 .叶片质量失谐下整体叶盘的振动响应特性研究
[J].机电工程 ,2022 ,39 (8 ):1138 -1144 .
[本文引用: 1]
YANG Z X , BIAN T T , DANG P F . Vibration response characteristics of integral blade disc under blade mass detuning
[J]. Journal of Mechanical & Electrical Engineering , 2022 , 39 (8 ): 1138 -1144 .
[本文引用: 1]
[2]
吴锦涛 ,王珺 ,徐自力 ,等 .高转速部分进气涡轮盘气流力及叶片振动响应研究
[J].西安交通大学学报 ,2022 ,56 (7 ):108 -117 .
[本文引用: 1]
WU J T , WANG J , XU Z L , et al . Airflow force and vibration response for high speed partial-admission turbine disk
[J]. Journal of Xi'an Jiaotong University , 2022 , 56 (7 ): 108 -117 .
[本文引用: 1]
[3]
BHAMU R K , SHUKLA A , SHARMA S C , et al . Vibration response of steam turbine healthy and cracked blade under the stress stiffening and spin softening effects
[J]. Proceedings of the Institution of Mechanical Engineers , Part K: Journal of Multi-body Dynamics, 2022 , 236 (2 ): 224 -243 .
[本文引用: 1]
[4]
[本文引用: 1]
WU Z Y , ZHAO L C , YAN G , et al . Vibration characteristics of blade tip in a shaft-disk-cracked-blade coupling system
[J]. Acta Aeronautica et Astronautica Sinica , 2024 , 45 (4 ): 628346 .
DOI:10.1007/s10483-024-3071-5
[本文引用: 1]
[5]
李书进 ,郑达成 ,孔凡 .海上浮式风机多体系统耦合动力模型研究
[J].振动工程学报 ,2024 ,37 (1 ):20 -30 .
[本文引用: 1]
LI S J , ZHENG D C , KONG F . Coupled dynamic model of multi-body system of floating offshore wind turbine
[J]. Journal of Vibration Engineering , 2024 , 37 (1 ): 20 -30 .
[本文引用: 1]
[6]
代元军 ,贺凯 ,李保华 ,等 .双叉式叶尖结构对风力机风轮振动的影响
[J].排灌机械工程学报 ,2022 ,40 (3 ):276 -281 .
[本文引用: 1]
DAI Y J , HE K , LI B H , et al . Influence of double-fork blade tip structure on wind turbine vibration
[J]. Journal of Drainage and Irrigation Machinery Engineering , 2022 , 40 (3 ): 276 -281 .
[本文引用: 1]
[7]
周子宣 ,黄修长 ,华宏星 .科氏效应对叶片-桨毂-轴耦合系统振动特性的影响规律研究
[J].应用力学学报 ,2022 ,39 (3 ):527 -535 .
[本文引用: 1]
ZHOU Z X , HUANG X C , HUA H X . Coriolis effect on vibration characteristics of blade-hub-shaft coupling system
[J]. Chinese Journal of Applied Mechanics , 2022 , 39 (3 ): 527 -535 .
[本文引用: 1]
[8]
潘宏刚 ,梁鑫 ,张野 ,等 .裂纹对叶盘系统振动特性影响的研究
[J].热能动力工程 ,2022 ,37 (3 ):67 -71 .
[本文引用: 1]
PAN H G , LIANG X , ZHANG Y , et al . Study on the effect of crack on the vibration characteristics of bladed disk system
[J]. Journal of Engineering for Thermal Energy and Power , 2022 , 37 (3 ): 67 -71 .
[本文引用: 1]
[9]
沈国际 ,官凤娇 ,边子方 ,等 .裂纹叶片非线性振动响应理论分析与实验验证
[J].国防科技大学学报 ,2021 ,43 (6 ):127 -134 .
[本文引用: 1]
SHEN G J , GUAN F J , BIAN Z F , et al . Theoretical analysis and experimental verification of nonlinear vibrational response of cracked blade
[J]. Journal of National University of Defense Technology , 2021 , 43 (6 ): 127 -134 .
[本文引用: 1]
[10]
裘孙洋 ,潘金豪 .包角对高比转速双叶片自吸离心泵外特性及振动特性的影响
[J].流体机械 ,2021 ,49 (8 ):40 -47 .
[本文引用: 1]
QIU S Y , PAN J H . The influence of wrap angle on hydrodynamic performance and vibration characteristics of high-specific-speed double blades self-priming centrifugal pump
[J]. Fluid Machinery , 2021 , 49 (8 ): 40 -47 .
[本文引用: 1]
[11]
徐涛 ,王强 ,唐洪飞 .气冷涡轮叶片振动特性分析
[J].机械设计与制造工程 ,2022 ,51 (3 ):63 -66 .
[本文引用: 1]
XU T , WANG Q , TANG H F . Vibration characteristics analysis of air-cooled turbine blades
[J]. Machine Design and Manufacturing Engineering , 2022 , 51 (3 ): 63 -66 .
[本文引用: 1]
[12]
姜华 ,常越勇 ,宫武旗 ,等 .预应力模态下对旋风机叶片流致振动特性
[J].流体机械 ,2022 ,50 (8 ):89 -96 .
[本文引用: 1]
JIANG H , CHANG Y Y , GONG W Q , et al . Fluid-induced vibration characteristics of a contra-rotating fan blade under prestressed mode
[J]. Fluid Machinery , 2022 , 50 (8 ): 89 -96 .
[本文引用: 1]
[13]
ABBAS A F , HAMZAH A A . Studying the thermal influence on the vibration of rotating blades
[J]. Measurement Science Review , 2022 , 22 (2 ): 65 -72 .
[本文引用: 1]
[14]
周震霆 ,贺星 ,刘永葆 .气动阻尼对裂纹叶片振动特性的影响研究
[J].燃气轮机技术 ,2022 ,35 (3 ):42 -48 .
[本文引用: 1]
ZHOU Z T , HE X , LIU Y B . Influence of aerodynamic damping on vibration characteristics of cracked blade
[J]. Gas Turbine Technology , 2022 , 35 (3 ): 42 -48 .
[本文引用: 1]
[15]
白叶飞 ,赵元星 ,汪建文 ,等 .旋转激振气流下风力机风轮振动及应力谐响分析
[J].科学技术与工程 ,2022 ,22 (9 ):3557 -3563 .
[本文引用: 1]
BAI Y F , ZHAO Y X , WANG J W , et al . Analysis of vibration and stress harmonic response on wind turbine rotor under rotating excited airflow
[J]. Science Technology and Engineering , 2022 , 22 (9 ): 3557 -3563 .
[本文引用: 1]
[16]
白杨溪 ,陈洪月 ,陈洪岩 ,等 .多约束条件下采煤机摇臂横向振动分析及试验验证
[J].工程设计学报 ,2020 ,27 (6 ):707 -712 .
[本文引用: 1]
BAI Y X , CHEN H Y , CHEN H Y , et al . Analysis and test verification of transverse vibration of shearer rocker arm under multiple constraints
[J]. Chinese Journal of Engineering Design , 2020 , 27 (6 ): 707 -712 .
[本文引用: 1]
[17]
刘一雄 ,杜青 ,陈育志 ,等 .风扇整体叶盘振动响应数值仿真及试验验证
[J].航空发动机 ,2021 ,47 (6 ):39 -44 .
[本文引用: 1]
LIU Y X , DU Q , CHEN Y Z , et al . Numerical simulation and experimental verification of vibration response analysis of a fan blisk
[J]. Aeroengine , 2021 , 47 (6 ): 39 -44 .
[本文引用: 1]
[18]
魏建宝 ,李松梅 ,徐雨田 .三叉式-球笼式双联万向联轴器的扭转振动特性分析
[J].工程设计学报 ,2021 ,28 (4 ):458 -465 .
[本文引用: 2]
WEI J B , LI S M , XU Y T . Analysis of torsional vibration characteristics of tripod-ball cage double universal coupling
[J]. Chinese Journal of Engineering Design , 2021 , 28 (4 ): 458 -465 .
[本文引用: 2]
[19]
常新宇 ,任朝晖 .转子-叶片系统振动抑制技术应用
[J].机械设计 ,2021 ,38 (11 ):24 -28 .
[本文引用: 1]
CHANG X Y , REN Z H . Application of rotor-blade system vibration suppression technology
[J]. Journal of Machine Design , 2021 , 38 (11 ): 24 -28 .
[本文引用: 1]
[20]
HASHEMI A , JANG J , HOSSEINI-HASHEMI S . Smart active vibration control system of a rotary structure using piezoelectric materials
[J]. Sensors , 2022 , 22 (15 ): 5691 .
[本文引用: 1]
[21]
PUSTINA L , SERAFINI J , PASQUALI C , et al . A novel resonant controller for sea-induced rotor blade vibratory loads reduction on floating offshore wind turbines
[J]. Renewable and Sustainable Energy Reviews , 2023 , 173 : 113073 .
[本文引用: 1]
[22]
[本文引用: 2]
HAN J Q . From PID technique to active disturbances rejection control technique
[J]. Control Engineering of China , 2002 , 9 (3 ): 13 -18 .
DOI:10.3969/j.issn.1671-7848.2002.03.003
[本文引用: 2]
叶片质量失谐下整体叶盘的振动响应特性研究
1
2022
... 目前,国内外很多学者针对转子和叶片的振动问题,从多个方面展开了广泛研究.例如:杨铮鑫等[1 ] 、吴锦涛等[2 ] 、Bhamu等[3 ] 、吴志渊等[4 ] 基于有限元分析法分别建立了叶片-轮盘结构、某火箭发动机部分进气涡轮盘、汽轮机开裂叶片、转轴-轮盘-裂纹叶片耦合系统的有限元模型,并研究了各系统的振动响应特性.李书进等[5 ] 、代元军等[6 ] 、周子宣等[7 ] 、潘宏刚等[8 ] 、沈国际等[9 ] 、裘孙洋等[10 ] 研究了结构参数对风力发电机叶片、风轮、叶盘系统振动特性的影响,如叶片的扭转角、半径比、裂纹数量及包角角度等.徐涛等[11 ] 、姜华等[12 ] 、Abbas等[13 ] 、周震霆等[14 ] 、白叶飞等[15 ] 分析了外部激励对涡轮叶片、旋风机叶片、压气机叶片振动响应的影响规律.白杨溪等[16 ] 、刘一雄等[17 ] 、魏建宝等[18 ] 通过建立动力学模型分析了采煤机摇臂、风扇叶盘、万向联轴器的振动特性.为了降低振动对系统运行的影响,学者们通过采用不同的控制方法来抑制振动.常新宇等[19 ] 、Hashemi等[20 ] 、Pustina等[21 ] 分别利用动力吸振器、包含压电陶瓷作动器的主动控制系统和新型多层控制方法来抑制转子-叶片系统、风力机叶片的振动.上述研究可为转子、叶片的振动分析提供理论参考,但目前仍缺乏针对高速耐雨蚀测试装置中转子-雨蚀叶片系统振动分析与控制的研究. ...
叶片质量失谐下整体叶盘的振动响应特性研究
1
2022
... 目前,国内外很多学者针对转子和叶片的振动问题,从多个方面展开了广泛研究.例如:杨铮鑫等[1 ] 、吴锦涛等[2 ] 、Bhamu等[3 ] 、吴志渊等[4 ] 基于有限元分析法分别建立了叶片-轮盘结构、某火箭发动机部分进气涡轮盘、汽轮机开裂叶片、转轴-轮盘-裂纹叶片耦合系统的有限元模型,并研究了各系统的振动响应特性.李书进等[5 ] 、代元军等[6 ] 、周子宣等[7 ] 、潘宏刚等[8 ] 、沈国际等[9 ] 、裘孙洋等[10 ] 研究了结构参数对风力发电机叶片、风轮、叶盘系统振动特性的影响,如叶片的扭转角、半径比、裂纹数量及包角角度等.徐涛等[11 ] 、姜华等[12 ] 、Abbas等[13 ] 、周震霆等[14 ] 、白叶飞等[15 ] 分析了外部激励对涡轮叶片、旋风机叶片、压气机叶片振动响应的影响规律.白杨溪等[16 ] 、刘一雄等[17 ] 、魏建宝等[18 ] 通过建立动力学模型分析了采煤机摇臂、风扇叶盘、万向联轴器的振动特性.为了降低振动对系统运行的影响,学者们通过采用不同的控制方法来抑制振动.常新宇等[19 ] 、Hashemi等[20 ] 、Pustina等[21 ] 分别利用动力吸振器、包含压电陶瓷作动器的主动控制系统和新型多层控制方法来抑制转子-叶片系统、风力机叶片的振动.上述研究可为转子、叶片的振动分析提供理论参考,但目前仍缺乏针对高速耐雨蚀测试装置中转子-雨蚀叶片系统振动分析与控制的研究. ...
高转速部分进气涡轮盘气流力及叶片振动响应研究
1
2022
... 目前,国内外很多学者针对转子和叶片的振动问题,从多个方面展开了广泛研究.例如:杨铮鑫等[1 ] 、吴锦涛等[2 ] 、Bhamu等[3 ] 、吴志渊等[4 ] 基于有限元分析法分别建立了叶片-轮盘结构、某火箭发动机部分进气涡轮盘、汽轮机开裂叶片、转轴-轮盘-裂纹叶片耦合系统的有限元模型,并研究了各系统的振动响应特性.李书进等[5 ] 、代元军等[6 ] 、周子宣等[7 ] 、潘宏刚等[8 ] 、沈国际等[9 ] 、裘孙洋等[10 ] 研究了结构参数对风力发电机叶片、风轮、叶盘系统振动特性的影响,如叶片的扭转角、半径比、裂纹数量及包角角度等.徐涛等[11 ] 、姜华等[12 ] 、Abbas等[13 ] 、周震霆等[14 ] 、白叶飞等[15 ] 分析了外部激励对涡轮叶片、旋风机叶片、压气机叶片振动响应的影响规律.白杨溪等[16 ] 、刘一雄等[17 ] 、魏建宝等[18 ] 通过建立动力学模型分析了采煤机摇臂、风扇叶盘、万向联轴器的振动特性.为了降低振动对系统运行的影响,学者们通过采用不同的控制方法来抑制振动.常新宇等[19 ] 、Hashemi等[20 ] 、Pustina等[21 ] 分别利用动力吸振器、包含压电陶瓷作动器的主动控制系统和新型多层控制方法来抑制转子-叶片系统、风力机叶片的振动.上述研究可为转子、叶片的振动分析提供理论参考,但目前仍缺乏针对高速耐雨蚀测试装置中转子-雨蚀叶片系统振动分析与控制的研究. ...
高转速部分进气涡轮盘气流力及叶片振动响应研究
1
2022
... 目前,国内外很多学者针对转子和叶片的振动问题,从多个方面展开了广泛研究.例如:杨铮鑫等[1 ] 、吴锦涛等[2 ] 、Bhamu等[3 ] 、吴志渊等[4 ] 基于有限元分析法分别建立了叶片-轮盘结构、某火箭发动机部分进气涡轮盘、汽轮机开裂叶片、转轴-轮盘-裂纹叶片耦合系统的有限元模型,并研究了各系统的振动响应特性.李书进等[5 ] 、代元军等[6 ] 、周子宣等[7 ] 、潘宏刚等[8 ] 、沈国际等[9 ] 、裘孙洋等[10 ] 研究了结构参数对风力发电机叶片、风轮、叶盘系统振动特性的影响,如叶片的扭转角、半径比、裂纹数量及包角角度等.徐涛等[11 ] 、姜华等[12 ] 、Abbas等[13 ] 、周震霆等[14 ] 、白叶飞等[15 ] 分析了外部激励对涡轮叶片、旋风机叶片、压气机叶片振动响应的影响规律.白杨溪等[16 ] 、刘一雄等[17 ] 、魏建宝等[18 ] 通过建立动力学模型分析了采煤机摇臂、风扇叶盘、万向联轴器的振动特性.为了降低振动对系统运行的影响,学者们通过采用不同的控制方法来抑制振动.常新宇等[19 ] 、Hashemi等[20 ] 、Pustina等[21 ] 分别利用动力吸振器、包含压电陶瓷作动器的主动控制系统和新型多层控制方法来抑制转子-叶片系统、风力机叶片的振动.上述研究可为转子、叶片的振动分析提供理论参考,但目前仍缺乏针对高速耐雨蚀测试装置中转子-雨蚀叶片系统振动分析与控制的研究. ...
Vibration response of steam turbine healthy and cracked blade under the stress stiffening and spin softening effects
1
2022
... 目前,国内外很多学者针对转子和叶片的振动问题,从多个方面展开了广泛研究.例如:杨铮鑫等[1 ] 、吴锦涛等[2 ] 、Bhamu等[3 ] 、吴志渊等[4 ] 基于有限元分析法分别建立了叶片-轮盘结构、某火箭发动机部分进气涡轮盘、汽轮机开裂叶片、转轴-轮盘-裂纹叶片耦合系统的有限元模型,并研究了各系统的振动响应特性.李书进等[5 ] 、代元军等[6 ] 、周子宣等[7 ] 、潘宏刚等[8 ] 、沈国际等[9 ] 、裘孙洋等[10 ] 研究了结构参数对风力发电机叶片、风轮、叶盘系统振动特性的影响,如叶片的扭转角、半径比、裂纹数量及包角角度等.徐涛等[11 ] 、姜华等[12 ] 、Abbas等[13 ] 、周震霆等[14 ] 、白叶飞等[15 ] 分析了外部激励对涡轮叶片、旋风机叶片、压气机叶片振动响应的影响规律.白杨溪等[16 ] 、刘一雄等[17 ] 、魏建宝等[18 ] 通过建立动力学模型分析了采煤机摇臂、风扇叶盘、万向联轴器的振动特性.为了降低振动对系统运行的影响,学者们通过采用不同的控制方法来抑制振动.常新宇等[19 ] 、Hashemi等[20 ] 、Pustina等[21 ] 分别利用动力吸振器、包含压电陶瓷作动器的主动控制系统和新型多层控制方法来抑制转子-叶片系统、风力机叶片的振动.上述研究可为转子、叶片的振动分析提供理论参考,但目前仍缺乏针对高速耐雨蚀测试装置中转子-雨蚀叶片系统振动分析与控制的研究. ...
转轴-轮盘-裂纹叶片耦合系统的叶尖振动特性
1
2024
... 目前,国内外很多学者针对转子和叶片的振动问题,从多个方面展开了广泛研究.例如:杨铮鑫等[1 ] 、吴锦涛等[2 ] 、Bhamu等[3 ] 、吴志渊等[4 ] 基于有限元分析法分别建立了叶片-轮盘结构、某火箭发动机部分进气涡轮盘、汽轮机开裂叶片、转轴-轮盘-裂纹叶片耦合系统的有限元模型,并研究了各系统的振动响应特性.李书进等[5 ] 、代元军等[6 ] 、周子宣等[7 ] 、潘宏刚等[8 ] 、沈国际等[9 ] 、裘孙洋等[10 ] 研究了结构参数对风力发电机叶片、风轮、叶盘系统振动特性的影响,如叶片的扭转角、半径比、裂纹数量及包角角度等.徐涛等[11 ] 、姜华等[12 ] 、Abbas等[13 ] 、周震霆等[14 ] 、白叶飞等[15 ] 分析了外部激励对涡轮叶片、旋风机叶片、压气机叶片振动响应的影响规律.白杨溪等[16 ] 、刘一雄等[17 ] 、魏建宝等[18 ] 通过建立动力学模型分析了采煤机摇臂、风扇叶盘、万向联轴器的振动特性.为了降低振动对系统运行的影响,学者们通过采用不同的控制方法来抑制振动.常新宇等[19 ] 、Hashemi等[20 ] 、Pustina等[21 ] 分别利用动力吸振器、包含压电陶瓷作动器的主动控制系统和新型多层控制方法来抑制转子-叶片系统、风力机叶片的振动.上述研究可为转子、叶片的振动分析提供理论参考,但目前仍缺乏针对高速耐雨蚀测试装置中转子-雨蚀叶片系统振动分析与控制的研究. ...
转轴-轮盘-裂纹叶片耦合系统的叶尖振动特性
1
2024
... 目前,国内外很多学者针对转子和叶片的振动问题,从多个方面展开了广泛研究.例如:杨铮鑫等[1 ] 、吴锦涛等[2 ] 、Bhamu等[3 ] 、吴志渊等[4 ] 基于有限元分析法分别建立了叶片-轮盘结构、某火箭发动机部分进气涡轮盘、汽轮机开裂叶片、转轴-轮盘-裂纹叶片耦合系统的有限元模型,并研究了各系统的振动响应特性.李书进等[5 ] 、代元军等[6 ] 、周子宣等[7 ] 、潘宏刚等[8 ] 、沈国际等[9 ] 、裘孙洋等[10 ] 研究了结构参数对风力发电机叶片、风轮、叶盘系统振动特性的影响,如叶片的扭转角、半径比、裂纹数量及包角角度等.徐涛等[11 ] 、姜华等[12 ] 、Abbas等[13 ] 、周震霆等[14 ] 、白叶飞等[15 ] 分析了外部激励对涡轮叶片、旋风机叶片、压气机叶片振动响应的影响规律.白杨溪等[16 ] 、刘一雄等[17 ] 、魏建宝等[18 ] 通过建立动力学模型分析了采煤机摇臂、风扇叶盘、万向联轴器的振动特性.为了降低振动对系统运行的影响,学者们通过采用不同的控制方法来抑制振动.常新宇等[19 ] 、Hashemi等[20 ] 、Pustina等[21 ] 分别利用动力吸振器、包含压电陶瓷作动器的主动控制系统和新型多层控制方法来抑制转子-叶片系统、风力机叶片的振动.上述研究可为转子、叶片的振动分析提供理论参考,但目前仍缺乏针对高速耐雨蚀测试装置中转子-雨蚀叶片系统振动分析与控制的研究. ...
海上浮式风机多体系统耦合动力模型研究
1
2024
... 目前,国内外很多学者针对转子和叶片的振动问题,从多个方面展开了广泛研究.例如:杨铮鑫等[1 ] 、吴锦涛等[2 ] 、Bhamu等[3 ] 、吴志渊等[4 ] 基于有限元分析法分别建立了叶片-轮盘结构、某火箭发动机部分进气涡轮盘、汽轮机开裂叶片、转轴-轮盘-裂纹叶片耦合系统的有限元模型,并研究了各系统的振动响应特性.李书进等[5 ] 、代元军等[6 ] 、周子宣等[7 ] 、潘宏刚等[8 ] 、沈国际等[9 ] 、裘孙洋等[10 ] 研究了结构参数对风力发电机叶片、风轮、叶盘系统振动特性的影响,如叶片的扭转角、半径比、裂纹数量及包角角度等.徐涛等[11 ] 、姜华等[12 ] 、Abbas等[13 ] 、周震霆等[14 ] 、白叶飞等[15 ] 分析了外部激励对涡轮叶片、旋风机叶片、压气机叶片振动响应的影响规律.白杨溪等[16 ] 、刘一雄等[17 ] 、魏建宝等[18 ] 通过建立动力学模型分析了采煤机摇臂、风扇叶盘、万向联轴器的振动特性.为了降低振动对系统运行的影响,学者们通过采用不同的控制方法来抑制振动.常新宇等[19 ] 、Hashemi等[20 ] 、Pustina等[21 ] 分别利用动力吸振器、包含压电陶瓷作动器的主动控制系统和新型多层控制方法来抑制转子-叶片系统、风力机叶片的振动.上述研究可为转子、叶片的振动分析提供理论参考,但目前仍缺乏针对高速耐雨蚀测试装置中转子-雨蚀叶片系统振动分析与控制的研究. ...
海上浮式风机多体系统耦合动力模型研究
1
2024
... 目前,国内外很多学者针对转子和叶片的振动问题,从多个方面展开了广泛研究.例如:杨铮鑫等[1 ] 、吴锦涛等[2 ] 、Bhamu等[3 ] 、吴志渊等[4 ] 基于有限元分析法分别建立了叶片-轮盘结构、某火箭发动机部分进气涡轮盘、汽轮机开裂叶片、转轴-轮盘-裂纹叶片耦合系统的有限元模型,并研究了各系统的振动响应特性.李书进等[5 ] 、代元军等[6 ] 、周子宣等[7 ] 、潘宏刚等[8 ] 、沈国际等[9 ] 、裘孙洋等[10 ] 研究了结构参数对风力发电机叶片、风轮、叶盘系统振动特性的影响,如叶片的扭转角、半径比、裂纹数量及包角角度等.徐涛等[11 ] 、姜华等[12 ] 、Abbas等[13 ] 、周震霆等[14 ] 、白叶飞等[15 ] 分析了外部激励对涡轮叶片、旋风机叶片、压气机叶片振动响应的影响规律.白杨溪等[16 ] 、刘一雄等[17 ] 、魏建宝等[18 ] 通过建立动力学模型分析了采煤机摇臂、风扇叶盘、万向联轴器的振动特性.为了降低振动对系统运行的影响,学者们通过采用不同的控制方法来抑制振动.常新宇等[19 ] 、Hashemi等[20 ] 、Pustina等[21 ] 分别利用动力吸振器、包含压电陶瓷作动器的主动控制系统和新型多层控制方法来抑制转子-叶片系统、风力机叶片的振动.上述研究可为转子、叶片的振动分析提供理论参考,但目前仍缺乏针对高速耐雨蚀测试装置中转子-雨蚀叶片系统振动分析与控制的研究. ...
双叉式叶尖结构对风力机风轮振动的影响
1
2022
... 目前,国内外很多学者针对转子和叶片的振动问题,从多个方面展开了广泛研究.例如:杨铮鑫等[1 ] 、吴锦涛等[2 ] 、Bhamu等[3 ] 、吴志渊等[4 ] 基于有限元分析法分别建立了叶片-轮盘结构、某火箭发动机部分进气涡轮盘、汽轮机开裂叶片、转轴-轮盘-裂纹叶片耦合系统的有限元模型,并研究了各系统的振动响应特性.李书进等[5 ] 、代元军等[6 ] 、周子宣等[7 ] 、潘宏刚等[8 ] 、沈国际等[9 ] 、裘孙洋等[10 ] 研究了结构参数对风力发电机叶片、风轮、叶盘系统振动特性的影响,如叶片的扭转角、半径比、裂纹数量及包角角度等.徐涛等[11 ] 、姜华等[12 ] 、Abbas等[13 ] 、周震霆等[14 ] 、白叶飞等[15 ] 分析了外部激励对涡轮叶片、旋风机叶片、压气机叶片振动响应的影响规律.白杨溪等[16 ] 、刘一雄等[17 ] 、魏建宝等[18 ] 通过建立动力学模型分析了采煤机摇臂、风扇叶盘、万向联轴器的振动特性.为了降低振动对系统运行的影响,学者们通过采用不同的控制方法来抑制振动.常新宇等[19 ] 、Hashemi等[20 ] 、Pustina等[21 ] 分别利用动力吸振器、包含压电陶瓷作动器的主动控制系统和新型多层控制方法来抑制转子-叶片系统、风力机叶片的振动.上述研究可为转子、叶片的振动分析提供理论参考,但目前仍缺乏针对高速耐雨蚀测试装置中转子-雨蚀叶片系统振动分析与控制的研究. ...
双叉式叶尖结构对风力机风轮振动的影响
1
2022
... 目前,国内外很多学者针对转子和叶片的振动问题,从多个方面展开了广泛研究.例如:杨铮鑫等[1 ] 、吴锦涛等[2 ] 、Bhamu等[3 ] 、吴志渊等[4 ] 基于有限元分析法分别建立了叶片-轮盘结构、某火箭发动机部分进气涡轮盘、汽轮机开裂叶片、转轴-轮盘-裂纹叶片耦合系统的有限元模型,并研究了各系统的振动响应特性.李书进等[5 ] 、代元军等[6 ] 、周子宣等[7 ] 、潘宏刚等[8 ] 、沈国际等[9 ] 、裘孙洋等[10 ] 研究了结构参数对风力发电机叶片、风轮、叶盘系统振动特性的影响,如叶片的扭转角、半径比、裂纹数量及包角角度等.徐涛等[11 ] 、姜华等[12 ] 、Abbas等[13 ] 、周震霆等[14 ] 、白叶飞等[15 ] 分析了外部激励对涡轮叶片、旋风机叶片、压气机叶片振动响应的影响规律.白杨溪等[16 ] 、刘一雄等[17 ] 、魏建宝等[18 ] 通过建立动力学模型分析了采煤机摇臂、风扇叶盘、万向联轴器的振动特性.为了降低振动对系统运行的影响,学者们通过采用不同的控制方法来抑制振动.常新宇等[19 ] 、Hashemi等[20 ] 、Pustina等[21 ] 分别利用动力吸振器、包含压电陶瓷作动器的主动控制系统和新型多层控制方法来抑制转子-叶片系统、风力机叶片的振动.上述研究可为转子、叶片的振动分析提供理论参考,但目前仍缺乏针对高速耐雨蚀测试装置中转子-雨蚀叶片系统振动分析与控制的研究. ...
科氏效应对叶片-桨毂-轴耦合系统振动特性的影响规律研究
1
2022
... 目前,国内外很多学者针对转子和叶片的振动问题,从多个方面展开了广泛研究.例如:杨铮鑫等[1 ] 、吴锦涛等[2 ] 、Bhamu等[3 ] 、吴志渊等[4 ] 基于有限元分析法分别建立了叶片-轮盘结构、某火箭发动机部分进气涡轮盘、汽轮机开裂叶片、转轴-轮盘-裂纹叶片耦合系统的有限元模型,并研究了各系统的振动响应特性.李书进等[5 ] 、代元军等[6 ] 、周子宣等[7 ] 、潘宏刚等[8 ] 、沈国际等[9 ] 、裘孙洋等[10 ] 研究了结构参数对风力发电机叶片、风轮、叶盘系统振动特性的影响,如叶片的扭转角、半径比、裂纹数量及包角角度等.徐涛等[11 ] 、姜华等[12 ] 、Abbas等[13 ] 、周震霆等[14 ] 、白叶飞等[15 ] 分析了外部激励对涡轮叶片、旋风机叶片、压气机叶片振动响应的影响规律.白杨溪等[16 ] 、刘一雄等[17 ] 、魏建宝等[18 ] 通过建立动力学模型分析了采煤机摇臂、风扇叶盘、万向联轴器的振动特性.为了降低振动对系统运行的影响,学者们通过采用不同的控制方法来抑制振动.常新宇等[19 ] 、Hashemi等[20 ] 、Pustina等[21 ] 分别利用动力吸振器、包含压电陶瓷作动器的主动控制系统和新型多层控制方法来抑制转子-叶片系统、风力机叶片的振动.上述研究可为转子、叶片的振动分析提供理论参考,但目前仍缺乏针对高速耐雨蚀测试装置中转子-雨蚀叶片系统振动分析与控制的研究. ...
科氏效应对叶片-桨毂-轴耦合系统振动特性的影响规律研究
1
2022
... 目前,国内外很多学者针对转子和叶片的振动问题,从多个方面展开了广泛研究.例如:杨铮鑫等[1 ] 、吴锦涛等[2 ] 、Bhamu等[3 ] 、吴志渊等[4 ] 基于有限元分析法分别建立了叶片-轮盘结构、某火箭发动机部分进气涡轮盘、汽轮机开裂叶片、转轴-轮盘-裂纹叶片耦合系统的有限元模型,并研究了各系统的振动响应特性.李书进等[5 ] 、代元军等[6 ] 、周子宣等[7 ] 、潘宏刚等[8 ] 、沈国际等[9 ] 、裘孙洋等[10 ] 研究了结构参数对风力发电机叶片、风轮、叶盘系统振动特性的影响,如叶片的扭转角、半径比、裂纹数量及包角角度等.徐涛等[11 ] 、姜华等[12 ] 、Abbas等[13 ] 、周震霆等[14 ] 、白叶飞等[15 ] 分析了外部激励对涡轮叶片、旋风机叶片、压气机叶片振动响应的影响规律.白杨溪等[16 ] 、刘一雄等[17 ] 、魏建宝等[18 ] 通过建立动力学模型分析了采煤机摇臂、风扇叶盘、万向联轴器的振动特性.为了降低振动对系统运行的影响,学者们通过采用不同的控制方法来抑制振动.常新宇等[19 ] 、Hashemi等[20 ] 、Pustina等[21 ] 分别利用动力吸振器、包含压电陶瓷作动器的主动控制系统和新型多层控制方法来抑制转子-叶片系统、风力机叶片的振动.上述研究可为转子、叶片的振动分析提供理论参考,但目前仍缺乏针对高速耐雨蚀测试装置中转子-雨蚀叶片系统振动分析与控制的研究. ...
裂纹对叶盘系统振动特性影响的研究
1
2022
... 目前,国内外很多学者针对转子和叶片的振动问题,从多个方面展开了广泛研究.例如:杨铮鑫等[1 ] 、吴锦涛等[2 ] 、Bhamu等[3 ] 、吴志渊等[4 ] 基于有限元分析法分别建立了叶片-轮盘结构、某火箭发动机部分进气涡轮盘、汽轮机开裂叶片、转轴-轮盘-裂纹叶片耦合系统的有限元模型,并研究了各系统的振动响应特性.李书进等[5 ] 、代元军等[6 ] 、周子宣等[7 ] 、潘宏刚等[8 ] 、沈国际等[9 ] 、裘孙洋等[10 ] 研究了结构参数对风力发电机叶片、风轮、叶盘系统振动特性的影响,如叶片的扭转角、半径比、裂纹数量及包角角度等.徐涛等[11 ] 、姜华等[12 ] 、Abbas等[13 ] 、周震霆等[14 ] 、白叶飞等[15 ] 分析了外部激励对涡轮叶片、旋风机叶片、压气机叶片振动响应的影响规律.白杨溪等[16 ] 、刘一雄等[17 ] 、魏建宝等[18 ] 通过建立动力学模型分析了采煤机摇臂、风扇叶盘、万向联轴器的振动特性.为了降低振动对系统运行的影响,学者们通过采用不同的控制方法来抑制振动.常新宇等[19 ] 、Hashemi等[20 ] 、Pustina等[21 ] 分别利用动力吸振器、包含压电陶瓷作动器的主动控制系统和新型多层控制方法来抑制转子-叶片系统、风力机叶片的振动.上述研究可为转子、叶片的振动分析提供理论参考,但目前仍缺乏针对高速耐雨蚀测试装置中转子-雨蚀叶片系统振动分析与控制的研究. ...
裂纹对叶盘系统振动特性影响的研究
1
2022
... 目前,国内外很多学者针对转子和叶片的振动问题,从多个方面展开了广泛研究.例如:杨铮鑫等[1 ] 、吴锦涛等[2 ] 、Bhamu等[3 ] 、吴志渊等[4 ] 基于有限元分析法分别建立了叶片-轮盘结构、某火箭发动机部分进气涡轮盘、汽轮机开裂叶片、转轴-轮盘-裂纹叶片耦合系统的有限元模型,并研究了各系统的振动响应特性.李书进等[5 ] 、代元军等[6 ] 、周子宣等[7 ] 、潘宏刚等[8 ] 、沈国际等[9 ] 、裘孙洋等[10 ] 研究了结构参数对风力发电机叶片、风轮、叶盘系统振动特性的影响,如叶片的扭转角、半径比、裂纹数量及包角角度等.徐涛等[11 ] 、姜华等[12 ] 、Abbas等[13 ] 、周震霆等[14 ] 、白叶飞等[15 ] 分析了外部激励对涡轮叶片、旋风机叶片、压气机叶片振动响应的影响规律.白杨溪等[16 ] 、刘一雄等[17 ] 、魏建宝等[18 ] 通过建立动力学模型分析了采煤机摇臂、风扇叶盘、万向联轴器的振动特性.为了降低振动对系统运行的影响,学者们通过采用不同的控制方法来抑制振动.常新宇等[19 ] 、Hashemi等[20 ] 、Pustina等[21 ] 分别利用动力吸振器、包含压电陶瓷作动器的主动控制系统和新型多层控制方法来抑制转子-叶片系统、风力机叶片的振动.上述研究可为转子、叶片的振动分析提供理论参考,但目前仍缺乏针对高速耐雨蚀测试装置中转子-雨蚀叶片系统振动分析与控制的研究. ...
裂纹叶片非线性振动响应理论分析与实验验证
1
2021
... 目前,国内外很多学者针对转子和叶片的振动问题,从多个方面展开了广泛研究.例如:杨铮鑫等[1 ] 、吴锦涛等[2 ] 、Bhamu等[3 ] 、吴志渊等[4 ] 基于有限元分析法分别建立了叶片-轮盘结构、某火箭发动机部分进气涡轮盘、汽轮机开裂叶片、转轴-轮盘-裂纹叶片耦合系统的有限元模型,并研究了各系统的振动响应特性.李书进等[5 ] 、代元军等[6 ] 、周子宣等[7 ] 、潘宏刚等[8 ] 、沈国际等[9 ] 、裘孙洋等[10 ] 研究了结构参数对风力发电机叶片、风轮、叶盘系统振动特性的影响,如叶片的扭转角、半径比、裂纹数量及包角角度等.徐涛等[11 ] 、姜华等[12 ] 、Abbas等[13 ] 、周震霆等[14 ] 、白叶飞等[15 ] 分析了外部激励对涡轮叶片、旋风机叶片、压气机叶片振动响应的影响规律.白杨溪等[16 ] 、刘一雄等[17 ] 、魏建宝等[18 ] 通过建立动力学模型分析了采煤机摇臂、风扇叶盘、万向联轴器的振动特性.为了降低振动对系统运行的影响,学者们通过采用不同的控制方法来抑制振动.常新宇等[19 ] 、Hashemi等[20 ] 、Pustina等[21 ] 分别利用动力吸振器、包含压电陶瓷作动器的主动控制系统和新型多层控制方法来抑制转子-叶片系统、风力机叶片的振动.上述研究可为转子、叶片的振动分析提供理论参考,但目前仍缺乏针对高速耐雨蚀测试装置中转子-雨蚀叶片系统振动分析与控制的研究. ...
裂纹叶片非线性振动响应理论分析与实验验证
1
2021
... 目前,国内外很多学者针对转子和叶片的振动问题,从多个方面展开了广泛研究.例如:杨铮鑫等[1 ] 、吴锦涛等[2 ] 、Bhamu等[3 ] 、吴志渊等[4 ] 基于有限元分析法分别建立了叶片-轮盘结构、某火箭发动机部分进气涡轮盘、汽轮机开裂叶片、转轴-轮盘-裂纹叶片耦合系统的有限元模型,并研究了各系统的振动响应特性.李书进等[5 ] 、代元军等[6 ] 、周子宣等[7 ] 、潘宏刚等[8 ] 、沈国际等[9 ] 、裘孙洋等[10 ] 研究了结构参数对风力发电机叶片、风轮、叶盘系统振动特性的影响,如叶片的扭转角、半径比、裂纹数量及包角角度等.徐涛等[11 ] 、姜华等[12 ] 、Abbas等[13 ] 、周震霆等[14 ] 、白叶飞等[15 ] 分析了外部激励对涡轮叶片、旋风机叶片、压气机叶片振动响应的影响规律.白杨溪等[16 ] 、刘一雄等[17 ] 、魏建宝等[18 ] 通过建立动力学模型分析了采煤机摇臂、风扇叶盘、万向联轴器的振动特性.为了降低振动对系统运行的影响,学者们通过采用不同的控制方法来抑制振动.常新宇等[19 ] 、Hashemi等[20 ] 、Pustina等[21 ] 分别利用动力吸振器、包含压电陶瓷作动器的主动控制系统和新型多层控制方法来抑制转子-叶片系统、风力机叶片的振动.上述研究可为转子、叶片的振动分析提供理论参考,但目前仍缺乏针对高速耐雨蚀测试装置中转子-雨蚀叶片系统振动分析与控制的研究. ...
包角对高比转速双叶片自吸离心泵外特性及振动特性的影响
1
2021
... 目前,国内外很多学者针对转子和叶片的振动问题,从多个方面展开了广泛研究.例如:杨铮鑫等[1 ] 、吴锦涛等[2 ] 、Bhamu等[3 ] 、吴志渊等[4 ] 基于有限元分析法分别建立了叶片-轮盘结构、某火箭发动机部分进气涡轮盘、汽轮机开裂叶片、转轴-轮盘-裂纹叶片耦合系统的有限元模型,并研究了各系统的振动响应特性.李书进等[5 ] 、代元军等[6 ] 、周子宣等[7 ] 、潘宏刚等[8 ] 、沈国际等[9 ] 、裘孙洋等[10 ] 研究了结构参数对风力发电机叶片、风轮、叶盘系统振动特性的影响,如叶片的扭转角、半径比、裂纹数量及包角角度等.徐涛等[11 ] 、姜华等[12 ] 、Abbas等[13 ] 、周震霆等[14 ] 、白叶飞等[15 ] 分析了外部激励对涡轮叶片、旋风机叶片、压气机叶片振动响应的影响规律.白杨溪等[16 ] 、刘一雄等[17 ] 、魏建宝等[18 ] 通过建立动力学模型分析了采煤机摇臂、风扇叶盘、万向联轴器的振动特性.为了降低振动对系统运行的影响,学者们通过采用不同的控制方法来抑制振动.常新宇等[19 ] 、Hashemi等[20 ] 、Pustina等[21 ] 分别利用动力吸振器、包含压电陶瓷作动器的主动控制系统和新型多层控制方法来抑制转子-叶片系统、风力机叶片的振动.上述研究可为转子、叶片的振动分析提供理论参考,但目前仍缺乏针对高速耐雨蚀测试装置中转子-雨蚀叶片系统振动分析与控制的研究. ...
包角对高比转速双叶片自吸离心泵外特性及振动特性的影响
1
2021
... 目前,国内外很多学者针对转子和叶片的振动问题,从多个方面展开了广泛研究.例如:杨铮鑫等[1 ] 、吴锦涛等[2 ] 、Bhamu等[3 ] 、吴志渊等[4 ] 基于有限元分析法分别建立了叶片-轮盘结构、某火箭发动机部分进气涡轮盘、汽轮机开裂叶片、转轴-轮盘-裂纹叶片耦合系统的有限元模型,并研究了各系统的振动响应特性.李书进等[5 ] 、代元军等[6 ] 、周子宣等[7 ] 、潘宏刚等[8 ] 、沈国际等[9 ] 、裘孙洋等[10 ] 研究了结构参数对风力发电机叶片、风轮、叶盘系统振动特性的影响,如叶片的扭转角、半径比、裂纹数量及包角角度等.徐涛等[11 ] 、姜华等[12 ] 、Abbas等[13 ] 、周震霆等[14 ] 、白叶飞等[15 ] 分析了外部激励对涡轮叶片、旋风机叶片、压气机叶片振动响应的影响规律.白杨溪等[16 ] 、刘一雄等[17 ] 、魏建宝等[18 ] 通过建立动力学模型分析了采煤机摇臂、风扇叶盘、万向联轴器的振动特性.为了降低振动对系统运行的影响,学者们通过采用不同的控制方法来抑制振动.常新宇等[19 ] 、Hashemi等[20 ] 、Pustina等[21 ] 分别利用动力吸振器、包含压电陶瓷作动器的主动控制系统和新型多层控制方法来抑制转子-叶片系统、风力机叶片的振动.上述研究可为转子、叶片的振动分析提供理论参考,但目前仍缺乏针对高速耐雨蚀测试装置中转子-雨蚀叶片系统振动分析与控制的研究. ...
气冷涡轮叶片振动特性分析
1
2022
... 目前,国内外很多学者针对转子和叶片的振动问题,从多个方面展开了广泛研究.例如:杨铮鑫等[1 ] 、吴锦涛等[2 ] 、Bhamu等[3 ] 、吴志渊等[4 ] 基于有限元分析法分别建立了叶片-轮盘结构、某火箭发动机部分进气涡轮盘、汽轮机开裂叶片、转轴-轮盘-裂纹叶片耦合系统的有限元模型,并研究了各系统的振动响应特性.李书进等[5 ] 、代元军等[6 ] 、周子宣等[7 ] 、潘宏刚等[8 ] 、沈国际等[9 ] 、裘孙洋等[10 ] 研究了结构参数对风力发电机叶片、风轮、叶盘系统振动特性的影响,如叶片的扭转角、半径比、裂纹数量及包角角度等.徐涛等[11 ] 、姜华等[12 ] 、Abbas等[13 ] 、周震霆等[14 ] 、白叶飞等[15 ] 分析了外部激励对涡轮叶片、旋风机叶片、压气机叶片振动响应的影响规律.白杨溪等[16 ] 、刘一雄等[17 ] 、魏建宝等[18 ] 通过建立动力学模型分析了采煤机摇臂、风扇叶盘、万向联轴器的振动特性.为了降低振动对系统运行的影响,学者们通过采用不同的控制方法来抑制振动.常新宇等[19 ] 、Hashemi等[20 ] 、Pustina等[21 ] 分别利用动力吸振器、包含压电陶瓷作动器的主动控制系统和新型多层控制方法来抑制转子-叶片系统、风力机叶片的振动.上述研究可为转子、叶片的振动分析提供理论参考,但目前仍缺乏针对高速耐雨蚀测试装置中转子-雨蚀叶片系统振动分析与控制的研究. ...
气冷涡轮叶片振动特性分析
1
2022
... 目前,国内外很多学者针对转子和叶片的振动问题,从多个方面展开了广泛研究.例如:杨铮鑫等[1 ] 、吴锦涛等[2 ] 、Bhamu等[3 ] 、吴志渊等[4 ] 基于有限元分析法分别建立了叶片-轮盘结构、某火箭发动机部分进气涡轮盘、汽轮机开裂叶片、转轴-轮盘-裂纹叶片耦合系统的有限元模型,并研究了各系统的振动响应特性.李书进等[5 ] 、代元军等[6 ] 、周子宣等[7 ] 、潘宏刚等[8 ] 、沈国际等[9 ] 、裘孙洋等[10 ] 研究了结构参数对风力发电机叶片、风轮、叶盘系统振动特性的影响,如叶片的扭转角、半径比、裂纹数量及包角角度等.徐涛等[11 ] 、姜华等[12 ] 、Abbas等[13 ] 、周震霆等[14 ] 、白叶飞等[15 ] 分析了外部激励对涡轮叶片、旋风机叶片、压气机叶片振动响应的影响规律.白杨溪等[16 ] 、刘一雄等[17 ] 、魏建宝等[18 ] 通过建立动力学模型分析了采煤机摇臂、风扇叶盘、万向联轴器的振动特性.为了降低振动对系统运行的影响,学者们通过采用不同的控制方法来抑制振动.常新宇等[19 ] 、Hashemi等[20 ] 、Pustina等[21 ] 分别利用动力吸振器、包含压电陶瓷作动器的主动控制系统和新型多层控制方法来抑制转子-叶片系统、风力机叶片的振动.上述研究可为转子、叶片的振动分析提供理论参考,但目前仍缺乏针对高速耐雨蚀测试装置中转子-雨蚀叶片系统振动分析与控制的研究. ...
预应力模态下对旋风机叶片流致振动特性
1
2022
... 目前,国内外很多学者针对转子和叶片的振动问题,从多个方面展开了广泛研究.例如:杨铮鑫等[1 ] 、吴锦涛等[2 ] 、Bhamu等[3 ] 、吴志渊等[4 ] 基于有限元分析法分别建立了叶片-轮盘结构、某火箭发动机部分进气涡轮盘、汽轮机开裂叶片、转轴-轮盘-裂纹叶片耦合系统的有限元模型,并研究了各系统的振动响应特性.李书进等[5 ] 、代元军等[6 ] 、周子宣等[7 ] 、潘宏刚等[8 ] 、沈国际等[9 ] 、裘孙洋等[10 ] 研究了结构参数对风力发电机叶片、风轮、叶盘系统振动特性的影响,如叶片的扭转角、半径比、裂纹数量及包角角度等.徐涛等[11 ] 、姜华等[12 ] 、Abbas等[13 ] 、周震霆等[14 ] 、白叶飞等[15 ] 分析了外部激励对涡轮叶片、旋风机叶片、压气机叶片振动响应的影响规律.白杨溪等[16 ] 、刘一雄等[17 ] 、魏建宝等[18 ] 通过建立动力学模型分析了采煤机摇臂、风扇叶盘、万向联轴器的振动特性.为了降低振动对系统运行的影响,学者们通过采用不同的控制方法来抑制振动.常新宇等[19 ] 、Hashemi等[20 ] 、Pustina等[21 ] 分别利用动力吸振器、包含压电陶瓷作动器的主动控制系统和新型多层控制方法来抑制转子-叶片系统、风力机叶片的振动.上述研究可为转子、叶片的振动分析提供理论参考,但目前仍缺乏针对高速耐雨蚀测试装置中转子-雨蚀叶片系统振动分析与控制的研究. ...
预应力模态下对旋风机叶片流致振动特性
1
2022
... 目前,国内外很多学者针对转子和叶片的振动问题,从多个方面展开了广泛研究.例如:杨铮鑫等[1 ] 、吴锦涛等[2 ] 、Bhamu等[3 ] 、吴志渊等[4 ] 基于有限元分析法分别建立了叶片-轮盘结构、某火箭发动机部分进气涡轮盘、汽轮机开裂叶片、转轴-轮盘-裂纹叶片耦合系统的有限元模型,并研究了各系统的振动响应特性.李书进等[5 ] 、代元军等[6 ] 、周子宣等[7 ] 、潘宏刚等[8 ] 、沈国际等[9 ] 、裘孙洋等[10 ] 研究了结构参数对风力发电机叶片、风轮、叶盘系统振动特性的影响,如叶片的扭转角、半径比、裂纹数量及包角角度等.徐涛等[11 ] 、姜华等[12 ] 、Abbas等[13 ] 、周震霆等[14 ] 、白叶飞等[15 ] 分析了外部激励对涡轮叶片、旋风机叶片、压气机叶片振动响应的影响规律.白杨溪等[16 ] 、刘一雄等[17 ] 、魏建宝等[18 ] 通过建立动力学模型分析了采煤机摇臂、风扇叶盘、万向联轴器的振动特性.为了降低振动对系统运行的影响,学者们通过采用不同的控制方法来抑制振动.常新宇等[19 ] 、Hashemi等[20 ] 、Pustina等[21 ] 分别利用动力吸振器、包含压电陶瓷作动器的主动控制系统和新型多层控制方法来抑制转子-叶片系统、风力机叶片的振动.上述研究可为转子、叶片的振动分析提供理论参考,但目前仍缺乏针对高速耐雨蚀测试装置中转子-雨蚀叶片系统振动分析与控制的研究. ...
Studying the thermal influence on the vibration of rotating blades
1
2022
... 目前,国内外很多学者针对转子和叶片的振动问题,从多个方面展开了广泛研究.例如:杨铮鑫等[1 ] 、吴锦涛等[2 ] 、Bhamu等[3 ] 、吴志渊等[4 ] 基于有限元分析法分别建立了叶片-轮盘结构、某火箭发动机部分进气涡轮盘、汽轮机开裂叶片、转轴-轮盘-裂纹叶片耦合系统的有限元模型,并研究了各系统的振动响应特性.李书进等[5 ] 、代元军等[6 ] 、周子宣等[7 ] 、潘宏刚等[8 ] 、沈国际等[9 ] 、裘孙洋等[10 ] 研究了结构参数对风力发电机叶片、风轮、叶盘系统振动特性的影响,如叶片的扭转角、半径比、裂纹数量及包角角度等.徐涛等[11 ] 、姜华等[12 ] 、Abbas等[13 ] 、周震霆等[14 ] 、白叶飞等[15 ] 分析了外部激励对涡轮叶片、旋风机叶片、压气机叶片振动响应的影响规律.白杨溪等[16 ] 、刘一雄等[17 ] 、魏建宝等[18 ] 通过建立动力学模型分析了采煤机摇臂、风扇叶盘、万向联轴器的振动特性.为了降低振动对系统运行的影响,学者们通过采用不同的控制方法来抑制振动.常新宇等[19 ] 、Hashemi等[20 ] 、Pustina等[21 ] 分别利用动力吸振器、包含压电陶瓷作动器的主动控制系统和新型多层控制方法来抑制转子-叶片系统、风力机叶片的振动.上述研究可为转子、叶片的振动分析提供理论参考,但目前仍缺乏针对高速耐雨蚀测试装置中转子-雨蚀叶片系统振动分析与控制的研究. ...
气动阻尼对裂纹叶片振动特性的影响研究
1
2022
... 目前,国内外很多学者针对转子和叶片的振动问题,从多个方面展开了广泛研究.例如:杨铮鑫等[1 ] 、吴锦涛等[2 ] 、Bhamu等[3 ] 、吴志渊等[4 ] 基于有限元分析法分别建立了叶片-轮盘结构、某火箭发动机部分进气涡轮盘、汽轮机开裂叶片、转轴-轮盘-裂纹叶片耦合系统的有限元模型,并研究了各系统的振动响应特性.李书进等[5 ] 、代元军等[6 ] 、周子宣等[7 ] 、潘宏刚等[8 ] 、沈国际等[9 ] 、裘孙洋等[10 ] 研究了结构参数对风力发电机叶片、风轮、叶盘系统振动特性的影响,如叶片的扭转角、半径比、裂纹数量及包角角度等.徐涛等[11 ] 、姜华等[12 ] 、Abbas等[13 ] 、周震霆等[14 ] 、白叶飞等[15 ] 分析了外部激励对涡轮叶片、旋风机叶片、压气机叶片振动响应的影响规律.白杨溪等[16 ] 、刘一雄等[17 ] 、魏建宝等[18 ] 通过建立动力学模型分析了采煤机摇臂、风扇叶盘、万向联轴器的振动特性.为了降低振动对系统运行的影响,学者们通过采用不同的控制方法来抑制振动.常新宇等[19 ] 、Hashemi等[20 ] 、Pustina等[21 ] 分别利用动力吸振器、包含压电陶瓷作动器的主动控制系统和新型多层控制方法来抑制转子-叶片系统、风力机叶片的振动.上述研究可为转子、叶片的振动分析提供理论参考,但目前仍缺乏针对高速耐雨蚀测试装置中转子-雨蚀叶片系统振动分析与控制的研究. ...
气动阻尼对裂纹叶片振动特性的影响研究
1
2022
... 目前,国内外很多学者针对转子和叶片的振动问题,从多个方面展开了广泛研究.例如:杨铮鑫等[1 ] 、吴锦涛等[2 ] 、Bhamu等[3 ] 、吴志渊等[4 ] 基于有限元分析法分别建立了叶片-轮盘结构、某火箭发动机部分进气涡轮盘、汽轮机开裂叶片、转轴-轮盘-裂纹叶片耦合系统的有限元模型,并研究了各系统的振动响应特性.李书进等[5 ] 、代元军等[6 ] 、周子宣等[7 ] 、潘宏刚等[8 ] 、沈国际等[9 ] 、裘孙洋等[10 ] 研究了结构参数对风力发电机叶片、风轮、叶盘系统振动特性的影响,如叶片的扭转角、半径比、裂纹数量及包角角度等.徐涛等[11 ] 、姜华等[12 ] 、Abbas等[13 ] 、周震霆等[14 ] 、白叶飞等[15 ] 分析了外部激励对涡轮叶片、旋风机叶片、压气机叶片振动响应的影响规律.白杨溪等[16 ] 、刘一雄等[17 ] 、魏建宝等[18 ] 通过建立动力学模型分析了采煤机摇臂、风扇叶盘、万向联轴器的振动特性.为了降低振动对系统运行的影响,学者们通过采用不同的控制方法来抑制振动.常新宇等[19 ] 、Hashemi等[20 ] 、Pustina等[21 ] 分别利用动力吸振器、包含压电陶瓷作动器的主动控制系统和新型多层控制方法来抑制转子-叶片系统、风力机叶片的振动.上述研究可为转子、叶片的振动分析提供理论参考,但目前仍缺乏针对高速耐雨蚀测试装置中转子-雨蚀叶片系统振动分析与控制的研究. ...
旋转激振气流下风力机风轮振动及应力谐响分析
1
2022
... 目前,国内外很多学者针对转子和叶片的振动问题,从多个方面展开了广泛研究.例如:杨铮鑫等[1 ] 、吴锦涛等[2 ] 、Bhamu等[3 ] 、吴志渊等[4 ] 基于有限元分析法分别建立了叶片-轮盘结构、某火箭发动机部分进气涡轮盘、汽轮机开裂叶片、转轴-轮盘-裂纹叶片耦合系统的有限元模型,并研究了各系统的振动响应特性.李书进等[5 ] 、代元军等[6 ] 、周子宣等[7 ] 、潘宏刚等[8 ] 、沈国际等[9 ] 、裘孙洋等[10 ] 研究了结构参数对风力发电机叶片、风轮、叶盘系统振动特性的影响,如叶片的扭转角、半径比、裂纹数量及包角角度等.徐涛等[11 ] 、姜华等[12 ] 、Abbas等[13 ] 、周震霆等[14 ] 、白叶飞等[15 ] 分析了外部激励对涡轮叶片、旋风机叶片、压气机叶片振动响应的影响规律.白杨溪等[16 ] 、刘一雄等[17 ] 、魏建宝等[18 ] 通过建立动力学模型分析了采煤机摇臂、风扇叶盘、万向联轴器的振动特性.为了降低振动对系统运行的影响,学者们通过采用不同的控制方法来抑制振动.常新宇等[19 ] 、Hashemi等[20 ] 、Pustina等[21 ] 分别利用动力吸振器、包含压电陶瓷作动器的主动控制系统和新型多层控制方法来抑制转子-叶片系统、风力机叶片的振动.上述研究可为转子、叶片的振动分析提供理论参考,但目前仍缺乏针对高速耐雨蚀测试装置中转子-雨蚀叶片系统振动分析与控制的研究. ...
旋转激振气流下风力机风轮振动及应力谐响分析
1
2022
... 目前,国内外很多学者针对转子和叶片的振动问题,从多个方面展开了广泛研究.例如:杨铮鑫等[1 ] 、吴锦涛等[2 ] 、Bhamu等[3 ] 、吴志渊等[4 ] 基于有限元分析法分别建立了叶片-轮盘结构、某火箭发动机部分进气涡轮盘、汽轮机开裂叶片、转轴-轮盘-裂纹叶片耦合系统的有限元模型,并研究了各系统的振动响应特性.李书进等[5 ] 、代元军等[6 ] 、周子宣等[7 ] 、潘宏刚等[8 ] 、沈国际等[9 ] 、裘孙洋等[10 ] 研究了结构参数对风力发电机叶片、风轮、叶盘系统振动特性的影响,如叶片的扭转角、半径比、裂纹数量及包角角度等.徐涛等[11 ] 、姜华等[12 ] 、Abbas等[13 ] 、周震霆等[14 ] 、白叶飞等[15 ] 分析了外部激励对涡轮叶片、旋风机叶片、压气机叶片振动响应的影响规律.白杨溪等[16 ] 、刘一雄等[17 ] 、魏建宝等[18 ] 通过建立动力学模型分析了采煤机摇臂、风扇叶盘、万向联轴器的振动特性.为了降低振动对系统运行的影响,学者们通过采用不同的控制方法来抑制振动.常新宇等[19 ] 、Hashemi等[20 ] 、Pustina等[21 ] 分别利用动力吸振器、包含压电陶瓷作动器的主动控制系统和新型多层控制方法来抑制转子-叶片系统、风力机叶片的振动.上述研究可为转子、叶片的振动分析提供理论参考,但目前仍缺乏针对高速耐雨蚀测试装置中转子-雨蚀叶片系统振动分析与控制的研究. ...
多约束条件下采煤机摇臂横向振动分析及试验验证
1
2020
... 目前,国内外很多学者针对转子和叶片的振动问题,从多个方面展开了广泛研究.例如:杨铮鑫等[1 ] 、吴锦涛等[2 ] 、Bhamu等[3 ] 、吴志渊等[4 ] 基于有限元分析法分别建立了叶片-轮盘结构、某火箭发动机部分进气涡轮盘、汽轮机开裂叶片、转轴-轮盘-裂纹叶片耦合系统的有限元模型,并研究了各系统的振动响应特性.李书进等[5 ] 、代元军等[6 ] 、周子宣等[7 ] 、潘宏刚等[8 ] 、沈国际等[9 ] 、裘孙洋等[10 ] 研究了结构参数对风力发电机叶片、风轮、叶盘系统振动特性的影响,如叶片的扭转角、半径比、裂纹数量及包角角度等.徐涛等[11 ] 、姜华等[12 ] 、Abbas等[13 ] 、周震霆等[14 ] 、白叶飞等[15 ] 分析了外部激励对涡轮叶片、旋风机叶片、压气机叶片振动响应的影响规律.白杨溪等[16 ] 、刘一雄等[17 ] 、魏建宝等[18 ] 通过建立动力学模型分析了采煤机摇臂、风扇叶盘、万向联轴器的振动特性.为了降低振动对系统运行的影响,学者们通过采用不同的控制方法来抑制振动.常新宇等[19 ] 、Hashemi等[20 ] 、Pustina等[21 ] 分别利用动力吸振器、包含压电陶瓷作动器的主动控制系统和新型多层控制方法来抑制转子-叶片系统、风力机叶片的振动.上述研究可为转子、叶片的振动分析提供理论参考,但目前仍缺乏针对高速耐雨蚀测试装置中转子-雨蚀叶片系统振动分析与控制的研究. ...
多约束条件下采煤机摇臂横向振动分析及试验验证
1
2020
... 目前,国内外很多学者针对转子和叶片的振动问题,从多个方面展开了广泛研究.例如:杨铮鑫等[1 ] 、吴锦涛等[2 ] 、Bhamu等[3 ] 、吴志渊等[4 ] 基于有限元分析法分别建立了叶片-轮盘结构、某火箭发动机部分进气涡轮盘、汽轮机开裂叶片、转轴-轮盘-裂纹叶片耦合系统的有限元模型,并研究了各系统的振动响应特性.李书进等[5 ] 、代元军等[6 ] 、周子宣等[7 ] 、潘宏刚等[8 ] 、沈国际等[9 ] 、裘孙洋等[10 ] 研究了结构参数对风力发电机叶片、风轮、叶盘系统振动特性的影响,如叶片的扭转角、半径比、裂纹数量及包角角度等.徐涛等[11 ] 、姜华等[12 ] 、Abbas等[13 ] 、周震霆等[14 ] 、白叶飞等[15 ] 分析了外部激励对涡轮叶片、旋风机叶片、压气机叶片振动响应的影响规律.白杨溪等[16 ] 、刘一雄等[17 ] 、魏建宝等[18 ] 通过建立动力学模型分析了采煤机摇臂、风扇叶盘、万向联轴器的振动特性.为了降低振动对系统运行的影响,学者们通过采用不同的控制方法来抑制振动.常新宇等[19 ] 、Hashemi等[20 ] 、Pustina等[21 ] 分别利用动力吸振器、包含压电陶瓷作动器的主动控制系统和新型多层控制方法来抑制转子-叶片系统、风力机叶片的振动.上述研究可为转子、叶片的振动分析提供理论参考,但目前仍缺乏针对高速耐雨蚀测试装置中转子-雨蚀叶片系统振动分析与控制的研究. ...
风扇整体叶盘振动响应数值仿真及试验验证
1
2021
... 目前,国内外很多学者针对转子和叶片的振动问题,从多个方面展开了广泛研究.例如:杨铮鑫等[1 ] 、吴锦涛等[2 ] 、Bhamu等[3 ] 、吴志渊等[4 ] 基于有限元分析法分别建立了叶片-轮盘结构、某火箭发动机部分进气涡轮盘、汽轮机开裂叶片、转轴-轮盘-裂纹叶片耦合系统的有限元模型,并研究了各系统的振动响应特性.李书进等[5 ] 、代元军等[6 ] 、周子宣等[7 ] 、潘宏刚等[8 ] 、沈国际等[9 ] 、裘孙洋等[10 ] 研究了结构参数对风力发电机叶片、风轮、叶盘系统振动特性的影响,如叶片的扭转角、半径比、裂纹数量及包角角度等.徐涛等[11 ] 、姜华等[12 ] 、Abbas等[13 ] 、周震霆等[14 ] 、白叶飞等[15 ] 分析了外部激励对涡轮叶片、旋风机叶片、压气机叶片振动响应的影响规律.白杨溪等[16 ] 、刘一雄等[17 ] 、魏建宝等[18 ] 通过建立动力学模型分析了采煤机摇臂、风扇叶盘、万向联轴器的振动特性.为了降低振动对系统运行的影响,学者们通过采用不同的控制方法来抑制振动.常新宇等[19 ] 、Hashemi等[20 ] 、Pustina等[21 ] 分别利用动力吸振器、包含压电陶瓷作动器的主动控制系统和新型多层控制方法来抑制转子-叶片系统、风力机叶片的振动.上述研究可为转子、叶片的振动分析提供理论参考,但目前仍缺乏针对高速耐雨蚀测试装置中转子-雨蚀叶片系统振动分析与控制的研究. ...
风扇整体叶盘振动响应数值仿真及试验验证
1
2021
... 目前,国内外很多学者针对转子和叶片的振动问题,从多个方面展开了广泛研究.例如:杨铮鑫等[1 ] 、吴锦涛等[2 ] 、Bhamu等[3 ] 、吴志渊等[4 ] 基于有限元分析法分别建立了叶片-轮盘结构、某火箭发动机部分进气涡轮盘、汽轮机开裂叶片、转轴-轮盘-裂纹叶片耦合系统的有限元模型,并研究了各系统的振动响应特性.李书进等[5 ] 、代元军等[6 ] 、周子宣等[7 ] 、潘宏刚等[8 ] 、沈国际等[9 ] 、裘孙洋等[10 ] 研究了结构参数对风力发电机叶片、风轮、叶盘系统振动特性的影响,如叶片的扭转角、半径比、裂纹数量及包角角度等.徐涛等[11 ] 、姜华等[12 ] 、Abbas等[13 ] 、周震霆等[14 ] 、白叶飞等[15 ] 分析了外部激励对涡轮叶片、旋风机叶片、压气机叶片振动响应的影响规律.白杨溪等[16 ] 、刘一雄等[17 ] 、魏建宝等[18 ] 通过建立动力学模型分析了采煤机摇臂、风扇叶盘、万向联轴器的振动特性.为了降低振动对系统运行的影响,学者们通过采用不同的控制方法来抑制振动.常新宇等[19 ] 、Hashemi等[20 ] 、Pustina等[21 ] 分别利用动力吸振器、包含压电陶瓷作动器的主动控制系统和新型多层控制方法来抑制转子-叶片系统、风力机叶片的振动.上述研究可为转子、叶片的振动分析提供理论参考,但目前仍缺乏针对高速耐雨蚀测试装置中转子-雨蚀叶片系统振动分析与控制的研究. ...
三叉式-球笼式双联万向联轴器的扭转振动特性分析
2
2021
... 目前,国内外很多学者针对转子和叶片的振动问题,从多个方面展开了广泛研究.例如:杨铮鑫等[1 ] 、吴锦涛等[2 ] 、Bhamu等[3 ] 、吴志渊等[4 ] 基于有限元分析法分别建立了叶片-轮盘结构、某火箭发动机部分进气涡轮盘、汽轮机开裂叶片、转轴-轮盘-裂纹叶片耦合系统的有限元模型,并研究了各系统的振动响应特性.李书进等[5 ] 、代元军等[6 ] 、周子宣等[7 ] 、潘宏刚等[8 ] 、沈国际等[9 ] 、裘孙洋等[10 ] 研究了结构参数对风力发电机叶片、风轮、叶盘系统振动特性的影响,如叶片的扭转角、半径比、裂纹数量及包角角度等.徐涛等[11 ] 、姜华等[12 ] 、Abbas等[13 ] 、周震霆等[14 ] 、白叶飞等[15 ] 分析了外部激励对涡轮叶片、旋风机叶片、压气机叶片振动响应的影响规律.白杨溪等[16 ] 、刘一雄等[17 ] 、魏建宝等[18 ] 通过建立动力学模型分析了采煤机摇臂、风扇叶盘、万向联轴器的振动特性.为了降低振动对系统运行的影响,学者们通过采用不同的控制方法来抑制振动.常新宇等[19 ] 、Hashemi等[20 ] 、Pustina等[21 ] 分别利用动力吸振器、包含压电陶瓷作动器的主动控制系统和新型多层控制方法来抑制转子-叶片系统、风力机叶片的振动.上述研究可为转子、叶片的振动分析提供理论参考,但目前仍缺乏针对高速耐雨蚀测试装置中转子-雨蚀叶片系统振动分析与控制的研究. ...
... 为研究转子-雨蚀叶片系统的振动特性,选取最小工作角速度(ω =150 rad/s)与最大工作角速度(ω =350 rad/s)两种工况,基于表1 所示参数,利用四阶Runge-Kutta算法对转子-雨蚀叶片系统的运动微分方程进行数值求解,得到转子和雨蚀叶片的轴心轨迹、振动位移时域图和Poincaré截面[18 ] ,分别如图3 和图4 所示. ...
三叉式-球笼式双联万向联轴器的扭转振动特性分析
2
2021
... 目前,国内外很多学者针对转子和叶片的振动问题,从多个方面展开了广泛研究.例如:杨铮鑫等[1 ] 、吴锦涛等[2 ] 、Bhamu等[3 ] 、吴志渊等[4 ] 基于有限元分析法分别建立了叶片-轮盘结构、某火箭发动机部分进气涡轮盘、汽轮机开裂叶片、转轴-轮盘-裂纹叶片耦合系统的有限元模型,并研究了各系统的振动响应特性.李书进等[5 ] 、代元军等[6 ] 、周子宣等[7 ] 、潘宏刚等[8 ] 、沈国际等[9 ] 、裘孙洋等[10 ] 研究了结构参数对风力发电机叶片、风轮、叶盘系统振动特性的影响,如叶片的扭转角、半径比、裂纹数量及包角角度等.徐涛等[11 ] 、姜华等[12 ] 、Abbas等[13 ] 、周震霆等[14 ] 、白叶飞等[15 ] 分析了外部激励对涡轮叶片、旋风机叶片、压气机叶片振动响应的影响规律.白杨溪等[16 ] 、刘一雄等[17 ] 、魏建宝等[18 ] 通过建立动力学模型分析了采煤机摇臂、风扇叶盘、万向联轴器的振动特性.为了降低振动对系统运行的影响,学者们通过采用不同的控制方法来抑制振动.常新宇等[19 ] 、Hashemi等[20 ] 、Pustina等[21 ] 分别利用动力吸振器、包含压电陶瓷作动器的主动控制系统和新型多层控制方法来抑制转子-叶片系统、风力机叶片的振动.上述研究可为转子、叶片的振动分析提供理论参考,但目前仍缺乏针对高速耐雨蚀测试装置中转子-雨蚀叶片系统振动分析与控制的研究. ...
... 为研究转子-雨蚀叶片系统的振动特性,选取最小工作角速度(ω =150 rad/s)与最大工作角速度(ω =350 rad/s)两种工况,基于表1 所示参数,利用四阶Runge-Kutta算法对转子-雨蚀叶片系统的运动微分方程进行数值求解,得到转子和雨蚀叶片的轴心轨迹、振动位移时域图和Poincaré截面[18 ] ,分别如图3 和图4 所示. ...
转子-叶片系统振动抑制技术应用
1
2021
... 目前,国内外很多学者针对转子和叶片的振动问题,从多个方面展开了广泛研究.例如:杨铮鑫等[1 ] 、吴锦涛等[2 ] 、Bhamu等[3 ] 、吴志渊等[4 ] 基于有限元分析法分别建立了叶片-轮盘结构、某火箭发动机部分进气涡轮盘、汽轮机开裂叶片、转轴-轮盘-裂纹叶片耦合系统的有限元模型,并研究了各系统的振动响应特性.李书进等[5 ] 、代元军等[6 ] 、周子宣等[7 ] 、潘宏刚等[8 ] 、沈国际等[9 ] 、裘孙洋等[10 ] 研究了结构参数对风力发电机叶片、风轮、叶盘系统振动特性的影响,如叶片的扭转角、半径比、裂纹数量及包角角度等.徐涛等[11 ] 、姜华等[12 ] 、Abbas等[13 ] 、周震霆等[14 ] 、白叶飞等[15 ] 分析了外部激励对涡轮叶片、旋风机叶片、压气机叶片振动响应的影响规律.白杨溪等[16 ] 、刘一雄等[17 ] 、魏建宝等[18 ] 通过建立动力学模型分析了采煤机摇臂、风扇叶盘、万向联轴器的振动特性.为了降低振动对系统运行的影响,学者们通过采用不同的控制方法来抑制振动.常新宇等[19 ] 、Hashemi等[20 ] 、Pustina等[21 ] 分别利用动力吸振器、包含压电陶瓷作动器的主动控制系统和新型多层控制方法来抑制转子-叶片系统、风力机叶片的振动.上述研究可为转子、叶片的振动分析提供理论参考,但目前仍缺乏针对高速耐雨蚀测试装置中转子-雨蚀叶片系统振动分析与控制的研究. ...
转子-叶片系统振动抑制技术应用
1
2021
... 目前,国内外很多学者针对转子和叶片的振动问题,从多个方面展开了广泛研究.例如:杨铮鑫等[1 ] 、吴锦涛等[2 ] 、Bhamu等[3 ] 、吴志渊等[4 ] 基于有限元分析法分别建立了叶片-轮盘结构、某火箭发动机部分进气涡轮盘、汽轮机开裂叶片、转轴-轮盘-裂纹叶片耦合系统的有限元模型,并研究了各系统的振动响应特性.李书进等[5 ] 、代元军等[6 ] 、周子宣等[7 ] 、潘宏刚等[8 ] 、沈国际等[9 ] 、裘孙洋等[10 ] 研究了结构参数对风力发电机叶片、风轮、叶盘系统振动特性的影响,如叶片的扭转角、半径比、裂纹数量及包角角度等.徐涛等[11 ] 、姜华等[12 ] 、Abbas等[13 ] 、周震霆等[14 ] 、白叶飞等[15 ] 分析了外部激励对涡轮叶片、旋风机叶片、压气机叶片振动响应的影响规律.白杨溪等[16 ] 、刘一雄等[17 ] 、魏建宝等[18 ] 通过建立动力学模型分析了采煤机摇臂、风扇叶盘、万向联轴器的振动特性.为了降低振动对系统运行的影响,学者们通过采用不同的控制方法来抑制振动.常新宇等[19 ] 、Hashemi等[20 ] 、Pustina等[21 ] 分别利用动力吸振器、包含压电陶瓷作动器的主动控制系统和新型多层控制方法来抑制转子-叶片系统、风力机叶片的振动.上述研究可为转子、叶片的振动分析提供理论参考,但目前仍缺乏针对高速耐雨蚀测试装置中转子-雨蚀叶片系统振动分析与控制的研究. ...
Smart active vibration control system of a rotary structure using piezoelectric materials
1
2022
... 目前,国内外很多学者针对转子和叶片的振动问题,从多个方面展开了广泛研究.例如:杨铮鑫等[1 ] 、吴锦涛等[2 ] 、Bhamu等[3 ] 、吴志渊等[4 ] 基于有限元分析法分别建立了叶片-轮盘结构、某火箭发动机部分进气涡轮盘、汽轮机开裂叶片、转轴-轮盘-裂纹叶片耦合系统的有限元模型,并研究了各系统的振动响应特性.李书进等[5 ] 、代元军等[6 ] 、周子宣等[7 ] 、潘宏刚等[8 ] 、沈国际等[9 ] 、裘孙洋等[10 ] 研究了结构参数对风力发电机叶片、风轮、叶盘系统振动特性的影响,如叶片的扭转角、半径比、裂纹数量及包角角度等.徐涛等[11 ] 、姜华等[12 ] 、Abbas等[13 ] 、周震霆等[14 ] 、白叶飞等[15 ] 分析了外部激励对涡轮叶片、旋风机叶片、压气机叶片振动响应的影响规律.白杨溪等[16 ] 、刘一雄等[17 ] 、魏建宝等[18 ] 通过建立动力学模型分析了采煤机摇臂、风扇叶盘、万向联轴器的振动特性.为了降低振动对系统运行的影响,学者们通过采用不同的控制方法来抑制振动.常新宇等[19 ] 、Hashemi等[20 ] 、Pustina等[21 ] 分别利用动力吸振器、包含压电陶瓷作动器的主动控制系统和新型多层控制方法来抑制转子-叶片系统、风力机叶片的振动.上述研究可为转子、叶片的振动分析提供理论参考,但目前仍缺乏针对高速耐雨蚀测试装置中转子-雨蚀叶片系统振动分析与控制的研究. ...
A novel resonant controller for sea-induced rotor blade vibratory loads reduction on floating offshore wind turbines
1
2023
... 目前,国内外很多学者针对转子和叶片的振动问题,从多个方面展开了广泛研究.例如:杨铮鑫等[1 ] 、吴锦涛等[2 ] 、Bhamu等[3 ] 、吴志渊等[4 ] 基于有限元分析法分别建立了叶片-轮盘结构、某火箭发动机部分进气涡轮盘、汽轮机开裂叶片、转轴-轮盘-裂纹叶片耦合系统的有限元模型,并研究了各系统的振动响应特性.李书进等[5 ] 、代元军等[6 ] 、周子宣等[7 ] 、潘宏刚等[8 ] 、沈国际等[9 ] 、裘孙洋等[10 ] 研究了结构参数对风力发电机叶片、风轮、叶盘系统振动特性的影响,如叶片的扭转角、半径比、裂纹数量及包角角度等.徐涛等[11 ] 、姜华等[12 ] 、Abbas等[13 ] 、周震霆等[14 ] 、白叶飞等[15 ] 分析了外部激励对涡轮叶片、旋风机叶片、压气机叶片振动响应的影响规律.白杨溪等[16 ] 、刘一雄等[17 ] 、魏建宝等[18 ] 通过建立动力学模型分析了采煤机摇臂、风扇叶盘、万向联轴器的振动特性.为了降低振动对系统运行的影响,学者们通过采用不同的控制方法来抑制振动.常新宇等[19 ] 、Hashemi等[20 ] 、Pustina等[21 ] 分别利用动力吸振器、包含压电陶瓷作动器的主动控制系统和新型多层控制方法来抑制转子-叶片系统、风力机叶片的振动.上述研究可为转子、叶片的振动分析提供理论参考,但目前仍缺乏针对高速耐雨蚀测试装置中转子-雨蚀叶片系统振动分析与控制的研究. ...
从PID技术到“自抗扰控制”技术
2
2002
... 转子-雨蚀叶片系统的自抗扰控制结构如图5 所示.对于雨蚀叶片的X 、Y 方向振动位移及扰动,采用扩张状态观测器(extended state observer, ESO)进行实时估计,并根据ESO反馈值与跟踪微分器(tracking differentiator, TD)输出值之间的差值来设计控制律;同时,根据实时扰动的估计值进行补偿,以达到自抗扰目的[22 ] . ...
... 式中:z 1 、z 2 为系统状态,w ( t ) 为系统所受的内外总扰动[22 ] ,u 为控制量,b 为控制器增益,p 为输出量. ...
从PID技术到“自抗扰控制”技术
2
2002
... 转子-雨蚀叶片系统的自抗扰控制结构如图5 所示.对于雨蚀叶片的X 、Y 方向振动位移及扰动,采用扩张状态观测器(extended state observer, ESO)进行实时估计,并根据ESO反馈值与跟踪微分器(tracking differentiator, TD)输出值之间的差值来设计控制律;同时,根据实时扰动的估计值进行补偿,以达到自抗扰目的[22 ] . ...
... 式中:z 1 、z 2 为系统状态,w ( t ) 为系统所受的内外总扰动[22 ] ,u 为控制量,b 为控制器增益,p 为输出量. ...