考虑质量分布的雨蚀叶片横向振动分析与自抗扰解耦控制 |
| 方春龙,王梦君,周鹤,李松梅 |
|
Transverse vibration analysis and active disturbance rejection decoupling control of rain erosion blades considering mass distribution |
| Chunlong FANG,Mengjun WANG,He ZHOU,Songmei LI |
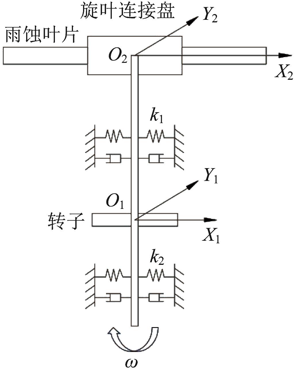
| 图1 转子-雨蚀叶片系统振动模型 |
| Fig.1 Vibration model of rotor-rain erosion blade system |
|