矿用锚网绑扎装置手持执行器传动系统的设计与应用 |
| 田立勇,刘毅,于宁,杨秀宇,包佳豪,张海建 |
|
Design and application of handheld actuator transmission system for mine anchor net binding device |
| Liyong TIAN,Yi LIU,Ning YU,Xiuyu YANG,Jiahao BAO,Haijian ZHANG |
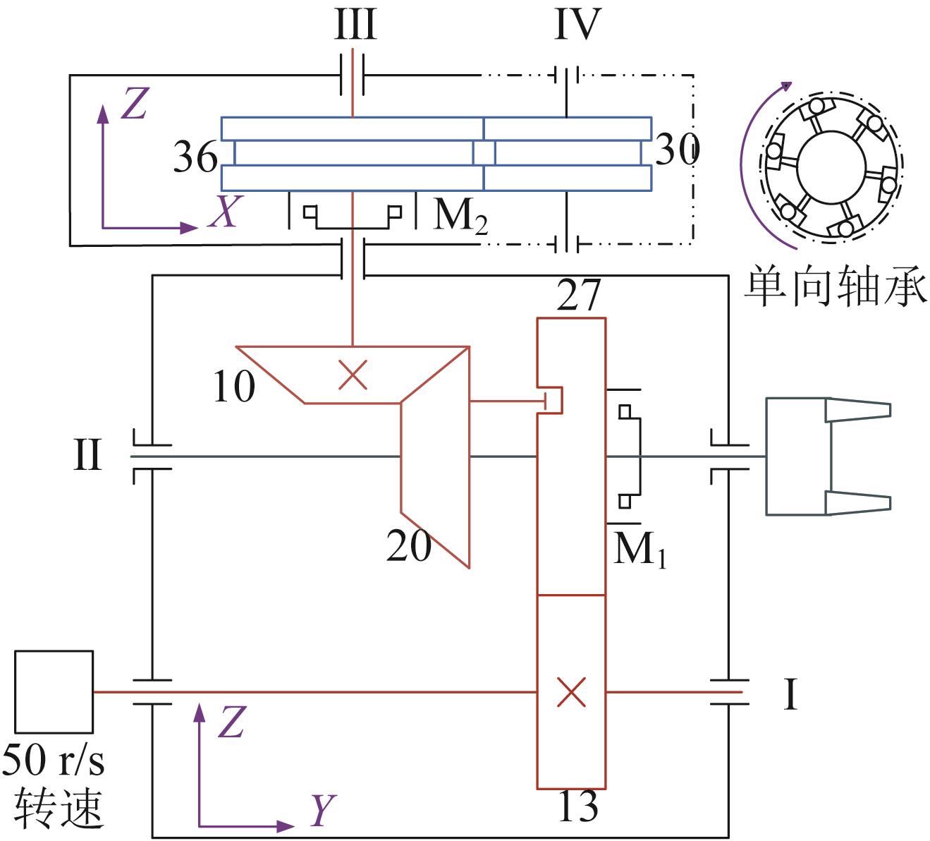
| 图4 绑扎机构传动结构简图 |
| Fig.4 Transmission structure diagram of binding mechanism |
|