新型水冷壁机器人设计及其电永磁轮研究 |
| 张博洋,冯永利,黄金凤,黄宝旺 |
|
Design of new water-cooled wall robot and research of its electro permanent magnet wheel |
| Boyang ZHANG,Yongli FENG,Jinfeng HUANG,Baowang HUANG |
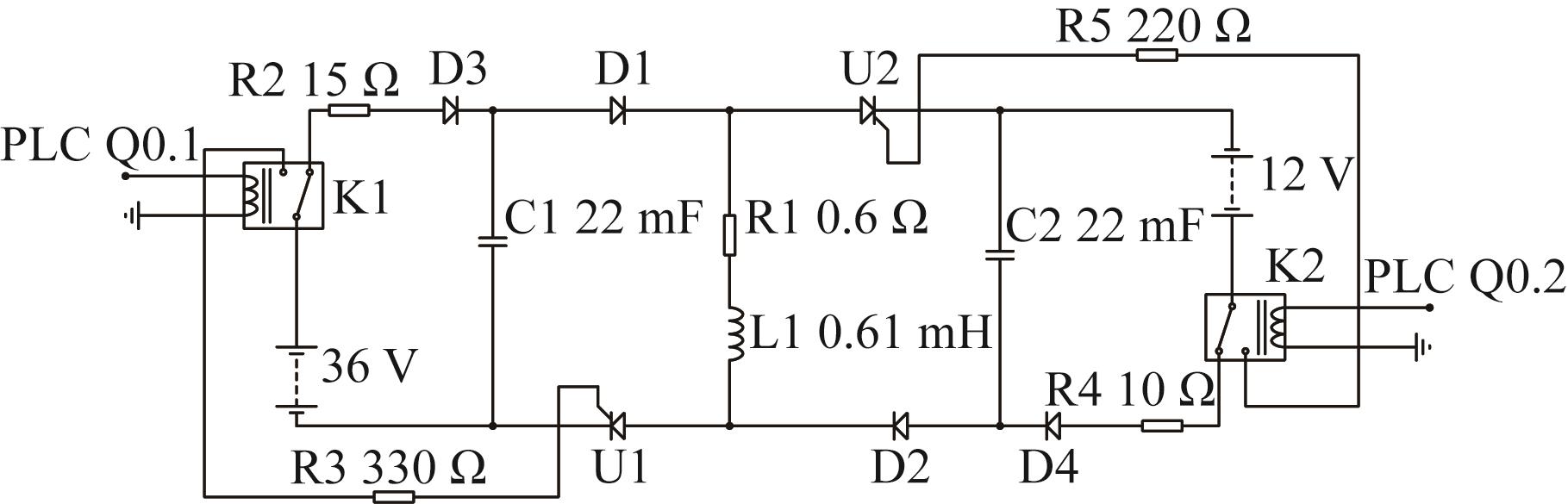
| 图16 电永磁轮充/退磁电路设计 |
| Fig.16 Design of magnetization/demagnetization circuit of electric permanent magnet wheel |
|