新型水冷壁机器人设计及其电永磁轮研究
张博洋,冯永利,黄金凤,黄宝旺

Design of new water-cooled wall robot and research of its electro permanent magnet wheel
Boyang ZHANG,Yongli FENG,Jinfeng HUANG,Baowang HUANG
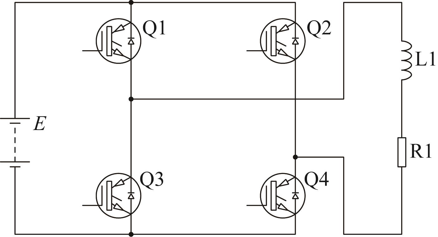
图14 全桥逆变电路
Fig.14 Full-bridge inverter circuit