新型水冷壁机器人设计及其电永磁轮研究 |
| 张博洋,冯永利,黄金凤,黄宝旺 |
|
Design of new water-cooled wall robot and research of its electro permanent magnet wheel |
| Boyang ZHANG,Yongli FENG,Jinfeng HUANG,Baowang HUANG |
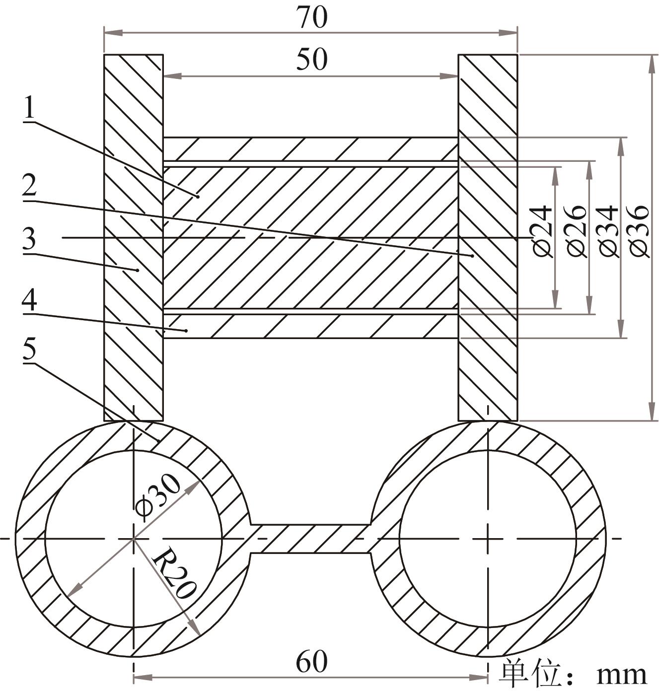
| 图9 电永磁轮模型尺寸1—LNG52永磁体;2—右磁极块;3—左磁极块;4—线圈;5—水冷壁管。 |
| Fig.9 Model dimension of electric permanent magnet wheel |
|