新型水冷壁机器人设计及其电永磁轮研究 |
| 张博洋,冯永利,黄金凤,黄宝旺 |
|
Design of new water-cooled wall robot and research of its electro permanent magnet wheel |
| Boyang ZHANG,Yongli FENG,Jinfeng HUANG,Baowang HUANG |
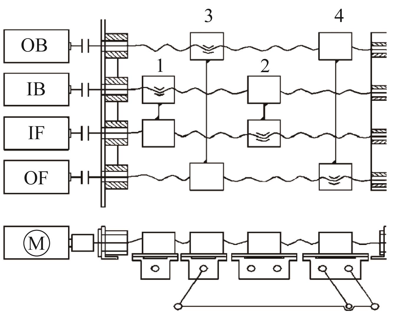
| 图3 机器人本体结构简图1—内腿后滑块;2—内腿前滑块;3—外腿后滑块;4—外腿前滑块。 |
| Fig.3 Schematic diagram of body structure of robot |
|